06-07 LC100 NAV delete AC amp backward fitting compatibility

This site may earn a commission from merchant affiliate
links, including eBay, Amazon, Skimlinks, and others.

Joined
Feb 13, 2022
Threads
5
Messages
236
Location
Houston, TX
First I would like to thank @jerryb . without your kindly help I can never finish my nav deletion project. Also when I mention 06-07 LC100 here, the production date can be all the way back to later time in 2005. You may want to check your model year to confirm the AC controller part number.

I think I am the first one who really tested the post 06 Nav delete with previous generation LC100 AC controller. The reason why we want to use the older model year's parts is that the correct part for 06-07 AC controller amp (88650-60B80 AMPLIFIER ASSY, A/C 2005-7 only) is very hard to find. You will have better chance to find the ac amp for/from the older models. However, the older model AC amp, NONE of those 88650-60821, 88650-60810 nor 88650-60820, are the direct fit for 06-07 LC100. If you hook them up and change the wires based on @jerryb diagram (post 2003 nav delete how to. - https://forum.ih8mud.com/threads/post-2003-nav-delete-how-to.1036722/), you will not be able to engage the compressor clutch thus no cooling air. You need to make some changes of the controller signals in order to let them work.

pre-06 years AC control signals:
1707764542492.png


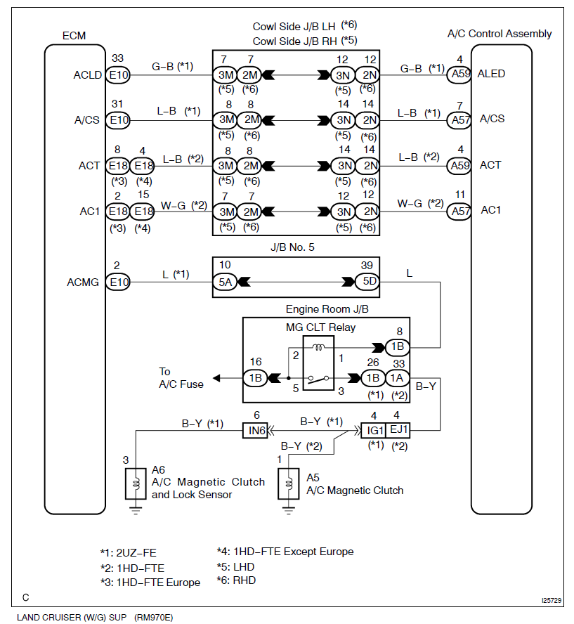
Toyota used to have two AC controller signals sets for many years. One uses AC1 and ACT, the other one uses A/CS and ALED. interesting enough, those two sets are all existed for LC100 platform for different engine/ECM configuration. For 2UZ-FE engine, Toyota used A/CS and ALED sets for very long time. however after 06 year model, Toyota decided to go to AC1 and ACT sets of controller and move the MGC and LOCK signal to AC amp rather than on the ECM. You can clearly see in next two diagrams.

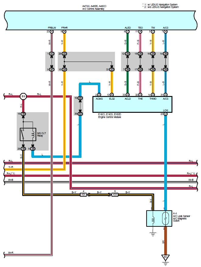
US market, 04 LX470 model:
1707779862455.png


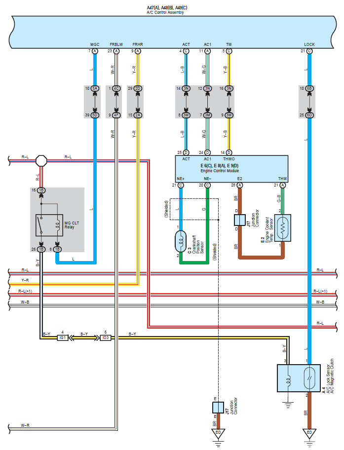
US market, 06 LX470 model:
1707779824911.png


The different between them:
1) AC Controller signal, before: ALED, AC/S, TEO; after: ACT, AC1
2) Compressor relay engage signal, before: on ECM; after: on AC amp
3) Compressor lock sensor signal, before: to ECM; after: to AC amp

We cannot do much on 3), but we can change the signals to make the AC basic function work. the controller signals chains are following these:
pre 06:
AC button ON --> AC AMP --> AC/S HIGH --> ECM --> ACLD HIGH --> AC AMP
_______________________________________________________ |-> ACMG LOW --> Compressor relay engaged
06-07:
AC button ON --> AC AMP --> AC1 LOW --> ECM --> ACT HIGH --> AC AMP --> MGC LOW --> Compressor relay engaged

You can see AC/S and AC1 polarity are opposite, thus no direct fit. Also you need to generate the MGC signal to drive the compressor clutch. A simple transistor conversion circuit can be used:
1707866791146.webp

I just used PN2222A for the transistor. The AC works fine after the circuit and the engine will ramp up in idle when AC turns on. However it is still not perfect. I noticed that the AC will just keep running after turns on even reach the temperature. before NAV delete I remember that AC clutch will intermittently stops when cabin reach the setting temperature. but this is something can be tolerant.

For anyone who wants to attempt this approach, please first make sure your AC amp type is ACS/ALED or AC1/ACT since even for early model they may still use either. Then you need to generate/connect the MGC signal by yourself.
 
Last edited:
This is awesome.
Thank you for the effort.
I would have never figured this out.
 
@sunfic Thank you so much!

This is really great information as I'll be attempting this soon. I have a 2006 LC (not LX) build date 06/2005 so basically right after the cutoff date. If I'm understanding correctly, this:

1. Allows you to engage the ac compressor clutch
2. But, the ac compressor will NOT cycle on/off automatically.
3. Does NOT retain compressor lock signal (I'm assuming this is a warning/safety shutdown mode?)

My question is based on your understanding of the circuits, is there any way to further modify to retain the automatic compressor cycling?

Secondly, is there a downside to having it run constantly? (More wear and tear, shortened lifespan?)
 
Not surprising but checked my EWD and it's similar for the 2007 land cruiser as the 2006 lx470. Minor differences but not sure they would make a difference.

20240213_102251.jpg
 
@sunfic Thank you so much!

This is really great information as I'll be attempting this soon. I have a 2006 LC (not LX) build date 06/2005 so basically right after the cutoff date. If I'm understanding correctly, this:

1. Allows you to engage the ac compressor clutch
2. But, the ac compressor will NOT cycle on/off automatically.
3. Does NOT retain compressor lock signal (I'm assuming this is a warning/safety shutdown mode?)

My question is based on your understanding of the circuits, is there any way to further modify to retain the automatic compressor cycling?

Secondly, is there a downside to having it run constantly? (More wear and tear, shortened lifespan?)
Yes. you understanding is correct.

I am not worry about the lock signal since some of the LC100 just don't have this signal at all. if the compressor seizes up usually you will have much trouble before this signal is sent out.
I do want to retain compressor automation shutoff function, however I didn't figure this out.
 
Not surprising but checked my EWD and it's similar for the 2007 land cruiser as the 2006 lx470. Minor differences but not sure they would make a difference.

View attachment 3557319
this is correct connection. I was wondering why for 06 LC100 only have lock signal to AC amp but no other signals to compare with. the lock signal should compare the engine rotation signal. if they are off-sync which means the compressor is seized up, the system should release the clutch to protect the belt. but in 06 model I didn't see this signal. either the diagram has error or the design has flaws. anyway if you are going to use the pre-06 AC amp you have to ignore this signal.
 
I thought the AC amp shuts down the compressor via the lock (pressure). Not rpm mismatch. Mismatch I thought came from the compressor.
AC light blinks when no AC sig via the pressure switch. Does that match up with techstream still being able to energize the clutch with or without and AC lock sig?
 
This is awesome.
Thank you for the effort.
I would have never figured this out.
You are the best. I still have some connectors and pins leftover I would like to mail them to you. Some of them are hard to find.
 
I'm at a loss, My books are packed up to move. I'd post the whole AC amp pages If I could.
 
Here are the front AC pages from 2007 Land cruiser EWD.

20240213_154215.webp


20240213_154221.webp


20240213_154246.webp


20240213_154539.webp


20240213_154553.webp


20240213_154558.webp
 
And the overall wiring for front AC
@jerryb @sunfic

20240213_155018.webp


20240213_155011.webp


20240213_154936.webp
 
Ok. thank you!

That VER5 signal is very interesting. In all US Land Cruiser model it is tied to ground. for the LX470 model it is floating. I think it has something to do with DGS sensor signals.

1707865677289.png
 
Last edited:
I omitted TEO signal in my previous circuit completely. I will do some more testing on this signal next time when I get chance. Hopefully I can get the clutch cycle on/off automatically again.
 
I had confirmation from two sources.
1- guy at his house trying certain things, ended in grounding the A45 #7 MGC to get AC back working VIA the A/C button on his 2006. Did not get any more response on questioning about the AUTO button. This was through email only.

2- Walked a stereo installer through the phone on grounding the same wire, engine side, on another 2006. His clutch would then engage with the A/C button.
I forgot at the time to ask him to try the auto button. But emails later, he says it works. I was trying to keep his time short and not run up an hourly bill for the owner.
I imagine if you pierce that wire and short to ground it would do the same thing.
The AC amp itself probably doesn't know or care about a constant ground at A45#7

It makes sense because if you mess around with techstream enough you'll understand the way the techstream locks the clutch, and what happens to the AC SIG line +button/LED when doing so without touching the button. (going from memory, it's been multiple years)
The SIG line will/should stop comms with a mismatch in RPMs, at least in the 06-7.

Thanks SUNFIC, you got me motivated to think about this for a while. (nov23-march24)
 
Last edited:
I had confirmation from two sources.
1- guy at his house trying certain things, ended in grounding the A45 #7 MGC to get AC back working VIA the A/C button on his 2006. Did not get any more response on questioning about the AUTO button. This was through email only.

2- Walked a stereo installer through the phone on grounding the same wire, engine side, on another 2006. His clutch would then engage with the A/C button.
I forgot at the time to ask him to try the auto button. But emails later, he says it works. I was trying to keep his time short and not run up an hourly bill for the owner.
I imagine if you pierce that wire and short to ground it would do the same thing.
The AC amp itself probably doesn't know or care about a constant ground at A5#7

It all makes sense because if you mess around with techstream enough you'll understand the way the techstream locks the clutch, and what happens to the AC SIG line +button/LED when doing so without touching the button. (going from memory, it's been multiple years)
The SIG line will/should stop comms with a mismatch in RPMs, at least in the 06-7.

Thanks SUNFIC, you got me motivated to think about this for a while. (nov23-march24)
I am not suggesting tie the MGC signal to ground to enable the AC clutch. Yes, It will put AC clutch engaged all the time by doing so and the temperature in cabin is still controlled by the ECU and actuators. However, the main concern is for the safety. From the design, if the AC system build up too high pressure (due to lack of heat dissipation) or pressure is too low (due to refregent leakage), it will dis-engage the clutch to protect the system. However if you tie the MGC signal to ground this function will be deleted.
 
What about the pressure switch? what does that do exactly?

Are you saying the clutch will forever be engaged? I asked on the phone he (installed) said no about ten days ago. The tell tale should be the rpm bump up and down, or hearing it.
I think you're right though it might be forever engaged. How bad is that? From experience, I know when my pressure is low. Cut off high side is middle three hundreds. Low is something like 37. That will still kill the lock. They way I read the book.
I could be wrong.
I have no reason to take my assembly out and short that wire. Otherwise I would.
 
Last edited:
First I would like to thank @jerryb . without your kindly help I can never finish my nav deletion project. Also when I mention 06-07 LC100 here, the production date can be all the way back to later time in 2005. You may want to check your model year to confirm the AC controller part number.

I think I am the first one who really tested the post 06 Nav delete with previous generation LC100 AC controller. The reason why we want to use the older model year's parts is that the correct part for 06-07 AC controller amp (88650-60B80 AMPLIFIER ASSY, A/C 2005-7 only) is very hard to find. You will have better chance to find the ac amp for/from the older models. However, the older model AC amp, NONE of those 88650-60821, 88650-60810 nor 88650-60820, are the direct fit for 06-07 LC100. If you hook them up and change the wires based on @jerryb diagram (post 2003 nav delete how to. - https://forum.ih8mud.com/threads/post-2003-nav-delete-how-to.1036722/), you will not be able to engage the compressor clutch thus no cooling air. You need to make some changes of the controller signals in order to let them work.

pre-06 years AC control signals:
View attachment 3556803

Toyota used to have two AC controller signals sets for many years. One uses AC1 and ACT, the other one uses A/CS and ALED. interesting enough, those two sets are all existed for LC100 platform for different engine/ECM configuration. For 2UZ-FE engine, Toyota used A/CS and ALED sets for very long time. however after 06 year model, Toyota decided to go to AC1 and ACT sets of controller and move the MGC and LOCK signal to AC amp rather than on the ECM. You can clearly see in next two diagrams.

US market, 04 LX470 model:
View attachment 3557024

US market, 06 LX470 model:
View attachment 3557023

The different between them:
1) AC Controller signal, before: ALED, AC/S, TEO; after: ACT, AC1
2) Compressor relay engage signal, before: on ECM; after: on AC amp
3) Compressor lock sensor signal, before: to ECM; after: to AC amp

We cannot do much on 3), but we can change the signals to make the AC basic function work. the controller signals chains are following these:
pre 06:
AC button ON --> AC AMP --> AC/S HIGH --> ECM --> ACLD HIGH --> AC AMP
_______________________________________________________ |-> ACMG LOW --> Compressor relay engaged
06-07:
AC button ON --> AC AMP --> AC1 LOW --> ECM --> ACT HIGH --> AC AMP --> MGC LOW --> Compressor relay engaged

You can see AC/S and AC1 polarity are opposite, thus no direct fit. Also you need to generate the MGC signal to drive the compressor clutch. A simple transistor conversion circuit can be used:
View attachment 3557626
I just used PN2222A for the transistor. The AC works fine after the circuit and the engine will ramp up in idle when AC turns on. However it is still not perfect. I noticed that the AC will just keep running after turns on even reach the temperature. before NAV delete I remember that AC clutch will intermittently stops when cabin reach the setting temperature. but this is something can be tolerant.

For anyone who wants to attempt this approach, please first make sure your AC amp type is ACS/ALED or AC1/ACT since even for early model they may still use either. Then you need to generate/connect the MGC signal by yourself.
I see in your drawing A49-4, I don’t actually see A49 on my harnesses
 
Back
Top Bottom