06-07 LC100 NAV delete AC amp backward fitting compatibility

This site may earn a commission from merchant affiliate
links, including eBay, Amazon, Skimlinks, and others.

LC=A45 A46 A47
LX=A47 A48 A49
All the same connectors. Positions and colors are the same. A45=A47, and so on.
Assume you're talking about the 3 AC amp connectors common in all 100s.
 
Does anyone have an idea of where i can download wiring schematics? I need the wiring diagram for a 2003 HDJ00 Saraha. I am trying to see if i can get the AC amp board to work in my 2005 LX470. I suspect the wiring for the AC is in a different place on the HDJ100. I currently have #88650-60830ac amp board
 
Does anyone have an idea of where i can download wiring schematics? I need the wiring diagram for a 2003 HDJ00 Saraha. I am trying to see if i can get the AC amp board to work in my 2005 LX470. I suspect the wiring for the AC is in a different place on the HDJ100. I currently have #88650-60830ac amp board
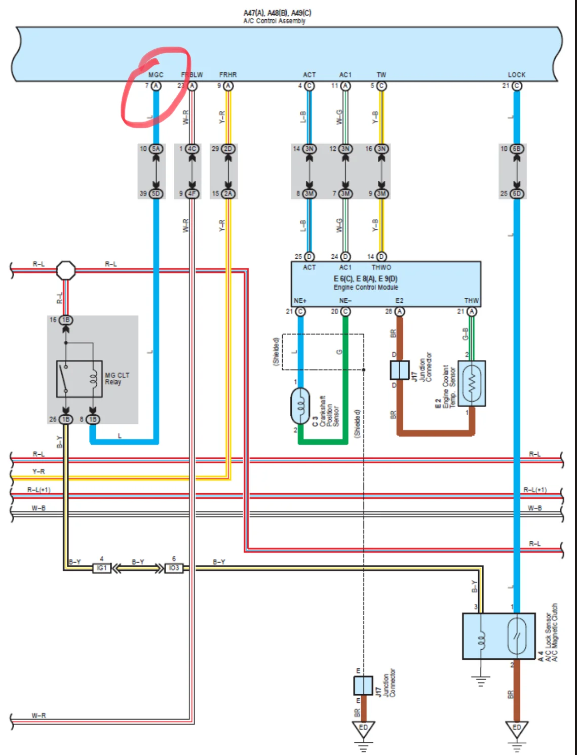
for HDJ100, higher chance that your AC is ACT/AC1 based. 88650-60830 is ACT/AC1 based as well. most likely you don't need convert anything.
 
What about the pressure switch? what does that do exactly?

Are you saying the clutch will forever be engaged? I asked on the phone he (installed) said no about ten days ago. The tell tale should be the rpm bump up and down, or hearing it.
I think you're right though it might be forever engaged. How bad is that? From experience, I know when my pressure is low. Cut off high side is middle three hundreds. Low is something like 37. That will still kill the lock. They way I read the book.
I could be wrong.
I have no reason to take my assembly out and short that wire. Otherwise I would.
with MGC signal ties to ground, pretty much you bypass all the control signal to AC compressor. AC will keep running with the engine. although you may not feel that in the cabin because the AC system controller block the cold air duct with accuator.

Potential issues with this:
1) For very cold weather, the refrigerant may have issue flowing in the system at the start, you could get very high pressure somewhere to cause leakage.
2) no protection for over pressure or under pressure.
3) MPG will be slightly affected.
 
for HDJ100, higher chance that your AC is ACT/AC1 based. 88650-60830 is ACT/AC1 based as well. most likely you don't need convert anything.
I have an issue that the AC pump is not turning on, ac will blow cool not cold and engine rpm don’t dip when the button is pressed
 
for HDJ100, higher chance that your AC is ACT/AC1 based. 88650-60830 is ACT/AC1 based as well. most likely you don't need convert anything.
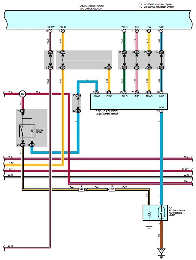
So it looks like my vehicle wiring is A/CS ALED
1707779862455 (1).webp

and you're saying the 88650-60830 Amp board is ACT/AC1 I'll still need to wire in the transistor like your diagram shows?
 
would a relay as a switch for the MGS with a LOCK trigger still maintain the safety system?
What is the quality of the voltage on the LOCK wire?
 
would a relay as a switch for the MGS with a LOCK trigger still maintain the safety system?
What is the quality of the voltage on the LOCK wire?
it would work and I tested with relay method at the beginning. however you dont want to control with LOCK signal since it is a periotic waveform.
 
you got me, I had to google.
Will it work as a solution for 06-7 owners? without bypassing safety?
AND, if it's a solution other than wiring transistors and resistors, can you label
87
30
86
85
So that I could direct people here.
I'm getting hammered every day with 06-07 owners.
 
per my testing, AC/S -> AC1 conversion you can use relay, 85 connects to AC/S and 86 connects to ground, 87 connects to AC1 and 30 to ground.
However it is not working for ACT -> MGC conversion, the ACT has no load capacity, it just cannot drive the normal automobile standard relay.
the Toyota Amp output usually uses open-drain or pull-up MOSFET circuit, using transistor to do the conversion is the correct way.
 
Here’s the update…Justin at Evolution Garage in Tavares, Fl is the man to go to in central Fl if you need help to do the install. As you know I have 88650-60830 AC Amp board and with the help of the one and only Jerry B and Sunfic he was able to get everything working for me. Here’s what he did instead of adding a transistor for the A Amp to get it to work he spliced pin 7 with the blue wire from the connectors circled in the diagram. He was unsure about ACT 4 and TW 5 and just left those. Everything in the truck works as it should even my steering wheel controls as well as the phone mic. Nothing is out of the ordinary except for the ac now shows in Celsius instead of Fahrenheit. I’m not sure how to switch that. Since im in florida i just keep it cold at the moment.
IMG_1209.webp


IMG_1210.webp
 
Nice job. finally I know the difference between 60830 and 60B80.

Still I doubt it may bypass the ECU part (pressure sensor), it is not easy to test, I suggest just use as is.
 
I’ve had a few questions on exactly how Justin hooked this up…
So it’s actually done at the ecm behind the glove box
Pin 31 blue with black stripe gets cut, insulate the wire side coming from the ecm (won’t be used) then cut pin 2 at the ecm blue wire, insulate the wire side coming the ecm (won’t be used) then connect the blue to the blue w/ black stripe together (harness sides NOT the connector sides)
DAD04B8A-8D01-4CFF-B4F7-3D5E1FC13F83.webp
 
Nice job. finally I know the difference between 60830 and 60B80.

Still I doubt it may bypass the ECU part (pressure sensor), it is not easy to test, I suggest just use as is.
Doing some digging, since a lot of people do LS swaps in cars nowadays and they don’t always have a means to wire in the ac, I saw this method-do you think this would add back the protection of the ac pressure sensor…

“Attach one of the blue wires on the Binary switch to chassis ground. Attach the other blue wire to the same pin on the fan relay that the ECU grounds to trigger the relay. This way, if you don't have your AC turned on, the ECU alone controls the fans. If you do have the AC turned on, then both the ECU and the binary switch will control the fans.

2. Install a relay up by the fans. Connect one of the relay common to battery power (fused to run the fans) and the N.O. contact of the relay to the power side of the fan connectors. Connect one side of the relay coil to Ign+. Connect the other side of the relay coil to one of the blue wires on the Binary switch. Connect the other blue binary switch wire to chassis ground. This will supply power to the fans whenever the binary switch is triggered and also still allow the ECU relay to control the fans.”
 
I’ve had a few questions on exactly how Justin hooked this up…
So it’s actually done at the ecm behind the glove box
Pin 31 blue with black stripe gets cut, insulate the wire side coming from the ecm (won’t be used) then cut pin 2 at the ecm blue wire, insulate the wire side coming the ecm (won’t be used) then connect the blue to the blue w/ black stripe together (harness sides NOT the connector sides)View attachment 3608066
1713231433438.webp


you ac amp is like this, basically you connect MGC directly to compressor relay. The polarity is good.
 
Doing some digging, since a lot of people do LS swaps in cars nowadays and they don’t always have a means to wire in the ac, I saw this method-do you think this would add back the protection of the ac pressure sensor…

“Attach one of the blue wires on the Binary switch to chassis ground. Attach the other blue wire to the same pin on the fan relay that the ECU grounds to trigger the relay. This way, if you don't have your AC turned on, the ECU alone controls the fans. If you do have the AC turned on, then both the ECU and the binary switch will control the fans.

2. Install a relay up by the fans. Connect one of the relay common to battery power (fused to run the fans) and the N.O. contact of the relay to the power side of the fan connectors. Connect one side of the relay coil to Ign+. Connect the other side of the relay coil to one of the blue wires on the Binary switch. Connect the other blue binary switch wire to chassis ground. This will supply power to the fans whenever the binary switch is triggered and also still allow the ECU relay to control the fans.”
these may not apply to toyota world. since a lot of time the output just don't have enough driver capabilities, either pull up or pull down.
everything needs test.

Forgot the most important pic…


View attachment 3605939
1713233865451.png


why one button is missed here?
 
these may not apply to toyota world. since a lot of time the output just don't have enough driver capabilities, either pull up or pull down.
everything needs test.


View attachment 3608224

why one button is missed here?
Yes, I didn’t notice it when i sourced and Justin told me when he was installing it didn’t come with the mirror heater button. I’m in Florida so I don’t think i will ever have a problem with frozen mirrors. It was a casualty of “war” LOL
 
I'd bet the button is on the circuit board, you'd have to take it all apart to find out. The 60190 is standard across many countries that I've checked.

I think pressure switch would still work, since it's back to the AC amp and then amp kills the lock SIG, guessing.
134 is too expensive to vent and check.
Yesterday NAPA r134 generic was 16.99
1713270256155.png
 
Back
Top Bottom