Builds Our PanAm rig build thread

This site may earn a commission from merchant affiliate
links, including eBay, Amazon, Skimlinks, and others.

just finished my Warn VR8000 rebuild. There was almost no grease in it, mild surface rust was starting to creep in and the paint was almost completely scraped off the drum by the steel cable. The outside of the drum plate never had paint on them so I took care of that when repainting it with 3 coats of chassis saver aluminum as a primer and 3 coats of chassis saver black on top. My wife can now have her kitchen back!
Any recommendations on a decent affordable synthetic rope?
20151206_170418.webp
20151206_120129.webp
20151210_155626.webp
 
Great write up so far, Subscribed.

I will be doing the same trip next year as well but leaving Calgary in December.
 
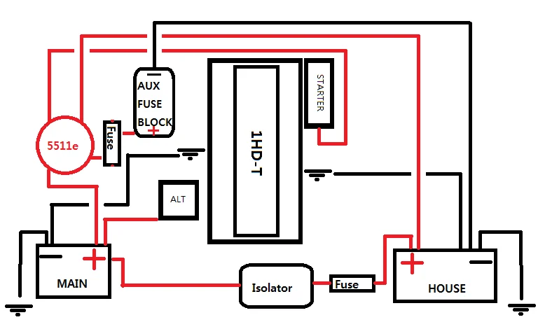
I have been busy with electrical work on the rig.

12V STARTER SWAP

The current 24v starting worked great but the need to have an isolated house battery and the safety factor of being able to self jump-start indicated the needed swap. I kept the driver side battery as the Main (start) and the passenger side as the House (aux).
1-
Disconnect and remove all wires attached to the the 24v starter solenoid located behind the passenger side battery.
Remove the starter solenoid.
20160206_101419.webp


2-
you will be left with 1 grey plug with 2 green wires and 1 white wire with a ring terminal. Cut those 3 wires and connect them all together using a heat shrink/crimp connector.
20160206_104344.webp


3-
Disconnect the starter+ and the small negative connector from the starter. Remove the original starter and replace with 12v version. Connect the negative connector just like the original and run a new cable from starter+ to Main+. (I used 2/0 welding cable for almost all my connections as it was free.)

4-
Ground both batteries to existing body and engine grounds

5-
Connect Main+ to Battery Isolator(I used Battery Doctor 150amp), Battery Isolator to 150amp fuse, Fuse to House+

6-
you will be left with this wire originally connected to passenger side+. Use a heat shrink butt connector and extend it to the Main+ post
20160206_104729.webp


7-
make a new wire from alternator to Main+

I think that's it...
I used a Blue Sea 5511e between the Main+ / starter and the House+ / Fuse box. This allows me to shut everything off with one switch and combine both batteries for self jump-start or winching.
I used dual wall heat shrink on the Full length of all wire and wiring loom almost everywhere.
Tin plated cooper lugs were used throughout.
All the small wires connected to the driver side battery+ will remain connected to the Main+
I used an Eliminator Ultra XD 34/78 AGM battery for the Main and a Nautilus Ultra XD Group 27 AGM Deep Cycle for the House.
 
dual battery.webp


Isolator and Fuse bracket.

20160211_170832.webp


Main
20160211_170652.webp


House
20160211_170807.webp



I am open to constructive criticism. Please chime in if you see possible improvement.
The whole job took me approximately 24h and cost 1700$ Canadian including batteries and starter.
Big thanks to SHREDWagon for his valuable insight and or allowing me to take a peak at his rig!
 
Doing this trip right now in our '94 FZJ80, although we've not yet made it out of the US (waiting for car title). I see that is an RHD truck. I vaguely recall reading that RHD vehicles might not be allowed in some of the Pan-Am countries. Hopefully I am misremembering and that's not the case!

Jealous of your metalworking skills, the bumpers look mean.
 
I saw you driving in Canmore 2 Saturday's ago. Sweet Looking LC!
 
Doing this trip right now in our '94 FZJ80, although we've not yet made it out of the US (waiting for car title). I see that is an RHD truck. I vaguely recall reading that RHD vehicles might not be allowed in some of the Pan-Am countries. Hopefully I am misremembering and that's not the case!

Jealous of your metalworking skills, the bumpers look mean.


Some are getting thru, some are not. Costa Rica started to enforce the RHD rules fairly recently. I learnd about it after I purchased the truck.
This is why I am starting to look into a LHD conversion..... More $$$$$$$$$
 
recently done PanAm in 97' petrol 80. Only mechanical issues was replacing fuel pump.
Ping me if specific ?'s
 
Does it look like this would be a wiring harness for extra lights on the hdj81 bumper? Is it factory? (see pics bellow)
20151205_132922-1-jpg.1171565

Not sure if you already figured this out but Cibie is/was a lighting manufacturer. Probably where your headlights came from. But it is aftermarket for sure.
 
Time for quick update.
I took advantage of the great weather we been having here in Alberta to work on the rig.

-Deleted the rear heater and all the related coolant hose (All the hard lines and the heater is for sale. Pm me for info).

-Finished the Blue Sea fuse box install under the drivers seat
20160228_175918.webp



-Added a Blue Sea 12v socket to the back of the center console and wired it with 10g wires and heat shrink push on quick connectors and ring terminals. Used a 15A Fuse to match the max rating of the plug. This will be used for the fridge behind the drivers seat.
20160228_175712.webp



-Installed a USB socket, 12v socket and volt meter unit to the shifter console. Wired with 14g wires, 2A fuse for the usb and the volt meter and 10A for the 12v socket. These will be used for charging our electronics(Phone, tablet, GPS) and keeping track of the charge on the house battery.
20160228_175756.webp



-Fabricated some brackets from 1.5" angle to mount the ARB 2500 awning with awning room
20160305_124226.webp
20160305_124250.webp



-Prepped the whole rack for painting by removing all oxidation on the aluminum with a wire brush.

Next:

- Wrap up winch install
- ARB compressor install
- Sliders
 
Not sure if you'very figured out the synthetic rope for the winch, but it is usually amsteel, bought at marine supply stores. There are plenty of charts to help you decide the diameter. You can also feed it through itself to make strong and seamless splices.

I was in ushuaia a couple weeks ago. Saw a 70 series at the end of Route 3, but no 80's. Good luck.
 
I like your front bumper. VERY nice looking quality and great design. But i do have a little criticism. What you designed is more along the design of the Slee Short bus and what is becoming popular for sure over the "old style" ARB with large high bars in front. But i think for your use that is what you need. You have real long distance "expo" travel in remote areas in mind. An animal strike could cripple you by cracking a radiator or headlights if it flipped the animal up over your bumper. I would want the bars up high like a TJM or ARB. I think your trip is one of the few reasons to actually need that type of protection. Animal strikes in cars will often through the animal into the windshield. So it is reasonable to think the animal could come over your bumper into the grill area. Just my opinion.

But honestly you have a VERY nice build going.
 
Not sure if you'very figured out the synthetic rope for the winch, but it is usually amsteel, bought at marine supply stores. There are plenty of charts to help you decide the diameter. You can also feed it through itself to make strong and seamless splices.

I was in ushuaia a couple weeks ago. Saw a 70 series at the end of Route 3, but no 80's. Good luck.
This is exactly what i did for the rope. I also added 3 10' section of 1" tubular webbing; one right the drum end of the rope to protect from heat, one at the hook end of the rope to protect from abrasion and dirt and the last section was used just behind the front section as a "floater" to locate where the rope would be rubbing wile winching.
 
I like your front bumper. VERY nice looking quality and great design. But i do have a little criticism. What you designed is more along the design of the Slee Short bus and what is becoming popular for sure over the "old style" ARB with large high bars in front. But i think for your use that is what you need. You have real long distance "expo" travel in remote areas in mind. An animal strike could cripple you by cracking a radiator or headlights if it flipped the animal up over your bumper. I would want the bars up high like a TJM or ARB. I think your trip is one of the few reasons to actually need that type of protection. Animal strikes in cars will often through the animal into the windshield. So it is reasonable to think the animal could come over your bumper into the grill area. Just my opinion.

But honestly you have a VERY nice build going.

Great point.
I will definitely consider that if I have time to revisit the bumper before the trip.
Thanks for the kind words!
 
This build & trip is so awesome.... subscribed!
 
Finally done with the winch! Made a bracket to mount the control box in the front and an Anderson plug to make winch/bumper removal easier. I also spliced and installed a 90ft amsteel blue 3/8 winch line. Added wiring loom and heat shrink to all the factory warn wires for added protection.
20160306_162341.webp
20160306_162353.webp
20160306_162419.webp
 

Users who are viewing this thread

Back
Top Bottom