OEM Subtank Retrofit/Install Project With Pics

This site may earn a commission from merchant affiliate
links, including eBay, Amazon, Skimlinks, and others.

Correct @cruiserdan , it's like the one on the left in Logic's photos. Is this an older style or something?
It's like the neck on my JDM 1988 BJ74. FJ60s used a similar cap.
I believe a 77310-35061 would work for you. It is also labeled diesel.
 
It's like the neck on my JDM 1988 BJ74. FJ60s used a similar cap.
I believe a 77310-35061 would work for you. It is also labeled diesel.
Sweet, thanks for the assistance Dan! :)
 
Whoa ... 21 pages and still going strong. Glad I just bought this 80 @elmariachi built instead of trying to do it myself. Filling up both tanks now is problem enough:rofl:

BillyBully 2020 07 05 group.webp
 
after going threw every post on the roof console all i need is a pic off a 1990 80 that has the soft roof and pillars with the roof lining removed so i can mount the console front screws mount good but i have a non sun roof aussie spec model with the black mounting bracket doing the wiring isn't a problem as im gonna remove the sub tank gauge and replace it with a lpg (propane for the sepo's) gauge and the altimeter will be removed to fit some switches or gauges (haven't decided yet to move some switches or temp and egt gauges yet) i have the sun visors to suit the console my sub tank is LPG so wiring and the tank is already there looks like i dont have the rear mount console mount points so might make something up my self just need a good pic of whats there on a 1990 non sun roof model
 
Does anyone have the part number of the solenoid that is that controls the fuel pump? I can't seem to find it on this thread. Most of the ones I see on the internet are for the LC100 which has 3 barbs. Thanks in advance for the info.
 
Does anyone have the part number of the solenoid that is that controls the fuel pump? I can't seem to find it on this thread. Most of the ones I see on the internet are for the LC100 which has 3 barbs. Thanks in advance for the info.
Not sure if this is what you are asking for - here is the solenoid valve: 77710-60080
 
Last edited:
Hi guys. Currently installing sub tank to my 80. It's an Australian model so most of the stuff is there however I'm having issues with the wiring from the sender in the sub tank.
From my reading it appears there should be a cable from the 3 pin triangle plug (the sub tank sender) up to the controller in the rear panel? If anyone could confirm or even take a photo of where exactly the cable runs that would be amazing!
Thanks in advance.
 
The connector that clips to the short 3-wire plug of subtank is located as indicated by the red arrow below. This does in fact run up to the fuel transfer computer on left side just below the third row (if installed) window. Do you have this connector present? What about for the fuel transfer computer behind the panel of 3rd row?
1671470238940.webp
 
The connector that clips to the short 3-wire plug of subtank is located as indicated by the red arrow below. This does in fact run up to the fuel transfer computer on left side just below the third row (if installed) window. Do you have this connector present? What about for the fuel transfer computer behind the panel of 3rd row?
View attachment 3196921
I have a cable that runs to this area but it is a 6 pin plug. Is there another short lead that I'm missing?
 
Yes - There is a short length harness that connects to the level switch of subtank to the vehicle harness. Vehicle is in fact a 6-pin connector. The short harness has a 6-pin end and a 3-pin end. Last photo of the short length harness. Part number 82169-60020. Likely very easy to source locally in Australia.


0584B16A-E0A5-477B-A9E6-570570A47227.png


1B69E5A6-8F61-4A17-BA0A-4AC324424C9B.png

3CC8EC30-874E-497A-8E31-1D072183BD64.png

post-842-0-87727600-1349868457.jpg
 
Yes - There is a short length harness that connects to the level switch of subtank to the vehicle harness. Vehicle is in fact a 6-pin connector. The short harness has a 6-pin end and a 3-pin end. Last photo of the short length harness. Part number 82169-60020. Likely very easy to source locally in Australia.


View attachment 3196939

View attachment 3197050
View attachment 3196940
post-842-0-87727600-1349868457.jpg
You are an absolute legend. I will hunt one of these down. Thankyou so much!
 
Yes - There is a short length harness that connects to the level switch of subtank to the vehicle harness. Vehicle is in fact a 6-pin connector. The short harness has a 6-pin end and a 3-pin end. Last photo of the short length harness. Part number 82169-60020. Likely very easy to source locally in Australia.


View attachment 3196939

View attachment 3197050
View attachment 3196940
post-842-0-87727600-1349868457.jpg
Incase I can just wire one up myself would you have the pin outs or an electrical diagram for this lead?
 
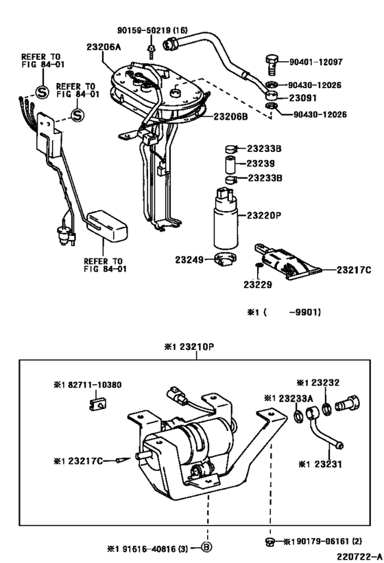
I have been trying to look for a source for the fuel transfer pump but cannot find any stock with any seller. Does anyone have any leads for a new or used one? Or, is there a replacement pump that has the same dimensions and pumping capacity. Thanks in advance for any leads.
 
Short jumper harness (82169-60020) -> though may not be available from Toyota or used, I am certain that we can still obtain the connectors and make our own. I will check my harness for part numbers and share with the group. You can order the connectors and make your own.

Regarding the transfer pump - Used pumps are 25+ years old. Ideally a new one would be the ticket. Just like other parts from Toyota, it's very well designed and probably will last 50 years considering the occasional use.
It's a very simple system that can be duplicated with new parts using existing wiring. You will just need to make a decision on mounting.
 
713f3806db9f47eff1cade751ba39d30.png

Is the lower assembly what you are looking for?
I believe it is a 23210-66040. It is expensive, but it looks like you could buy one here.

This is the kind of thing you probably could find in a scrap yard in markets that had the dual tanks. I agree with LBR immediately above, that it would be practical to cobble one from substitute parts.
 
Short jumper harness (82169-60020) -> though may not be available from Toyota or used, I am certain that we can still obtain the connectors and make our own. I will check my harness for part numbers and share with the group. You can order the connectors and make your own.

Regarding the transfer pump - Used pumps are 25+ years old. Ideally a new one would be the ticket. Just like other parts from Toyota, it's very well designed and probably will last 50 years considering the occasional use.
It's a very simple system that can be duplicated with new parts using existing wiring. You will just need to make a decision on mounting.
That would be awesome if you can get part numbers and the pin outs I'm quite happy to make my own. Cheers
 
That would be awesome if you can get part numbers and the pin outs I'm quite happy to make my own. Cheers
I am in the middle of a new shop build and my cruiser parts are in storage. Hard to get to the subtank items.
If you have your subtank readily available - take a look at the 3-pin connector for a 5-digit part number. Do the same for truck side 6-pin connector. We can cross reference it for the matching connector.
 
713f3806db9f47eff1cade751ba39d30.png

Is the lower assembly what you are looking for?
I believe it is a 23210-66040. It is expensive, but it looks like you could buy one here.

This is the kind of thing you probably could find in a scrap yard in markets that had the dual tanks. I agree with LBR immediately above, that it would be practical to cobble one from substitute parts.
I tried to buy one from cruiserparts, they can not source the part any more.
 
Back
Top Bottom