no throttle response

This site may earn a commission from merchant affiliate
links, including eBay, Amazon, Skimlinks, and others.

Joined
Nov 7, 2008
Threads
17
Messages
58
Location
SE Tennessee
97 TLC. Essentially unmodified from stock, but massively reconstructed...frame swap etc, so if there is something wrong, its likely my doing. Yes, it ran before the teardown.

So I've got the beast all back together from frame swap and professional head rebuild. Engine starts and idles nicely....but totally ignores throttle inputs.....just keeps idling. No CELs either. If I hold the throttle open eventually its stalls. Is this a known issue, anyone else experienced? Any suggestions on where to begin to diagnose?

Of course the entire engine harness was disconnected to get the body off the frame and to remove the head. Carefully. All of it. And reconnected carefully. Only thing I did with the harness was add some additional protection around the big bundle where it passes by the EGR tube. I have pulled and inspected the connectors for the IAC, TPS and the other connector next to those 2, no obvious issues.

Shouldn't I be getting a CEL? Any thoughts or suggestions would be appreciated. Search didn't seem to find anything applicable, but maybe I'm not looking for the right nugget.
 
I have a FSM (paper) but no EWD. I have checked the TPS per the procedure in the manual and it checks OK. I have traced the 4 wires from the TPS to connector E5 on the ECU. I have connectivity from the TPS plug wire to the same color wire on the E5 connector EXCEPT for the G-W wire (green with white tracer) which the FSM says is "IDL" (dunno what that means if anything). That wire goes to E5 connector terminal # E5-11.

TPS Pin ECU Color
============================
VC E5-1 Red-Silver
VTA E5-10 Grn-Black
IDL E5-11 Grn-White
E2 E5-9 Brown(BR)-Black

PXL_20240106_175137950.webp

PXL_20240106_175204067.webp

Question:
SHOULD I have connectivity between the 4 wires (individually) and their same color counterpart on the ECU connector?

Can someone look at the wiring diagram and confirm for me that these 4 wires go from the TPS connector to the ECU E5 connector and not through any switches or other stuff??

And if I do have a wirebreak, any suggestion on how to find it without opening up the entire harness?
Any advice on this would be appreciated.
 
You can download the
I have a FSM (paper) but no EWD. I have checked the TPS per the procedure in the manual and it checks OK. I have traced the 4 wires from the TPS to connector E5 on the ECU. I have connectivity from the TPS plug wire to the same color wire on the E5 connector EXCEPT for the G-W wire (green with white tracer) which the FSM says is "IDL" (dunno what that means if anything). That wire goes to E5 connector terminal # E5-11.

TPS Pin ECU Color
============================
VC E5-1 Red-Silver
VTA E5-10 Grn-Black
IDL E5-11 Grn-White
E2 E5-9 Brown(BR)-Black

View attachment 3526309
View attachment 3526310
Question:
SHOULD I have connectivity between the 4 wires (individually) and their same color counterpart on the ECU connector?

Can someone look at the wiring diagram and confirm for me that these 4 wires go from the TPS connector to the ECU E5 connector and not through any switches or other stuff??

And if I do have a wirebreak, any suggestion on how to find it without opening up the entire harness?
Any advice on this would be appreciated.
You can download the EWD from the RESOURCES section above.
 
You can download the EWD from the RESOURCES section above.
OK, thanks, progress. I had searched for it but was only looking in this forum. The 3 wires of the TPS other than the E2 are shown as direct connection to the ECU. So no connectivity to for the IDL lead from TPS to ECU would seem to be at least part of my problem.

Should I run a 16AWG wire from the TPS IDL lead around to the ECU to verify?
 
The IDL circuit tells the ECU that the throttle is fully closed (at idle) by connecting it to ground at E2. If there is no continuity, indicating an open circuit, the ECU would think the throttle is open all the time. Since this does really not match your symptoms, it is more likely that the wire is broken and shorted to ground somewhere along its length.

To make a temporary repair for testing, you could de-pin the wire at E5-11 and initially try running with that circuit opened. If there is no change, then you can try running a new wire between the two points.

It would be tempting to leave the new wire in place and at times, that would be a professional level repair, but if you have one wire shorted, there is a high likelihood of others. You'll probably want to dig into that harness and inspect the known problem areas.
 
I would definitely check the by just jumpering the wire through the back shell with a small piece of safety wire if you have it. That circuit is low current. My bet is the wire harness near the EGR basically baked some of those outer wires and when they were flexed and moved caused a break.

Have you hooked a code scanner up to see if any codes have been thrown that maybe are not triggering a CEL?

ecu.JPG


tps1.JPG


tps.JPG
 
Last edited:
OK, progress but no progress. The broken wire issues have been fixed. I confirmed by OBD-II gauge showing apparent correct throttle position. But the same symptoms persist, no throttle response, no CELs. Where do I go next?
 
Im starting to think there's insufficient fuel pressure. I can't think what else could make the bloody thing idle but ignore throttle inputs. If the throttle is very slowly opened, the engine will increase maybe 200 or 300 RPM and then stay there no matter how much the throttle is opened. If the throttle is left open for more than a few seconds, she sputters and dies.

I removed the fuel return hose from the pressure regulator and temporarily ran it into a catch can. As soon as I start the engine, I get a strong flow of fuel out of the regulator into the return line, so I know the pump is working. But I cant test the pressure that the injectors are actually seeing.

How can I test fuel pressure without a Toyota SST that costs over $500? I found this double banjo bolt and Amazon has a M12 and M14 banjo fitting set for $14. So I would be $50 into a usable fuel pressure gauge tool. Thoughts?

Im open to any suggestions. This thing is baffling and frustrating.
 
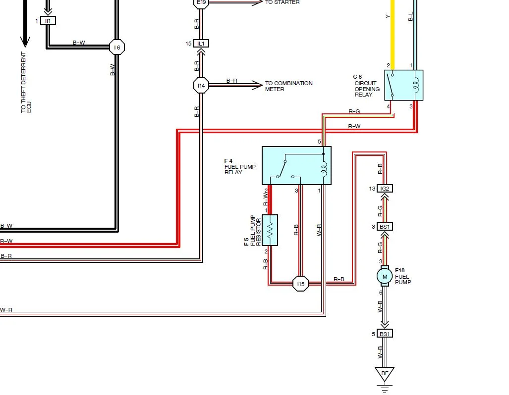
I was thinking the same thing, to be fuel as its one of the few things that will not trip a code. Have you tried to bypass the the whole relay and fuel pump resistor and put 12v at the pump?

fuel.webp
 
OK, progress but no progress. The broken wire issues have been fixed. I confirmed by OBD-II gauge showing apparent correct throttle position. But the same symptoms persist, no throttle response, no CELs. Where do I go next?
Confirming by measuring throttle angle on the scan tool does not verify that the IDL circuit is working correctly. The IDL circuit is needed for the ECM to advance the timing. It must be a closed switched (continuity to ground) with the throttle closed and an open switch (infinite resistance) when the throttle is cracked open.

If that signal is good, here are a couple others which may cause your symptoms: Engine Coolant Temperature, Mass Airflow. These can be monitored with a scan tool and compared with the Engine Operating Condition chart on Page DI-11 of the FSM. Either could be reading incorrectly, but not enough to set a DTC.

Lack of fuel may be an issue, but also remember to check for a lack of airflow, both into and out of the engine. Could a rag or other plug have been used to block off the intake tube while it was apart? Did something fall into the exhaust pipe?
 
Confirming by measuring throttle angle on the scan tool does not verify that the IDL circuit is working correctly. The IDL circuit is needed for the ECM to advance the timing. It must be a closed switched (continuity to ground) with the throttle closed and an open switch (infinite resistance) when the throttle is cracked open.

If that signal is good....
I have verified that at the ECU connector.
......here are a couple others which may cause your symptoms: Engine Coolant Temperature, Mass Airflow. These can be monitored with a scan tool and compared with the Engine Operating Condition chart on Page DI-11 of the FSM. Either could be reading incorrectly, but not enough to set a DTC.
I'll chase these next. I wish I had a Toyota handheld tester.

Im also gonna throw a Fuel Pressure Regulator on it. Can't hurt (except my wallet).
 
Back
Top Bottom