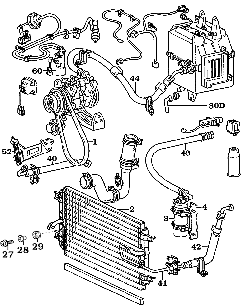
3FE - Need a good view of the PS belt tensioner & AC belt tensioner

This site may earn a commission from merchant affiliate
links, including eBay, Amazon, Skimlinks, and others.

edit, stud and nut...
 
look at these...

I tried...I really did try...but I kept getting distracted somehow...my attention kept drifting towards drinking a Sierra Nevada Pale Ale...for some reason...

Are you sponsored by Sierra Nevada, LAMBCRUSHER? If so, nice product placement...

For a while there, my wardrode was partially 'sponsored' by Heineken, since I kept on winning free Heineken t-shirts at local bars...and I don't even have a taste for Heineken...apparently just a taste for winning...but their t-shirts fit well enough...
 
Last edited:
this one looks like it mounts to the same boss as the motor mount, which is NOT what I've got; but cool nontheless; and even more cornfusing
053B1.gif
 
sponsor, not sponsored by-it's noon somewhere, right?. I also sponsor big oil.;)
 
Ah, so there is a pulley on the AC compressor mounting bracket?

And then a separate tensioner pulley for the PS belt?

Thanks!

What year is your 3FE?

Yes

Yes

Happy to help

Model year 1990, but I'm also currently rebuilding an 88 (I think) that has the same two pulleys.
 
look at these...the fj80 mount and ac bracket with fj80 idlers. the horizontal sliding idler is similar tView attachment 949446 View attachment 949447 View attachment 949448 View attachment 949449 View attachment 949450 o the fj62, which was hard to take shots of buttoned up. the lower fj80 ac idler is very different than the fj62 ac idler, which is mounted to the ps bracket and the ac bracket and slides vertically, as I said above. the fj80 bracket also has an additional idler fixed to the ac bracket which the fj62 does not. BUT, the fj62 does have 2 separate idlers and brackets...note the different bolt pattern on the ac mount for the pump, and the stepped bosses where it bolts to the ps bracket

Jinkees, that 80 series set-up looks like a beast! I have to say I am happy to have what looks like a little lighter solution.

Beno, perhaps your system has the 2 set-ups inverted?
 
Yes

Yes

Happy to help

Model year 1990, but I'm also currently rebuilding an 88 (I think) that has the same two pulleys.

Thanks, based on what I am seeing here from real pics, the belt layouts that beno is showing appear to incorrectly labeled.
 
Last edited:
Just for more confusion, my 1989 FJ62 is not at home, but I am certain it has 2 idler pulleys. The reason is, I recently replaced the bearings in both of them. So the set up is more like Beno shows for the later 3FE.

Part #s on those bearings? I think I will replace mine (pre-emptively). One I get all this to fit in a 55, I do not want to monkey with it too many more times...
 
Part #s on those bearings? I think I will replace mine (pre-emptively). One I get all this to fit in a 55, I do not want to monkey with it too many more times...

I used NSK bearing: 6301 - DDU3.NSK also on the box is 6301-2RSC3.NSK2

I bought them on Amazon. The same bearing fits both pulleys. I would avoid the cheap Chinese 6301s on ebay.
 
I used NSK bearing: 6301 - DDU3.NSK also on the box is 6301-2RSC3.NSK2

I bought them on Amazon. The same bearing fits both pulleys. I would avoid the cheap Chinese 6301s on ebay.

Are they sealed? Not shielded, but sealed?

Thanks.
 
Yes-sealed, high temp, high load etc. Better than what came out. The one pulley has a snap ring and is easy to change the bearing. You will need to get creative with the other. I ground off the tiny tabs with a dremmel, pressed out the bearing and then drove the cover back in and secured the cover with 3 tiny spot welds. Sounds worse than it is.

There are piles of 6301 bearings. It's a very standard size. I ended up choosing the most durable sounding ones, that can take high heat too. Changing $10 bearings was easier than swapping $35 pulleys, which are not available from Toyota any longer. THe NSKs are made in Japan, sounded like the thing at the time and I've had no issues in 6 months. Time will tell, but I could swap again in a couple of hours so I'm not worried.
 
Jinkees, that 80 series set-up looks like a beast! I have to say I am happy to have what looks like a little lighter solution.

Beno, perhaps your system has the 2 set-ups inverted?

Possibly. I need to check my pics of the FJ80 I had at my house for bit....

Not the first time the EPC has been wrong.
 
Yes-sealed, high temp, high load etc. Better than what came out. The one pulley has a snap ring and is easy to change the bearing. You will need to get creative with the other. I ground off the tiny tabs with a dremmel, pressed out the bearing and then drove the cover back in and secured the cover with 3 tiny spot welds. Sounds worse than it is.

There are piles of 6301 bearings. It's a very standard size. I ended up choosing the most durable sounding ones, that can take high heat too. Changing $10 bearings was easier than swapping $35 pulleys, which are not available from Toyota any longer. THe NSKs are made in Japan, sounded like the thing at the time and I've had no issues in 6 months. Time will tell, but I could swap again in a couple of hours so I'm not worried.

Thanks. I was wondering if those pulleys were still available. Sounds like the one will take a little work...
 
I was able to find what looks to be the correct AC compressor bracket mount from a fellow Cruiserhead.

It was carefully preserved in the OEM specified shmeg, so I set about cleaning it up a little and I noticed that the tensioner bolt was bent. Then when I looked a little close I am not sure that the tensioner set-up is as the factory designed. Something looks a little off to me...

Can anyone with this style 3FE comment?

Thanks!

10-11-14 010.webp
10-11-14 011.webp
 
yeah, thats the one...I could see the lock nut and cap nut- those are right; I verified the trunion via brail. it is right as well...
 
yeah, thats the one...I could see the lock nut and cap nut- those are right; I verified the trunion via brail. it is right as well...

Thanks. So to set tension, you run the bolt head from below, and then lock in place by setting lock nut and then tightening the nut on the pulley. This is gonna be difficult for my big hands to get into.

What is purpose of cap nut?

Looks like all I need is a tensioner bolt that is not bent...
 
You can recreate that tensioner bolt easily at a hardware store, I'm going to guess M10-1.25 as most powertrain bolts are.
 
the locknut and cap nut don't have to be adjusted, they stay at the end of the bolt. the head of the bolt gets turned via a long extension and attack from below. once tension is set, the pulley bolt gets tightened and that's it. but, yeah, that is the one bottle-necked area of the whole engine compartment. I think it is best to do without ps pump mounted.
 
Back
Top Bottom