ECU power

This site may earn a commission from merchant affiliate
links, including eBay, Amazon, Skimlinks, and others.

Joined
Jan 5, 2005
Threads
270
Messages
5,518
Location
Rogersville, Mo.
I am trying to see if I am getting power to my ECU and I can't find the past post to the page in my FSM that shows which terminal on the harness going into the ECU is power. Much time spent trying to refine pic I though I saved but if you don't label the search exactly the same you don't get the same results
 
There are multiple. This is for a LX450.

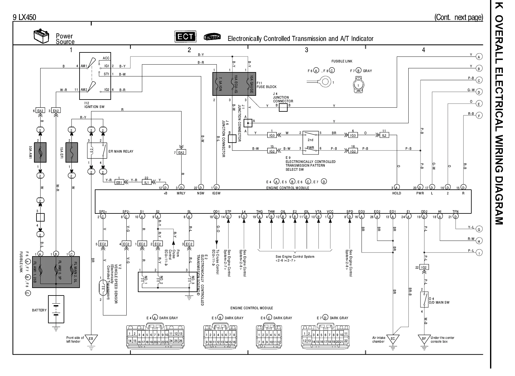
This is the simplified view. It does show power and the connectors. There is a more complete view earlier in the FSM.
1705606808287.webp
 
I am trying to see if I am getting power to my ECU and I can't find the past post to the page in my FSM that shows which terminal on the harness going into the ECU is power. Much time spent trying to refine pic I though I saved but if you don't label the search exactly the same you don't get the same results
From the Toyota EWD which you can download from the resources section...
The ECU gets +12 on several pins, depending on the ignition key position.
Constant +12: E7 pin 2
Ignition on: E7 pin 1
Ignition on/EFI relay closed: E7 pin 12
 

Attachments

Last edited:
I'm sure you already know this but the easiest check is to see if your CEL is on with key on. Of course, if it doesn't come on it doesn't answer any questions (burnt bulb, no constant power to ECU, no switched power to ECU, or a combination).
 
I have the fsm and the diagrams. I'm recently saw a picture of the wire harness where it plugs into the ecu. The picture labeled which pole you test to see if your getting power to the ecu. I do know how to check if the truck is connected to the ecu but that doesn't tell me if the ecu is bad or if it's not getting power.
 
I have the fsm and the diagrams. I'm recently saw a picture of the wire harness where it plugs into the ecu. The picture labeled which pole you test to see if your getting power to the ecu. I do know how to check if the truck is connected to the ecu but that doesn't tell me if the ecu is bad or if it's not getting power.
I gave you the 3 pins to check in post #3 along with the complete schematic for the ECU. Is there something else you're looking for?
 
Have you connected an OBD II reader? If it is able to talk to the ECU, then the ECU has power.

OBD II port = "DATA LINK CONNECTOR 3" in the FSM

There is also the "DATA LINK CONNECTOR 1", which is on the firewall, and it also has some connections to the ECU.

The other way is to pull the ECU, and probe the wiring harness connectors. In my original post, I show the connectors (A,B, C, D) and the ECU wiring for those connectors.

Page IN−16 of my LX450 manual shows how to troubleshoot the ECU.
 
I gave you the 3 pins to check in post #3 along with the complete schematic for the ECU. Is there something else you're looking for?
Your post should be what I'm looking for. Just had to have someone help me understand it completely . I now know what Im looking for. Thank you
 
I do appreciate the suggestions but the reason I limited my question is because I have gone down all the testing to understand that I am not getting connection to the ecu. I have tested and replaced the EFI relay and fuses in the fender and drivers compartment. I have checked and replaced just to be sure the fusible links. I have power across all of them. I have removed my ECU and tried in in another truck with success. I am now trying to see if I am not getting power to the ECU. I have no check engine light and my ODB reader is not connecting to the ECU so Im on the correct path.
 
From the Toyota EWD which you can download from the resources section...
The ECU gets +12 on several pins, depending on the ignition key position.
Constant +12: E7 pin 2
Ignition on: E7 pin 1
Ignition on/EFI relay closed: E7 pin 12
This was perfect. Exactly what I was looking for. No power on any of the 3 so I am narrowing down issue. Thank you @jonheld
 
This was perfect. Exactly what I was looking for. No power on any of the 3 so I am narrowing down issue. Thank you @jonheld
If you're not getting constant +12 at E7 pin 2, then your 15 amp EFI fuse is blown or your MAIN fusible link is blown. Please verify +12 at the brass terminal screw (#4 in the image). That is the feed to the relay box from the fusible link. Then verify +12 to the 15 amp EFI fuse.
If those 2 are good, then check connector EA2 under the relay box.

1705940453595.webp


1705940580623.webp


1705940399688.webp
 
If you're not getting constant +12 at E7 pin 2, then your 15 amp EFI fuse is blown or your MAIN fusible link is blown. Please verify +12 at the brass terminal screw (#4 in the image). That is the feed to the relay box from the fusible link. Then verify +12 to the 15 amp EFI fuse.
If those 2 are good, then check connector EA2 under the relay box.
I have check 15 amp EFI fuse and it's good. Replaced anyway. I have power at the 15amp fuse. I have check all 3 fusible links and they are good. Replaced with my new spare anyway. I replaced the EFI relay just to be safe. I have power on EFI relay #2.

I have not checked brass terminal screw as the truck and trailer is currently covered in Ice. Will do that next along with connector EA2 when I get it thawed
 
I have check 15 amp EFI fuse and it's good. Replaced anyway. I have power at the 15amp fuse. I have check all 3 fusible links and they are good. Replaced with my new spare anyway. I replaced the EFI relay just to be safe. I have power on EFI relay #2.

I have not checked brass terminal screw as the truck and trailer is currently covered in Ice. Will do that next along with connector EA2 when I get it thawed
The EFI relay is not in play at this point as the ECU is essentially dead and can't energize the EFI relay.
Constant +12 to the ECU E7 pin 2 comes directly from the 15 amp EFI fuse through connector EA2 pin 2 (red wire/yellow stripe).
I would be checking continuity between ECU E7 pin 2 and the 15 amp EFI fuse.
Without constant +12 at that pin you have a 6000 lb paperweight.

I am also assuming that you know how to use a multimeter and you have a good ground for the meter when testing.
 
Do you have to remove relay box to get at the EA2 connector?
 
Back
Top Bottom