Hey everyone,
I know there's great threads in the 60 series section on desmogging, but they mostly deal with FJ60s. I have a '77 Federal spec FJ40 and want some input if I'm going about this properly. So I've scanned some pages out of the Emissions FSM and used Paint to remove what I think needs to be removed.
First, here is the emissions diagram:
I think I want to remove the Air Pump (already done), EGR cooler (already done), EGR valve (already done), air by-pass valve (ABV) (already done), air rail (already done), and I think the vacuum switching valve (VSV) (for spark control (SC) system), the vacuum control valve (VCV) No. 2, VCV No. 1, the bimetal vacuum switching valve (BVSV), and the vacuum transmitting valve (VTV). The VSV for SC and VCV No. 2 I'm not sure about. I think I want to keep the throttle positioning (TP) system and the VSV for TP & EVAP. This is all from reading the emissions manual, so if I'm wrong and I'm keeping systems I don't need or I'm getting rid of systems I want please let me know.
Anyway here's what I come up with schematically by removing these components:
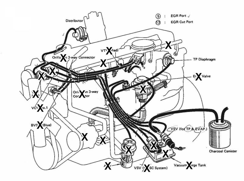
Here's an isometric view of the whole emissions system:
Here's what I think I need to delete:
And here's what I think it will look like when I'm done (also notice that I have a fully electronic ignition with the later style distributor. This means that the cap is vented. I have a line running to the glovebox with a filter attached, and the other end running to the air cleaner. I have heard that running it directly to the air cleaner can cause a distributor explosion if fuel vapors reach their way into the dizzy. So does anybody have any suggestions on how to run this so that doesn't happen? On FJ60s the line is run to a VCV I think; do I need to tie-in to my VCV No. 1 somehow to make that happen?):
Any suggestions or recommendations? What's the deal with rebuilding the carburetor and distributor for non-smog service? I don't understand why, especially, the distributor needs to be re-curved, or what that even means.
Thanks
I know there's great threads in the 60 series section on desmogging, but they mostly deal with FJ60s. I have a '77 Federal spec FJ40 and want some input if I'm going about this properly. So I've scanned some pages out of the Emissions FSM and used Paint to remove what I think needs to be removed.
First, here is the emissions diagram:
I think I want to remove the Air Pump (already done), EGR cooler (already done), EGR valve (already done), air by-pass valve (ABV) (already done), air rail (already done), and I think the vacuum switching valve (VSV) (for spark control (SC) system), the vacuum control valve (VCV) No. 2, VCV No. 1, the bimetal vacuum switching valve (BVSV), and the vacuum transmitting valve (VTV). The VSV for SC and VCV No. 2 I'm not sure about. I think I want to keep the throttle positioning (TP) system and the VSV for TP & EVAP. This is all from reading the emissions manual, so if I'm wrong and I'm keeping systems I don't need or I'm getting rid of systems I want please let me know.
Anyway here's what I come up with schematically by removing these components:
Here's an isometric view of the whole emissions system:
Here's what I think I need to delete:
And here's what I think it will look like when I'm done (also notice that I have a fully electronic ignition with the later style distributor. This means that the cap is vented. I have a line running to the glovebox with a filter attached, and the other end running to the air cleaner. I have heard that running it directly to the air cleaner can cause a distributor explosion if fuel vapors reach their way into the dizzy. So does anybody have any suggestions on how to run this so that doesn't happen? On FJ60s the line is run to a VCV I think; do I need to tie-in to my VCV No. 1 somehow to make that happen?):
Any suggestions or recommendations? What's the deal with rebuilding the carburetor and distributor for non-smog service? I don't understand why, especially, the distributor needs to be re-curved, or what that even means.
Thanks
Last edited:
