need help lx 570 seat swap.

This site may earn a commission from merchant affiliate
links, including eBay, Amazon, Skimlinks, and others.

Joined
Sep 26, 2020
Threads
16
Messages
91
Location
virginia
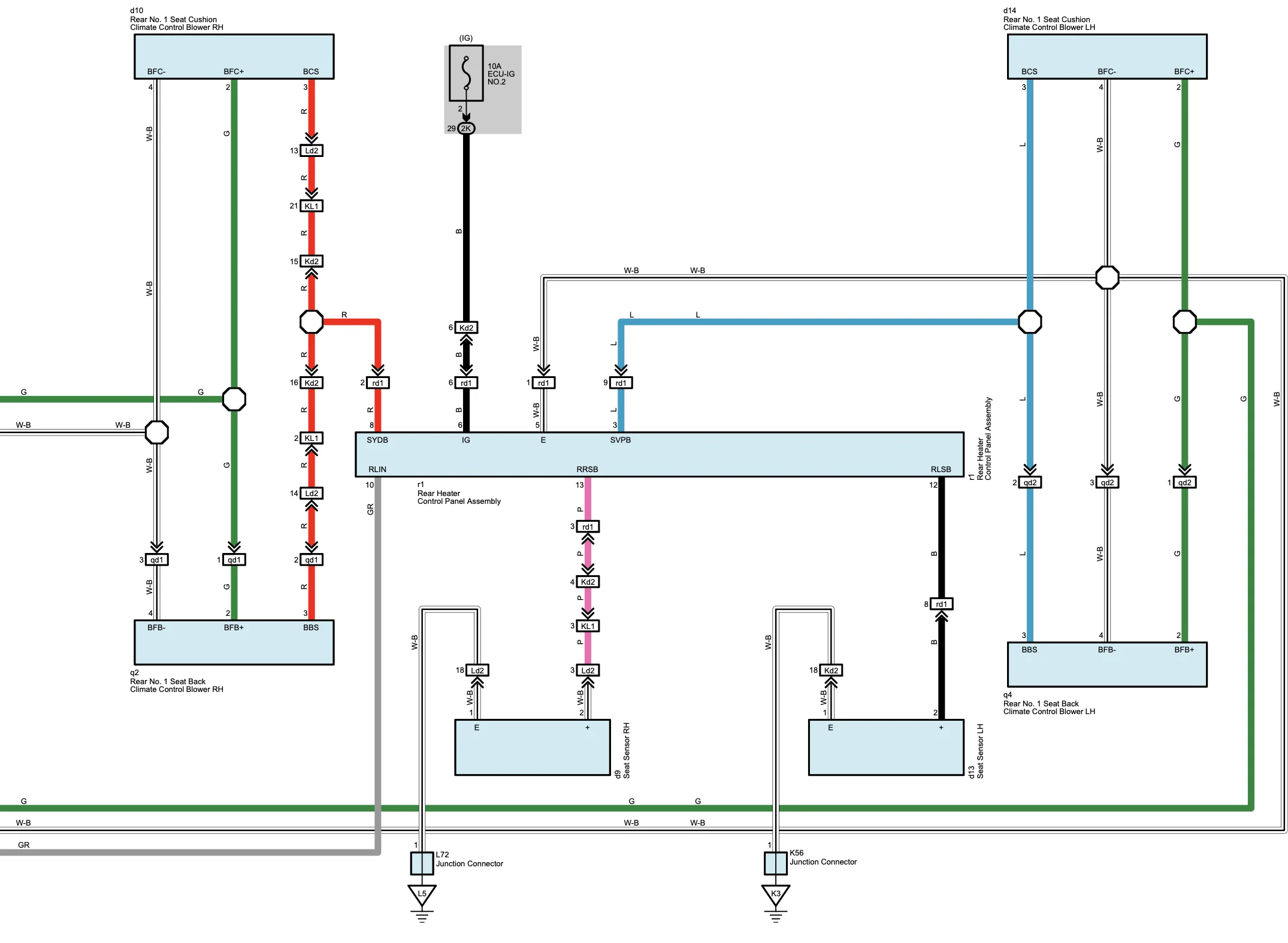
I finished swaping my 2019 LC seat to a 2021 LX seat. everything work and fit perfectly and is a must upgrade if you ever own a lx and them a lc. to finished the installation I need to power the second row seat slider. the lc don't come with this. can someone share the wiring diagram for the lc second row seat please?
 
So you were able to get an LX seat into an LC?

Mods required? Photos?

Curious if any difference on the 2010 models

I think the 200 seats are horrendous and been leaning towards Scheelman, but if there’s an OEM option that’s not a complete ordeal, I’d likely lean that way.
 
Last edited:
Been curious about this myself as the LX seats have the thigh extender.
Please post pics.
Also interested in swapping the rear seat door cards from the LX into the LC for the sunshade that's built into the LX rear door cards and wondered if it would be a direct swap as the LX rear doors have an additional speaker that the LC doesn't have.
LC should have come with rear window shades.
 
Also interested in swapping the rear seat door cards from the LX into the LC for the sunshade that's built into the LX rear door cards and wondered if it would be a direct swap as the LX rear doors have an additional speaker that the LC doesn't have.
For those to work you would also need the rear window tracks that have plastic rests at the top for the pull-up shades to hook into.

For the speakers you'd need to see where the crossover lives, whether at the speaker array or at the processor.

If doing, you'd want to do all four doors so that there was some unification of colors.
 
For those to work you would also need the rear window tracks that have plastic rests at the top for the pull-up shades to hook into.

For the speakers you'd need to see where the crossover lives, whether at the speaker array or at the processor.

If doing, you'd want to do all four doors so that there was some unification of colors.
Lucky for me my interior is black.
Looks like the shade hooks might be easy to add.
 
the swap is very straight forward all the plug are the same, air bag no problem, I used to have a lx 2016 and the seat on the lc is being my only complaint. they just pure simple garbage. I paid $3200 plus $900 shipping to my house. this are 2021 the donor truck was zero miles damaged during transit they also without the rear entertainment bonus point. never used those screen. I got the second row power slider working im only missing the rear heater seat, the lx has the ac control a the seat armrest. if someone can share wiring digram for the second row ac control please?

IMG_2921.webp


IMG_2922 2.webp
 
the swap is very straight forward all the plug are the same, air bag no problem, I used to have a lx 2016 and the seat on the lc is being my only complaint. they just pure simple garbage. I paid $3200 plus $900 shipping to my house. this are 2021 the donor truck was zero miles damaged during transit they also without the rear entertainment bonus point. never used those screen. I got the second row power slider working im only missing the rear heater seat, the lx has the ac control a the seat armrest. if someone can share wiring digram for the second row ac control please?

View attachment 3868206

View attachment 3868207
That actually looks really good.
Did you swap the rear seats as well?

I wonder what the cost is new for those?
Thanks for posting.
 
Screenshot 2025-03-24 at 9.05.40 AM.webp


Screenshot 2025-03-24 at 9.05.56 AM.webp
 
the swap is very straight forward all the plug are the same, air bag no problem, I used to have a lx 2016 and the seat on the lc is being my only complaint. they just pure simple garbage. I paid $3200 plus $900 shipping to my house. this are 2021 the donor truck was zero miles damaged during transit they also without the rear entertainment bonus point. never used those screen. I got the second row power slider working im only missing the rear heater seat, the lx has the ac control a the seat armrest. if someone can share wiring digram for the second row ac control please?
So these were direct swap plug in no problem? Curious if it would be the same in an 08-15 LC. Also where did you manage to find them?
 
That actually looks really good.
Did you swap the rear seats as well?

I wonder what the cost is new for those?
Thanks for posting.
yes, the rear fit right only problem is to wire slider and heater seat.the lc don't slide so power need it to make it work.

IMG_2942.webp
 
So what wires did you have to power to get the slide to work I’m currently starting this same project on my bosses 2011LC have front and 2nd row seats from a 2021 lx570.
Any helpful advice?
the big white and the big blue make the slider work so you need to run a positive source to the blue. the center heater seat control is a little more complicate you need a 5v source to power the control
 
the big white and the big blue make the slider work so you need to run a positive source to the blue. the center heater seat control is a little more complicate you need a 5v source to power the control
Thanks for the help any chance you have found a wiring schematic or a plug diagram? I’ve searched with no luck on the 21 lx570 or on our 2011 LC.
 
Back
Top Bottom