Follow along with the video below to see how to install our site as a web app on your home screen.
Note: This feature may not be available in some browsers.
This site may earn a commission from merchant affiliate
links, including eBay, Amazon, Skimlinks, and others.
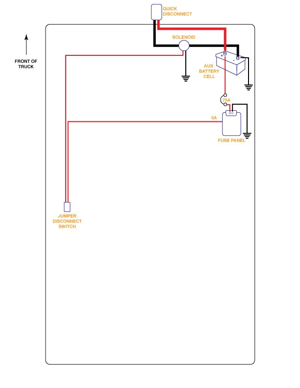
I've used Anderson connectors on a lot of things over the years, but I would not use them on jumper cables. You can't transfer the cables to any other rig/car without them. They will only work on YOUR rig. On the other hand, that could be a good thing!!

NLXTACY said:exactly! No one asks to borrow my cables and no one bothers to steal my cables![]()
I spent $22 at TSC, $17 at Airgas, I can't remember how much the disconnects were (had them for years) maybe $50, so for less than $100 you can have one too!
Now I need to find a cover to keep the connections clean.

