FIXED!! High-pressure fuel pump circuit won't activate on it's own - installed manual high-pressure circuit switch

This site may earn a commission from merchant affiliate
links, including eBay, Amazon, Skimlinks, and others.

Joined
Jan 3, 2018
Threads
31
Messages
246
Location
Lincoln, NE
— Thanks to @satchel , this has finally been fixed!

Hey Mudders,

Revisiting this issue a year later. I'm having an intermittent high-speed fuel pump circuit break that I need advice with. I had posted about this a while ago in another thread before I realized the issue was related to an electrical issue rather than a mechanical issue. Here's the original thread FZJ80 Won't Start

So, here's what I know --
  1. The fuel pump has two speeds/pressures -- 1) low-speed and 2) high-speed.
  2. The high-speed circuit is activated under these two conditions :
    1. While the car is cranking to initiate engine start
    2. Under heavy acceleration/high RPM's - roughly 3200-3800 RPM's
  3. The issue started randomly after I pulled off of the highway onto a rough gravel road.
    1. I made a fast turn across traffic and slammed on the gas pedal and the engine/RPMs cut out immediately. I took my foot off the pedal and my RPM's/engine came right back to life.
  4. I've replaced:
    1. Fuel pump relay with OEM part
    2. Idle control valve with OEM part
    3. EFI relays under the hood and in drivers-side kick panel
  5. The high-speed circuit relies on ground contact being made inside the ECU
    1. I've taken apart the ECU and checked all circuits to make sure moisture/corrosion wasn't causing poor grounding and everything was tight and dry. No corrosion or burnt processors or anything at all.
  6. I've checked all of the in-line molex circuit connectors I could access.
  7. I installed an in-line switch to manually activate the high-speed fuel pump circuit.
    1. The manual circuit wiring goes from: Positive+ battery terminal --> manual switch in cabin --> high-speed circuit connection on the Fuel Pump Relay
    2. I flip the switch on to start the car and while on the interstate, but I can turn off the switch immediately after the engine starts because the circuit switches to the low-speed circuit which works fine.
  8. It will randomly choose to work fine and will start up without me having to turn the switch on, so whatever is causing the high-speed circuit to break is intermittent but rare.
    1. Extreme heat and extreme cold don't seem to have any effect on whether the circuit decides to work on its own or not.
  9. Possibly related electrical weirdness - but had been happening for a year+ before the fuel pump issue started but...
    1. When my headlights are on, my radio backlight turns off
      1. UNLESS it's below zero degrees Fahrenheit, then the backlight stays on until it warms up.
      2. Every other backlight on my dash and climate control console come on as expected when I turn the lights on - this includes the ashtray light and cig lighter halo.
    2. When my headlights are OFF, my radio backlight comes on.

Here's the literature I have currently:
this has all kinds of stuff, but I cant figure out how to make sense of it haha 1996 Land Cruiser FZJ80 Full Wiring Schematic
1566577180453.png
1566577188918.png



Any additional help or experience would be awesome!
 
Last edited:
What conditions cause the current to go through the resistor, dropping voltage to slow the fuel pump?

And the other way, what are the controlling factors that bypass the resistor and send full voltage to the fuel pump, high speed?

I don't know.

If I was
Englishman I'd suggest it may be
A dodgy earth
 
Last edited:
What conditions cause the current to go through the resistor, dropping voltage to slow the fuel pump?

And the other way, what are the controlling factors that bypass the resistor and send full voltage to the fuel pump, high speed?


So, from what I'm guessing/seeing, the circuit going through the resistor is what makes the fuel pump run at the low-speed stage -- and since the low-speed circuit seems to be functioning just fine, I ruled out the resistor as a possible culprit.
 
Right on. My limited understanding agrees.
Reisitors normally fail open, I believe. Again I'm limited.

So what in play here that says 'run at slow speed fuel pump.'

Temp, MAF, TPS, O2, Speed sensors? How does the ecu know when it wants to send voltage thru the resistor and when not to?
 
Right on. My limited understanding agrees.
Reisitors normally fail open, I believe. Again I'm limited.

So what in play here that says 'run at slow speed fuel pump.'

Temp, MAF, TPS, O2, Speed sensors? How does the ecu know when it wants to send voltage thru the resistor and when not to?

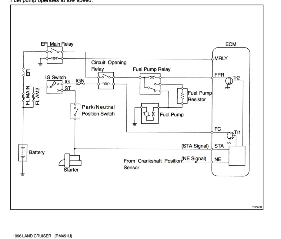
So, there's some logic being decided somewhere which calls for the Fuel Pump Relay to activate/energize which switches the circuit path to the high-speed circuit, thus bypassing the resistor. The Fuel Pump Relay must be working because it's breaking the low-speed circuit (through the resistor) and switches over the high-speed circuit, which is where the circuit interruption is happening. I know the circuit from the Fuel Pump Relay --> Fuel Pump is fine because I have the bypass line in place directly from the battery to the high-speed connection at the Fuel Pump Relay. So it's something on the other side of the high-speed circuit.
 
Looks like (assuming wiring and ecu is good) the main culprits from that schematic that would cause it to not go into high speed would be the fuel pump relay and the circuit opening relay. The ECU is the logic for what closes the circuit opening relay, and the power going through the circuit opening relay is what activates the high speed side of the fuel pump relay, so it sounds like either the circuit opening relay is not actuating to tell the fuel pump relay to actuate, or it is and the fuel pump relay isn't actuating when told to do so.

Looks like you have changed the fuel pump relay but didn't see that you changed the circuit opening relay.

Otherwise something in the logic downstream of the ecu isn't telling the circuit opening relay to do its thing.
 
Ignore the above...

Edit: Actually, looking at it again. It appears that if the circuit opening relay weren't working you wouldn't even have low speed so it must be something up stream in the logic of the ECU not applying a ground to the FPR terminal on the ECU I would think.
 
Last edited:
Ignore the above...

Edit: Actually, looking at it again. It appears that if the circuit opening relay weren't working you wouldn't even have low speed so it must be something up stream in the logic of the ECU not applying a ground to the FPR terminal on the ECU I would think.

Yeah, the whole thing is confusing to me. It doesn’t make sense, especially the fact that it sometimes decides to work. I don’t know where it is supposed to ground at, nor do I know which plug or terminal to test on. I can’t really make sense of the schematic as to where to actually go to test a specific pin.
 
No idea if this will help you, but this is my understanding from looking the schematic over. Pin 4 from the circuit opening relay is supplying power to the fuel pump relay when the circuit opening relay closes (this must be happening cause you have power at your fuel pump). That power then flows from pin 5 through the side of the fuel relay with a resistor (pin 2), which must be the low speed setting, when the fuel pump relay is not being activated. When the fuel pump relay is being activated (ground is applied to pin 1), the power goes from pin 5 through the side with no resistor (pin 3), providing full power to the pump. You must be getting power into the fuel pump relay from the circuit opening relay on pin 5, cause that supplies low speed power to the pump and you have that. What it sounds like is not happening, is the fuel pump relay is not being activated to supply unrestricted power. It uses the same power as the low speed circuit, pin 5, to activate the relay, so if that part isn't activating and you know the relay and power to the relay are good, then it must be the ground side of the relay, pin 1. Pin 1 is grounded by the terminal fpr in the second picture. You should be able to test all your relays, by removing the wire hooked up to pin 1 of the fuel pump relay and adding a wire you can connect to ground to pin 1 of the fuel pump relay. Then any time you connect that to ground, should activate the fuel pump relay high speed circuit. If you do try this, it's on you and I wouldn't do it for long as it may burn up the fuel pump at high speed for an extended period for all I know.

As to why the ecu isn't providing that ground itself, you would have to know what logic is required (what sensors feed the data and their values) for the fpr terminal to be sent to ground. There may be some sensor in that logic that is intermittently faulty.

Sorry for the rambling, I may have told you all the stuff you already know, but that's my pea brain idea of what I think is going on.


1566598439273.png


1566598707983.png
 
Last edited:
Edit: The post I referenced below later debunks this schematic as being the incorrect one, and just realized that is also you..... Takes me a while.

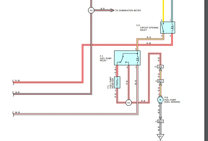
One more note, I was reading another post and he references a schematic that shows the relay to be exactly opposite of the one you provided. His shows the relay to be energized in low speed circuit, and yours shows to be energized in high speed circuit.

This was his schematic. No idea which of the two schematics is correct.

1566600998732.png
 
Last edited:
No idea if this will help you, but this is my understanding from looking the schematic over. Pin 4 from the circuit opening relay is supplying power to the fuel pump relay when the circuit opening relay closes (this must be happening cause you have power at your fuel pump). That power then flows from pin 5 through the side of the fuel relay with a resistor (pin 2), which must be the low speed setting, when the fuel pump relay is not being activated. When the fuel pump relay is being activated (ground is applied to pin 1), the power goes from pin 5 through the side with no resistor (pin 3), providing full power to the pump. You must be getting power into the fuel pump relay from the circuit opening relay on pin 5, cause that supplies low speed power to the pump and you have that. What it sounds like is not happening, is the fuel pump relay is not being activated to supply unrestricted power. It uses the same power as the low speed circuit, pin 5, to activate the relay, so if that part isn't activating and you know the relay and power to the relay are good, then it must be the ground side of the relay, pin 1. Pin 1 is grounded by the terminal fpr in the second picture. You should be able to test all your relays, by removing the wire hooked up to pin 1 of the fuel pump relay and adding a wire you can connect to ground to pin 1 of the fuel pump relay. Then any time you connect that to ground, should activate the fuel pump relay high speed circuit. If you do try this, it's on you and I wouldn't do it for long as it may burn up the fuel pump at high speed for an extended period for all I know.

As to why the ecu isn't providing that ground itself, you would have to know what logic is required (what sensors feed the data and their values) for the fpr terminal to be sent to ground. There may be some sensor in that logic that is intermittently faulty.

Sorry for the rambling, I may have told you all the stuff you already know, but that's my pea brain idea of what I think is going on.

Holy crap, dude! I fixed it! I kept re-reading your reply over and over again because it was helping me think through the logic of narrowing down what could possibly be wrong. I decided to start with the fuel pump relay itself and took apart the connection and cleaned it with electrical connector cleaner spray. Then I realized the terminals inside of the fuel pump relay connector looked stretched out, Meaning the really thin pins inside of the fuel pump relay probably weren’t making good contact. I took the fuel pump relay plug apart and closed the gaps between the receptacle pins and reassembled it, and now it fires right up and I can slam on the gas and it doesn’t cut out!
 
@satchel I have literally been chasing this problem for over a year and I am so pumped and relieved. I also got my exhaust leaks fixed and installed a cherry bomb straight pipe muffler. This is honestly the coolest sounding vehicle I’ve ever owned. A 4.5 L in-line six straight piped sounds so freaking good
 
I thought you had gotten a new one???? Either way, awesome brother! I was just about to write up that you can come out to Denver and I'll see what I can figure out, but that is great news!!!!

It was a completely new relay itself, but the female connector from the wiring harness was the part causing the problem. The catch-pins inside of the harness female connector were stretched out so the male pins from the FPR weren’t making proper contact — which also explains why it would intermittently work out of nowhere! I am so freaking pumped right now.

Also, I’m heading out to CO Springs next Friday for Labor Day to attend my brothers promotion to Major at the academy. I was actually going to stop in Denver to check out the Yota Yard first. I’d love to check out your rigs! I’ll be driving my ‘19 4Runner out there though as my 80 gets about 9mpg running 15w40 diesel oil haha.
 
Back
Top Bottom