Hi everybody,
I have a BJ40 from 1975 with som electrical problems. When I bought it the passenger side headlight was the only one working, and a bit weak. I changed the one on the drivers side and it was shining 3 times as bright compared to the other one. After 10 minutes driving, both lights went out and hasn't worked since. At first the high beam worked for a while but it also gave up.
I have a 24V system. Parking lights work, indicators in the front work. Rear lights, brake, indicator etc. works on one side only.
Very grateful for some advice in this matter.
Best,
I have a BJ40 from 1975 with som electrical problems. When I bought it the passenger side headlight was the only one working, and a bit weak. I changed the one on the drivers side and it was shining 3 times as bright compared to the other one. After 10 minutes driving, both lights went out and hasn't worked since. At first the high beam worked for a while but it also gave up.
I have a 24V system. Parking lights work, indicators in the front work. Rear lights, brake, indicator etc. works on one side only.
Very grateful for some advice in this matter.
Best,
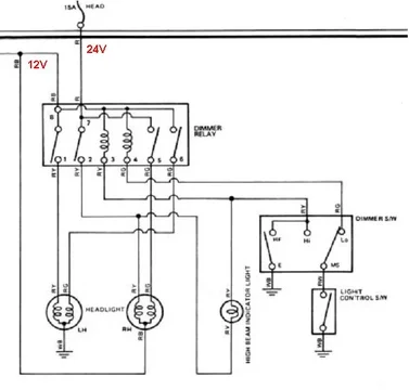
But, I think you are missing what's going on. If one goes, you still get only 12 volts. Nothing in the headlight circuit is connected to 24 volts. In other words, the right headlight is attached at the + post of the 12 volt side. The left headlight is attached to the - post of the 24 volt side.
