91 FJ80: Won't start: no crank, CEL on, Good battery, FP flowing

This site may earn a commission from merchant affiliate
links, including eBay, Amazon, Skimlinks, and others.

Joined
Oct 20, 2019
Threads
13
Messages
501
Location
Ivins UT
Website
bret.io
Took my 91 out this weekend for some light off-roading and exploring. It's been running great, starting great and all around super reliable. Except today, we stopped for some lunch and then tried to get going again and it wouldn't start back up.

Conditions:

- drove up a hill in 4 low
- not particularly hot. ~61 degrees out
- super bumpy grated road. gave everything a super good rattle.

Symptoms:

- CEL on in the acc position (but turns off when the car normally starts) (This means the EFI system is working no?)
- All other dash lights turn on
- when I go to start, no crank where it normally cranks right away.
- I can hear something flowing (fuel pump?) during the attempted start with my head under the hood
- Battery is brand new, and I put a jump pack on just be sure.
- The only click was when the accessory relays are switching on. Other than the flowing, no other relay our mechanical noises could be heard.
- Checked fuses, everything looked good

I eventually got it to start, without doing anything much other than:

a) trying to take the key out and then back in to try again
b) let the car sit longer
c) dig around the wiring harness under the dash and near the starter motor to visually inspect. maybe I bumped something that was rattled?

Current state:

- Cranking and starting as reliably as ever.
- Nervous that it could happen again

Any ideas what this could be? Things to inspect or replace?

Bonus: photo of us before realizing we were marooned (unfortunately I didn't take a video of symptoms durrr)

DSCF5072.webp


EFI relay. Time to replace?

IMG_1364.webp
 
How is your fusible link? Had similar, wouldn't start out of the blue, pulled the battery to test at parts store, battery was good so put it back in, tried it and started right up. Few days / several trips later wouldn't start so I tried just jigging the wires at the + battery post - again started right up. After several more episodes replaced the fusible link and no more problem.. If that's the problem then action "c" fixed it for ya.
 
Thats a great idea, though I'm not seeing any no/low power symptoms (dash lights remained on during the no-crank)... but! My speedometer tends to bounce around a bit at low speeds. Possibly related?

But in general... now that I search for fusible link.... I think it's time for a new fusible link and junction block, culprit or not. See you soon Wits End.

IMG_3857.webp
 
Cool! Ordered. Any other ideas appreciated but hoping that that will fix it. If it happens again, I'll try wigging that to see what happens. I'll try to get a more interesting build thread written up this weekend.
 
Might not be the problem but not a bad step to try first. Keep your old one as a spare unless you're positive it's not good.
 
Couple of thoughts.
EFI relay and ECU have NOTHING to do with the starter cranking the motor.
Speedometer is 100% cable driven. No electronics other than the speed sensor on the transfer case that drives the cable.

This sounds like bad starter contacts or faulty wiring to the starter.
 
Wire brush both of your battery terminals and connectors.
If you have the factory positive connector, take it apart and wire brush it well. Make sure the other end of the positive lead is factory tight on the starter.
Whatever negative terminal you have, do the same. Check that the other end of the negative cable is factory tight on the engine block (near the oil filter). Look for signs of recent wrenching.
I had these same symptoms, and it was simple surface gunk.
I then sprayed mine with that 'antioxidizer sealer' liquid. Not a single problem since - ~10mos ago.
 
Couple of thoughts.
EFI relay and ECU have NOTHING to do with the starter cranking the motor.
Speedometer is 100% cable driven. No electronics other than the speed sensor on the transfer case that drives the cable.

Good to know thank you!

This sounds like bad starter contacts or faulty wiring to the starter.

Do you mean the solenoid contacts inside the starter? Agreed this seems like a bad contact issue given the cause seemingly was a washboard road rattling the car.

Wire brush both of your battery terminals and connectors.
If you have the factory positive connector, take it apart and wire brush it well.

Will do, although it seems like I was getting a good contact on the battery since everything else had solid power. Battery terminals are brand new, but the connectors are older.

Can part of the car get excellent power and other parts (the starter) not get any at all from dirty terminals?

Ill get some pics tomorrow.

Make sure the other end of the positive lead is factory tight on the starter.
Whatever negative terminal you have, do the same. Check that the other end of the negative cable is factory tight on the engine block (near the oil filter). Look for signs of recent wrenching.
I had these same symptoms, and it was simple surface gunk.
I then sprayed mine with that 'antioxidizer sealer' liquid. Not a single problem since - ~10mos ago.

PO had a Japanese auto shop replace the starter in 2017, so there was work done then. I did notice some heat shrink tubing that looked relatively recent, yet totally dried out next to the starter. When I touched it the rubber was turning into blue dust on my finger. Again, I'll snag some pictures tomorrow. Headed to bed now.

Started and stoped the engine about 20 times since the issue.
 
Can part of the car get excellent power and other parts (the starter) not get any at all from dirty terminals?
With a bad ground, yes.
 
The starter motor and solenoid are grounded through the housing of the starter which is bolted to the bellhousing. There is no separate "ground wire" for the starter.
If the PO replaced the starter with an aftermarket (non Denso) unit, then that would be suspect.
The starter has 2 connections. The larger white wire with the ring terminal is a direct connection to the battery positive terminal. The smaller wire with the "push on" terminal is the logic that fires the solenoid. When turning the key to START, you should see +12 at the small wire terminal.
 
If the PO replaced the starter with an aftermarket (non Denso) unit, then that would be suspect.

I took it to ProAuto in St George today and looked at the starter with them. Its a BOSCH starter, looks like its still in decent condition. Do people think its worth getting a new/rebuilt Denso instead?

Also reviewed the various power/signal lines. The ProAuto guys also noted some kind of splice point under the steering wheel where a security system could have been? Or goes?

Also got some tips on recovery strategies if it happens again (e.g. start the 'car' with no crank and essentially, jump the starter. Should get things going again if needed).

Screen Shot 2020-01-27 at 4.29.15 PM.png


Also scraped https://techinfo.toyota.com/t3Portal/ for all 1991 Land Cruiser documents I could find. $20 for 2 days? Sheesh. Very stingy. Anyone know where I can find a paper or full Digital copy that isn't an arm and a leg?

Plan is to replace the fusible link (mine super old anyway) and then try to do a more specific search for a bad connection/wire culprit when/if it happens again.

Thank you for your help and ideas! I'll keep dropping crumbs here if the problem continues. Hopefully someone else finds it helpful in the future.
 
You've already got the foremost authority on the 91-92 version in your wheelhouse.

@jonheld is absolutely the man on these.

Listen to what he says, do it in the order he tells you and you'll get there.

He likes a challenge, but not the kind that have already been stated and addressed.

He has a troubleshooting checklist that you need to locate and go through (Read and click on the links in his sig line) and maybe buy HIS copy since he is here and helping already. Support those who support us!
 
You've already got the foremost authority on the 91-92 version in your wheelhouse.

@jonheld is absolutely the man on these.

Awesome! Thank you!


He likes a challenge, but not the kind that have already been stated and addressed.
😬 hopefully I didn't miss something. Carrying a Fluke in my car now to measure the lines going to the starter if/when this happens again. Fortunately, its starting reliably. Gearing up to get my confidence in the vehicle back to where it was before.


He has a troubleshooting checklist that you need to locate and go through (Read and click on the links in his sig line) and maybe buy HIS copy since he is here and helping already. Support those who support us!
Oh awesome! I will dig into that. Wish I noticed before blowing my Sunday on a sloppy scrape job 🤦‍♂️
 
No cranking at all. During attempted start, I can hear flowing like some kind of pump but no crank at all, and the dash bulbs/volt meter goes down like some systems are drawing current.

I again, stupidly didn't take a video (slightly panicked and rushed). I unfortunately could not test voltages at the starter during attempted crank because I was solo.

I tried jiggling wiring harness, detach-reattach battery terminals, generally massaging the connectors on the starter and the wiring harness around the starter, cooling off the EFI relay (taking it out, blowing on it and re-seating it). Jiggling the shifter (neutral start switch) etc. Nothing worked.

Simply sitting back with the hood open, waiting a bit, then trying again, it finally cranked and started. Same as last time this happened.

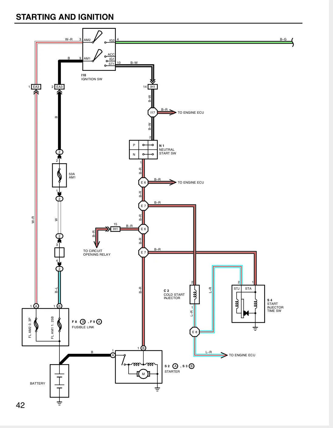
Looking at the wiring diagram:

Screen Shot 2020-06-11 at 9.25.46 PM.png


Trying to eliminate what could be wrong:

- Ignition switch seemingly works, since I can hear other systems working during attempted start. (ST1 working)
- Fusible links are good due to the above reason (they are also relatively new).
- Battery is good and charged (its only a few months old)
- Neutral start switch seemingly good. Jiggling the shifter doesn't seem to fix the issue.
- Starter should have a good ground, its bolted to the bell housing, so no wire to be loose.
- Connectors and wires don't seem to be loose or intermittent (jiggling didn't seem to do anything). Only seems to be happening after driving a while in relatively hot conditions and then letting the car sit for a bit while turned off in a hot environment. Otherwise, it cranks very reliably day to day.

This leaves the PO replced non OEM Bosch motor. Is it bad? Is it suffering from Heat soak?

Starter Will Not Crank When Hot (Heat Soak) | KnowYourParts

I drove a ways, parked for a few mins, started again, drove some more then parked for a longer time in the sun in a hot parking lot, at which point no-crank started. That seems like ideal conditions for heat soak maybe be a factor.

Mechanic said Bosch parts are good, but also new OEM starters are relatively cheap, I'm thinking that replacing that to help eliminate that variable is probably the next step.

Appreciate any other ideas or input.
 
Bring a piece of generic wore with you and next time it does it use the wire to jump power from the starter main power wire to the starter solenoid. If the starter cranks then it's probably the ignition switch. If it doesn't crank it's probably the starter. Also check to see if the battery to starter power wire looks corroded and that the starter connection is tight and that it's connected well to the battery terminal clamp.
 
Back
Top Bottom