2015 LC Dash Screen Will Not Come On - Totally Stumped (6 Viewers)

This site may earn a commission from merchant affiliate
links, including eBay, Amazon, Skimlinks, and others.

A couple of other ideas:
  • What happens if you add a CD/DVD into the drive?
  • Can you toggle between media modes on the steering wheel still?
  • What about the dimming knob that allows you to adjust cluster and screen brightness?
There is a DVD in the drive now - I can hit eject and it comes out. When I put it back in, it accepts it, as it normally would. But then nothing else happens.

On the steering wheel - when I hit the mode button, nothing happens. Hitting the volume up or down button, or the up/down arrows that would toggle between songs, etc. - nothing happens. When I press the voice or telephone buttons - also, nothing.

The dimming knob dims all the button lights, but the screen is just black.
 
  • Like
Reactions: CT3
As @bloc said above, that may be because it can't see all the ECUs, but let's take if for face value for now and move on to the next step.

That is the diagnostic menu. If holding the button and flipping the light switch as indicated brings up the screen, then we can rule out a dead screen. If not, it probably is a dead screen.
So... I just did this - I held down the info button and flipped the lights to the running lights, then off, the number of times indicated. Just so I'm sure I'm reading this correctly - this is the light switch on the stalk to the left on the steering column, correct? And should I turn them all the way to the on position, but not the "auto" position (the last selectable position)? Or just to the running lights?

I did that and I got no response.

So if this means I have a dead screen - do you think it likely the other screen I bought is dead as well? That certainly could be possible, of course, but just seemed highly unlikely.
 
So... I just did this - I held down the info button and flipped the lights to the running lights, then off, the number of times indicated. Just so I'm sure I'm reading this correctly - this is the light switch on the stalk to the left on the steering column, correct? And should I turn them all the way to the on position, but not the "auto" position (the last selectable position)? Or just to the running lights?

I did that and I got no response.

So if this means I have a dead screen - do you think it likely the other screen I bought is dead as well? That certainly could be possible, of course, but just seemed highly unlikely.
Quite the stumper.......

I don't think it's highly unlikely the used screen was also dead. Used electronic parts are iffy at best. Even if working when pulled, there are storage and handling questions. I'm not sure what to recommend, but you've done a good job troubleshooting so far.
 
I have a VERY interesting development that answers a big question.

The screen/display (the original unit and the new/used one I bought) are BOTH good.

I have access to a 2016 Land Cruiser and I figured I'd just see if the plugs were the same on that unit as the unit on the 2015 - and low and behold, they were.

So I plugged the original unit up and turned on the 2016 LC and the screen came right on!

Guess that rules that out!

Knowing this, what would you suggest next?

IMG_5811.webp
 
Swap the unit below that from that other land cruiser to yours? And yours to his. Progressively narrow down where the issue might be, by slicing it into smaller problems, smaller segments, until there isn't anything left and you identify the source of the issue.

Have you gone back to basics - make sure you have power and ground where it is called for on the EWD?

1651686888534.webp
 
Last edited:
In which case, if the diagnostics screen won't come up, it's may be a firmware / software update kind of issue with the AV system.

There's of course a lot of troubleshooting steps for that component.
 
Swap the unit below that from that other land cruiser to yours? And yours to his. Progressively narrow down where the issue might be, by slicing it into smaller problems, smaller segments, until there isn't anything left and you identify the source of the issue.

Have you gone back to basics - make sure you have power and ground where it is called for on the EWD?

View attachment 3000284
I did put the 2016 unit in my 2015 Land Cruiser and it would not come on. Gave me the same response as the other display.

Not sure what EWD is, but I’ll look into swapping some other components once I get back from the dentist.
 
You've successfully ruled out that your issue is not the screen, so you've started to segment the problem. That's a great start.

I don't know the system well enough to know if the "stereo component amplifier assembly" is on that unit that you swapped, but I think it is the next box below that in the center stack.

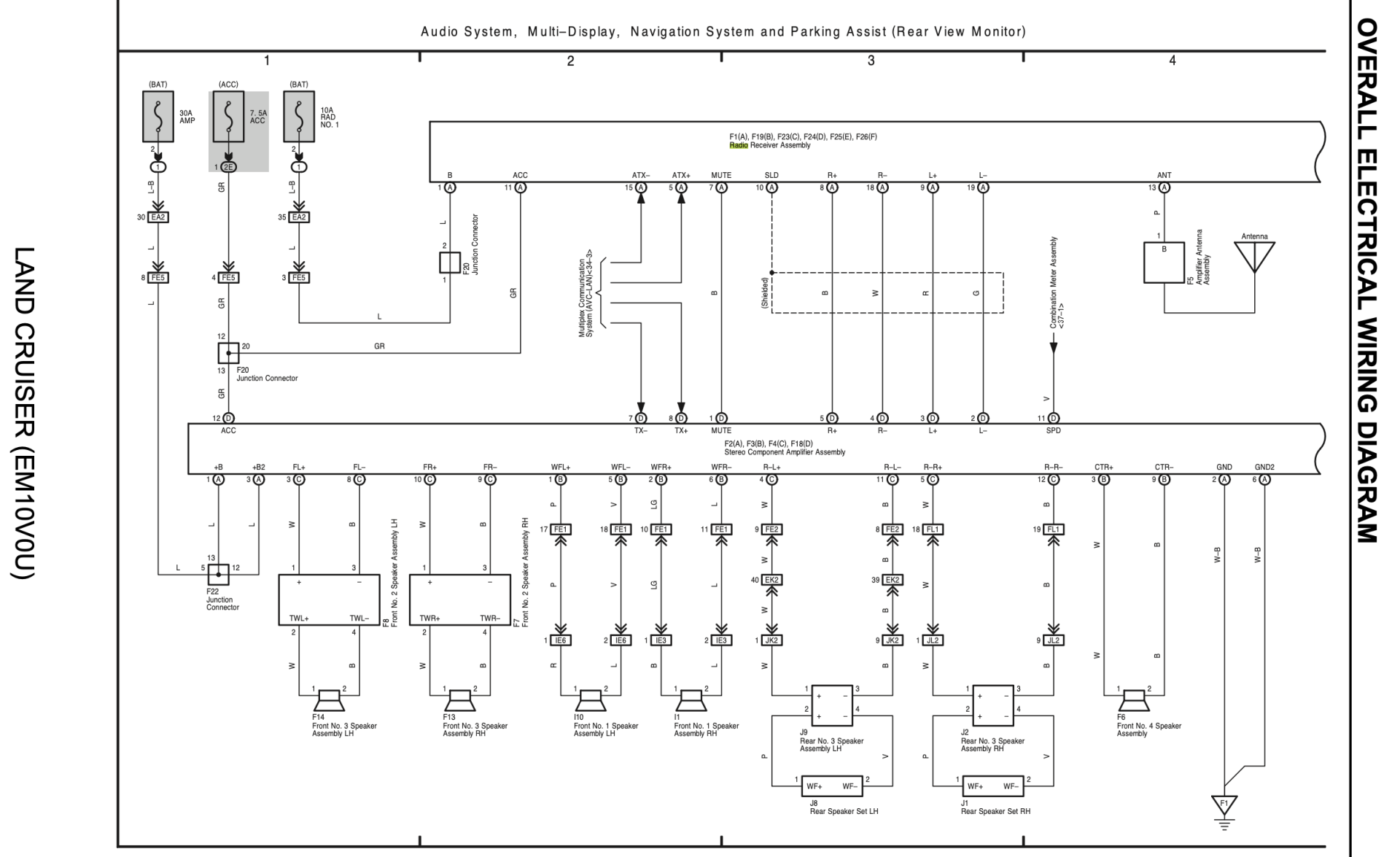
EWD is the factory Toyota Electrical Wiring Diagram. I pasted a screen shot of the relevant portion in the post above.

You should be able to test the connector pins for power and ground with your multimeter. It'll help you narrow down the problem.

If you aren't even getting power to the amplifier unit, your problem likely lies between the unit and the battery (wires, connectors, fuses, connections). If you have power and ground to the correct pins, the problem is likely within the amplifier unit itself. That will direct your next steps.
 
I have a VERY interesting development that answers a big question.

The screen/display (the original unit and the new/used one I bought) are BOTH good.

I have access to a 2016 Land Cruiser and I figured I'd just see if the plugs were the same on that unit as the unit on the 2015 - and low and behold, they were.

So I plugged the original unit up and turned on the 2016 LC and the screen came right on!

Guess that rules that out!

Knowing this, what would you suggest next?

View attachment 3000278
Did you try the 16+ head unit in your truck?
 
Did you try the 16+ head unit in your truck?
Sure did. No dice. Didn’t come on. I have to admit - I was pretty proud of myself for thinking to do this. Haha.

Gonna try swapping some other components and see if I can use that a reliable way to rule some other things out.
 
Ok - so quick update - was out all day yesterday and didn't have time to post.

I pulled the dvd unit below the display stack from the 2016 LC and tried to plug it into my '15 - there were several plugs that didn't fit, not a direct compatibility. Needless to say, the 2016 display nor the original 2015 display worked in the 2015 LC with the 2016 dvd unit installed. This could mean a larger problem with the wiring - OR it could just be that the right cables that would feed that display weren't able to be connected - so inconclusive there.

When I take the dvd unit from the 2015 LC and plug it into the 2016 LC, the display also doesn't work in that vehicle. So - it could be that dvd unit is the problem, or perhaps, again, the right cables weren't hooked up to feed the display. I'd still say it's inconclusive.

@grinchy - I tried testing multiple points in each of the plugs and my voltmeter points wouldn't fit to be able to get a reading at all.

I put everything back together yesterday and I guess I'll see if I can find another dealer that (hopefully) has better troubleshooting skills to see if we can narrow this down.

I'd like to know if this is a problem with the DVD unit, or the amp or whatever... if it's the dvd unit (they can't be replaced economically if they can be found at all), then I'll just order a chinese unit and deal with it being crappy but hopefully giving me my ac back...
 
Last edited:
Seems a reasonable approach.
Most of the Android units will require your JBL Synthesis amp working for amplification, and the android unit handles the climate, CAN, cameras, and audio stuff.
Based on the troubleshooting deck, it's probably the hard disc or DVD/main HU that is faulty (or a connection in there). I had my amp fail (different system in Lexus, but similar), and the screen and HU continued to work, the Amp just didn't show up on the 'connected' list in the troubleshooting menu any more.
 
Seems a reasonable approach.
Most of the Android units will require your JBL Synthesis amp working for amplification, and the android unit handles the climate, CAN, cameras, and audio stuff.
Based on the troubleshooting deck, it's probably the hard disc or DVD/main HU that is faulty (or a connection in there). I had my amp fail (different system in Lexus, but similar), and the screen and HU continued to work, the Amp just didn't show up on the 'connected' list in the troubleshooting menu any more.
Different times, replacing that unit might not be so complicated... Gonna get a search out for a used unit, but so far hadn't found anything.

Anyways.... thanks so much for your help.

Everyone else: I'll update this thread if I have further developments.
 
I tried testing multiple points in each of the plugs and my voltmeter points wouldn't fit to be able to get a reading at all.
Ah, yeah, sometimes you have to go in thru the BACK of the connector with a flat type tip. Look for 'back testing' probes

Here's an example:
Amazon product ASIN B07VLR55XN
 
Replacing the Multi-display receiver unit below your A/C fixed my screen issue.
Your dealer should be able to replace it for you for around $2K if you are out of warranty FWIW.
 
Replacing the Multi-display receiver unit below your A/C fixed my screen issue.
Your dealer should be able to replace it for you for around $2K if you are out of warranty FWIW.
Thanks!

Just so I'm clear - you're referring to this unit (with the DVD player) right?

IMG_5747.webp
 
FWIW, the amp in my Lexus LS430 just went bad. It's common on those cars. I pulled the amp and mailed it off to be repaired.

Anyway, while the amp is out, I have still been driving the car. Driving without the amp hooked up gives the exact symptoms you're having. Like CharlieS said, I'd double-check for power to the amp.
 

Users who are viewing this thread

Back
Top Bottom