Best method for kill switch on a 200 series TLC? (4 Viewers)

This site may earn a commission from merchant affiliate
links, including eBay, Amazon, Skimlinks, and others.

Neither here nor there, but in my recent shopping journey for my 2019 LC200...I was surprised to hear of a few dealers telling me the they had declined offers for the truck (typically a 2021) from overseas clients. It seems Eastern European from the tone of the GMs. I didn’t realize there was such a demand there...
 
I have a friend in NY that buys every current model used Range Rover and G-Wagen available at auction and ships them directly to Russia for the used market. Strangely enough he buys zero Land Cruisers.
 
This is an excellent system . Our armored Land Cruisers and Patrols in Peru all had this installed . The only down side is the large "key" you have to carry around. .





 
Can’t you put your switch in the solenoid circuit? I have no idea of the amperage but it wouldn’t be that high, would it? Its hard to start motor if the starter doesn’t get power.
 
I also found this which may help. Starter ignition circuit thought - https://forum.ih8mud.com/threads/starter-ignition-circuit-thought.211786/
A switch on the neutral safety wire may work too.
1621477523620.webp
 
Yep, there are many ways to do it. Just make sure your switch and/or relay is rated properly to handle whatever current will be passing through it. 50 amps is a lot.

Anyhow, I was just trying to keep it

1) Simple, less relays and wiring to potentially cause issues
2) Not the fuel pump method.....I just don't like the idea of some BG cranking my engine and killing my battery....also, there's the old starter fluid + long tube into air intake trick.
3) Very tough to bypass. Again, the fuel pump thing can be bypassed pretty easily with starter fluid.....ignition can somewhat easily be rewired. But if immobilizer signal isn't being received, that thing WILL NOT start AFAIK.....at least not without wiring in a whole new ECU or something crazy no BG is gunna do.
4) Preferably something not super common (ie. easier for BG to figure out)

I'm thinking of some other methods, deceiving wiring and fun/creative little tricks. I'll probably end with a hybrid method with a standard kill switch wired in some creative/tricky/unique fashion, a separate 3PST kill switch for multiple OBD port wires, and good (Compustar) two-way security system for everything else (notification that doors have been unlocked when they shouldn't be, tilt/vibration sensors for towing, general security, etc.)

The Ravelco thing looks great, but I don't wanna carry around and engage/disengage that stupid key all the time....nor pay the high fees for proper installation. I'm good with wiring, but for something this specialized, I would hire a pro. I really want something relatively easy, cheap, effective, not too complex and relatively easy for me to bypass, but relatively hard for a BG to bypass.

Anyway, thanks for all the suggestions. Definitely food for thought!
 
Regarding trickery, consider something like a switch that is intended to be in its neutral position for everything to work. Toss it one way and then if there's an attempt to start the vehicle, have the circuit short out a fuse (let's say the starter). Then, if tossed the other way, short out another fuse (let's say the ignition). Bonus points for kinda-sorta relocating those fuses to somewhere hidden yet accessible.
 
Yep, there are many ways to do it. Just make sure your switch and/or relay is rated properly to handle whatever current will be passing through it. 50 amps is a lot.

Anyhow, I was just trying to keep it

1) Simple, less relays and wiring to potentially cause issues
2) Not the fuel pump method.....I just don't like the idea of some BG cranking my engine and killing my battery....also, there's the old starter fluid + long tube into air intake trick.
3) Very tough to bypass. Again, the fuel pump thing can be bypassed pretty easily with starter fluid.....ignition can somewhat easily be rewired. But if immobilizer signal isn't being received, that thing WILL NOT start AFAIK.....at least not without wiring in a whole new ECU or something crazy no BG is gunna do.
4) Preferably something not super common (ie. easier for BG to figure out)

I'm thinking of some other methods, deceiving wiring and fun/creative little tricks. I'll probably end with a hybrid method with a standard kill switch wired in some creative/tricky/unique fashion, a separate 3PST kill switch for multiple OBD port wires, and good (Compustar) two-way security system for everything else (notification that doors have been unlocked when they shouldn't be, tilt/vibration sensors for towing, general security, etc.)

The Ravelco thing looks great, but I don't wanna carry around and engage/disengage that stupid key all the time....nor pay the high fees for proper installation. I'm good with wiring, but for something this specialized, I would hire a pro. I really want something relatively easy, cheap, effective, not too complex and relatively easy for me to bypass, but relatively hard for a BG to bypass.

Anyway, thanks for all the suggestions. Definitely food for thought!
I didn’t mean the starter wire, just the solenoid activation wire. It should be a pretty low current, that’s why the solenoid is there. If you can’t activate the solenoid you can’t activate the starter. I’m not a mechanic but I do understand simple electrical circuits and shutting down the solenoid seems like a simple solution. And I need simple.
 
Regarding trickery, consider something like a switch that is intended to be in its neutral position for everything to work. Toss it one way and then if there's an attempt to start the vehicle, have the circuit short out a fuse (let's say the starter). Then, if tossed the other way, short out another fuse (let's say the ignition). Bonus points for kinda-sorta relocating those fuses to somewhere hidden yet accessible.

Yeah, actually I thought about adding a "sabotage switch" that would be intended for the BG to find, believing it's the kill switch. Upon flipping, the sabotage switch would trigger an alarm + 2-way paging (maybe silent paging?) and/or disable the vehicle in some way (ie. short a critical fuse or two to ground). Definitely all stuff I'm considering....it's actually pretty fun.....I feel like a grown up (sorta) Kevin McAlister :D
 
I didn’t mean the starter wire, just the solenoid activation wire. It should be a pretty low current, that’s why the solenoid is there. If you can’t activate the solenoid you can’t activate the starter. I’m not a mechanic but I do understand simple electrical circuits and shutting down the solenoid seems like a simple solution. And I need simple.
Okay, yep, there ya go!
 
My suggestion after reading this Roller coaster of a thread is this: Put a switch in line with your brake light switch on the pedal. It just gets 12v from the fuse and passes it on to BCM to enable start. Without that signal even with a cloned FOB all you may get is ON and ACC. No crank. If you accidentally flip it while driving all you lose is brake lights (compared to fuel pump), and maybe cruise control.
 
My suggestion after reading this Roller coaster of a thread is this: Put a switch in line with your brake light switch on the pedal. It just gets 12v from the fuse and passes it on to BCM to enable start. Without that signal even with a cloned FOB all you may get is ON and ACC. No crank. If you accidentally flip it while driving all you lose is brake lights (compared to fuel pump), and maybe cruise control.

Ahhh, that's a really good idea and fits just about every criteria. It's unique, tough for a BG to diagnose, low power line (should be under 3A) with simple switch, no relay needed (especially if brake lights are changed to LED), wouldn't allow starter crank/battery drain, wouldn't be a big deal if it failed for some reason, yet would be easy to bypass if it did. Very good idea!

Are you sure it's the 12v from the brake lights that enables the vehicle to start, and not a signal from the brake actuator or switch or something? This means if your brake light fuse blows, or there's some issue with wiring to a towing harness, you won't be able to start your vehicle??? That's good to know!
 
I don't get this. The vehicle already comes with an immobilizer system so why add the potential of failure of a reductant system. Yes they can be stolen and it does not have to run to be one that gets hauled overseas. This is why we carry insurance.
 
I don't get this. The vehicle already comes with an immobilizer system so why add the potential of failure of a reductant system. Yes they can be stolen and it does not have to run to be one that gets hauled overseas. This is why we carry insurance.

Dude, already explained....like 5 times.
 
Ahhh, that's a really good idea and fits just about every criteria. It's unique, tough for a BG to diagnose, low power line (should be under 3A) with simple switch, no relay needed (especially if brake lights are changed to LED), wouldn't allow starter crank/battery drain, wouldn't be a big deal if it failed for some reason, yet would be easy to bypass if it did. Very good idea!

Are you sure it's the 12v from the brake lights that enables the vehicle to start, and not a signal from the brake actuator or switch or something? This means if your brake light fuse blows, or there's some issue with wiring to a towing harness, you won't be able to start your vehicle??? That's good to know!
The main reason I know for sure it will work is that the brake light switch failed on my LX570 intermittently causing a no start condition. 12v comes from battery through fuse to the switch. After the switch it splits off, 1 way to the BCM (terminology may be wrong off the top of my head) and the other to brake lights.

It was a real pain to diagnose until I realized that when I had no-start condition I also had no bake lights! Helps to work on your ride at night sometimes.

I can get a pic of the wiring diagram later on for reference if it would help. Brake pedal switch is DPST and easy to get to. HTH
 
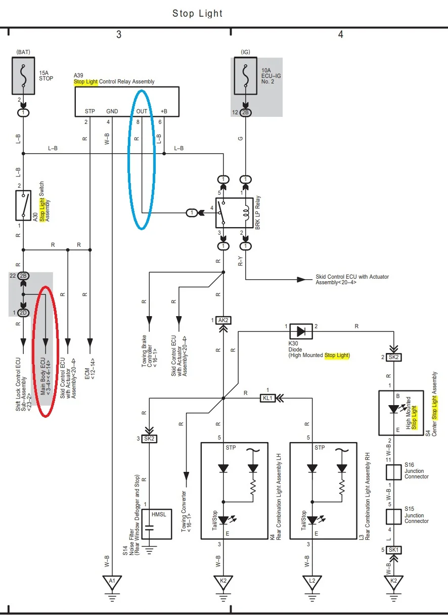
Okay, it appears there's a single 15A fuse on the entire "stop light" (Japanese term for "brake light"?) circuitry, which is far more complex than a simple old brake light circuit on most older cars. From the diagrams below you can see that it is indeed tied into several control module and relay assemblies, including the main body ECU that talks to the ignition.

So once we get past the relative complexity of the circuit, this is actually a good thing, as it allows us to kill just the portion of the circuit we want (that which allows the ignition to fire) without affecting anything else (in theory anyway). This means even if the switch failed or was accidentally flipped during driving, brake lights and everything SHOULD still operate as normal. It also means the switch will be under less load, since it's only switching a small portion of the circuit, instead of the entire thing.

I'll have to spend a bit more time with these diagrams, but it appears that switching the wire circled in red would interrupt the brake signal from the "Stop Light Switch Assembly" to the Main Body ECU, while leaving all other circuits linked to the "Stop Light Switch Assembly" (including brake lights themselves) unaffected. The blue circled wire appears to be the output controlling the relay for the brake lights and the "BRK LP Relay" linked to the ignition, but if the ECU never receives a signal from the "Stop Light Switch Assembly" it shouldn't matter....the ignition won't fire, even if the BRK LP Relay is closed and ready to go.

Looking at the first and third diagram, you can see that the ECM also talks with this circuit, and with the "Stop Light" switch closed, the ECM is also able to trigger the BRK LP Relay....but if the ECU controls the IGN signal, again, it shouldn't matter. As long as the ECU doesn't see a brake signal, it shouldn't be able to start.

It's worth noting to anyone else considering this method in the future, that while my amateur assessment of this is that it would be perfectly safe, and I can't imagine how a slight change to a relatively unimportant circuit would have any major effect on critical vehicle systems or safety (other than the intended affect of not allowing the vehicle to start when the kill switch is open), these are complex systems involving computers and proprietary "black box" logic, so take this all with a grain of salt and CAVEAT EMPTOR. At the very least, this SHOULD (in theory) have NO MORE effect than pulling the brake light fuse, which would kill this ENTIRE circuit, not just a small portion of it. But, again, I'm just some amateur idiot on a forum, so CAVEAT EMPTOR!!!

I'll check out these diagrams and the FSM a bit more, and If this is the route I go, I'll report back with testing results. Thanks @LXRuth !

brake stop light ignition 2.jpg


brake stop light ignition 4.jpg


brake stop light ignition.jpg
 
Last edited:
I believe best case would be to remove pin 22 from the 2B connector on the junction block that is the grayed out block on the first diagram. Wire in the switch there. I like the idea of also locking out the shift interlock and the split is on the backside of that junction and would be awkward to access. Locking the shifter in Park would be the benefit. It would take quite the motivated individual to get through all of that and a full time 4WD is a pain to tow in park without making a racket.

Obviously if someone wants to do some Oceans 11 style heist they will get your ride but it will slow/ stop all but the most motivated bad guy.
 
Also it is worth noting that this circuit is very durable and forgiving. My stop light switch was still working (mostly) despite a horrid 165 ohm reading when closed. New part measured under 1 ohm. And imagine this is forwarding battery voltage which may vary anywhere from 10 to 14. It will not care if a quality switch and some wire was added.
 
I believe best case would be to remove pin 22 from the 2B connector on the junction block that is the grayed out block on the first diagram. Wire in the switch there. I like the idea of also locking out the shift interlock and the split is on the backside of that junction and would be awkward to access. Locking the shifter in Park would be the benefit. It would take quite the motivated individual to get through all of that and a full time 4WD is a pain to tow in park without making a racket.

Obviously if someone wants to do some Oceans 11 style heist they will get your ride but it will slow/ stop all but the most motivated bad guy.

Aha! "Shift Lock Control"!!! That totally makes sense that the shift locker would also need to see a signal from the brake switch before it will allow shifting! Oh man, having it locked in park is a huge added bonus for the aforementioned "well what about BG's with flatbeds???!" Yep, this is what I'm gunna try, interrupt both the signal to the main body ecu and the shift lock signal to the ecu! Excellent idea! And good to hear this circuit is pretty robust. It makes sense.

Thanks again @LXRuth ! I'll report back here with results!
 

Users who are viewing this thread

Back
Top Bottom