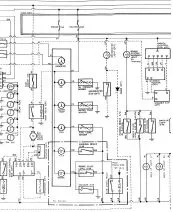
Back to that diode Waltrob mentioned. I looked at the 1981 FSM (August 1980) diagrams for various 40 series models:
-Bj40 (USA and Canada) shows the diode in the brake light warning system.
-BJ40, BJ43, & HJ47 series shows relay for Australia, otherwise neither diode nor relay indicated in association with the brake warning light system
-FJ40 & FJ43; bulb check relay for Australia again, and as above, neither system indicated for other areas
-FJ40 (USA & Canada) shows diode only
The only time the diode shows up is when the relay is absent. It seems like neither system is crucial to the operation of the vehicle given that it's absent for the world models of BJ40, BJ43, HJ47, FJ40, & FJ43. I imagine that the presence of the relay or the diode related to conforming to local regulations.
So it's one system or the other, but not together in the same harness as part of the brake light warning system. I've got the spare spot on for the relay on the 60 series relay pod I'm using, so I'll go with the relay for my situation I guess.
I wonder why the diode for some markets and the bulb check relay for Australia? What benefit/difference does one system have over the other? I won't be up at night pacing and thinking about it, but I sure would like to know.
I have both the bulb check relay and the diode, when I am back up at the beach house I might check it out. Are not diode's use for one od two things, one for over voltage to ground or two to stop volts coming back up the wrong way.
There is a lot transistors etc in these relays especially the fuel control relay and I wonder if this might be protection against volts coming back up the negative line?



(Dunno what half these smilies are supposed to mean - but I've thrown in a few to show that this would make me ultra-happy!


