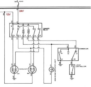
I'm appealing to those of you that have Canadian HJ60s. I need a pic of the headlight diagram from your FSM. I have searched and searched and have not found an HJ60 diagram for the 24 volt system with the 12 volt headlights. All the HJ60 diagrams I have found are for straight 24 volt systems and do not show the "evil center tap." The diagrams I have found that do show the "evil center tap" are HJ40 diagrams. Toyota re-designed the headlight wiring with the 60 series from switched hot to switched ground, so the HJ40 diagrams don't directly apply.
So, if one of you HJ60 owners that has the Canada version of the FSM would post up a pic of the headlight schematic, I will draw a simplified headlight diagram and post it back up here to help you guys fix your crappy headlights. I'll also build a new headlight harness that will allow you to junk your crummy sealed beam 12 volt headlights in favor of some H4 24 volt headlights. Your HJ60 will soon be your favorite vehicle to drive at night as well as during the day.
UPDATE: Still need this. Did Toyota not print an FSM for the Canadian trucks?
So, if one of you HJ60 owners that has the Canada version of the FSM would post up a pic of the headlight schematic, I will draw a simplified headlight diagram and post it back up here to help you guys fix your crappy headlights. I'll also build a new headlight harness that will allow you to junk your crummy sealed beam 12 volt headlights in favor of some H4 24 volt headlights. Your HJ60 will soon be your favorite vehicle to drive at night as well as during the day.
UPDATE: Still need this. Did Toyota not print an FSM for the Canadian trucks?
Last edited:

