Fuel pump relay/fuse?

This site may earn a commission from merchant affiliate
links, including eBay, Amazon, Skimlinks, and others.

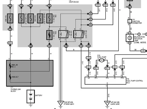
Note the location of the Fuel Pump ECU in this diagram and trace back to the battery. Looks like there is a fuse and relay. Hope this helps.

fp.webp
fp.webp
 
FYI: The fuel pump ECU is contained within the driver's side rear quarter panel. You will need to remove the interior panel to access. That's my next project :rolleyes:
 
Not sure what you are trying to diagnose but there is also an emergency fuel pump cut-off switch under the center console, near the gas pedal. It has a reset button on it.
 
I'm trying to figure out why my 100 just cut out a few days ago and won't restart. The timing belt is intact. When I disconnect the fuel line at the filter neither turning the engine on or turning it over causes fuel to come out of the fuel line. Before I drop a lot of money on a fuel pump which 5 people have told me today that "they have never heard of one failing" I was hoping to eliminate other possible causes.

I tested and have power at the pump with the key on, I don't think its electrical. I think I'm going to pull the fuel pump, dry it out and test it.
 
Back
Top Bottom