Can power windows be rewired to constant power?

This site may earn a commission from merchant affiliate
links, including eBay, Amazon, Skimlinks, and others.

kcjaz

SILVER Star
Joined
Feb 7, 2016
Threads
376
Messages
3,754
Location
Olathe, KS
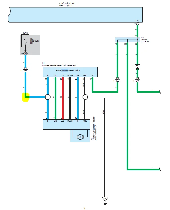
I'd like the ability to open and close the windows without the ignition on when sleeping in the back of the truck.

There is a lot going on in the wiring diagrams that I don't understand but it seems like it would be possible to add a switch to the power feed wire to switch between the normal ignition power source and a new wire tapped into an always on power source. Then I could just flip this switch (located in a place I could easily reach when sleeping in the back) to power the windows when I wanted to open or close them w/o turning on the ignition. Has anyone done this?

1731901477123.webp


1731901278235.webp
 
I would run your new fused and switched power wire to the fuse box, remove the window fuse and make a small jumper harness incorporating a fuse and a diode so you don’t backfeed the ignition/acc bus.
 
It's worth testing, but it may not work without that LIN signal from the BCM. I'd be checking to see whether the FSM has any troubleshooting steps that involve that wire, to try and predict whether it's important.

These days it's common even for things like window regulators to be integrated into the broader communications scheme of the whole vehicle.
 
It's worth testing, but it may not work without that LIN signal from the BCM. I'd be checking to see whether the FSM has any troubleshooting steps that involve that wire, to try and predict whether it's important.

These days it's common even for things like window regulators to be integrated into the broader communications scheme of the whole vehicle.
Good idea. I’ll look through the FSM. Definitely more going on than a simple power switch to the motor. Maybe I just need a long stick so I can push the ignition start button from the back seat. 😊
 
Good idea. I’ll look through the FSM. Definitely more going on than a simple power switch to the motor. Maybe I just need a long stick so I can push the ignition start button from the back seat. 😊
I'm not sure how well this will work, but you might want to give it a try.
1732033761976.webp

You will have to stick your arm out the window to close the windows...
1732033838698.webp
 
I'd like the ability to open and close the windows without the ignition on when sleeping in the back of the truck.

There is a lot going on in the wiring diagrams that I don't understand but it seems like it would be possible to add a switch to the power feed wire to switch between the normal ignition power source and a new wire tapped into an always on power source. Then I could just flip this switch (located in a place I could easily reach when sleeping in the back) to power the windows when I wanted to open or close them w/o turning on the ignition. Has anyone done this?

View attachment 3775018

View attachment 3775015

Riffing on @turbo8 thoughts.

Some of the earlier model year LCs don't have this function. I've seen add on OBD-II dongles that enable fob window control on the GX, with open and close function. I wonder if these are compatible for the LC? Or there might be LC specific ones from international vendors.



Separate but related idea. I've used the keyfob autostart function on the LX. This starts the motor which is a great way to warm up the interior in the morning while cozy in the back. But - it also wakes up the window controls. Perhaps an aftermarket autostart might be a solution?
 
Back
Top Bottom