$3,500 and I still fail smog

This site may earn a commission from merchant affiliate
links, including eBay, Amazon, Skimlinks, and others.

I have readjusted the valves and then checked the compression (all between 150 and 160psi) I checked both of the diaphrams on the distrubtor and the advance curve with the emission manual. I assume the pcv valve is woring correctly as it is a brand new oem unit. The idle mix was set with the lean drop method from the manual... all that said I feel like the truck is tuned correctly per factory spec. what still doesn't make sence is the egr seems to still effect the performance. does anyone have there egr hooked up all the time? is there still somthing wrong with mine? thanks for the suggestions for the rejetting and bribes but I am still obsessed with making it run the way it is supposed to before I go back to disconnecting and tweeking.
 
I know how you feel with multiple emission failures. I’ve been through it with my 84 and also had some problems with my former 82. After the engine rebuild on my ’84 I had 2 or 3 failures. This qualified me for a free diagnostic session with a Colorado Air Care technician. You might check if CA has a similar plan. The tech was surprisingly helpful despite not being a Cruiser guy. First he set the idle mixture with the exhaust analyzer attached to the tail pipe. I was surprised how far off it was. I had used the lean drop method from the book. He then checked the operation of the air injection system. No manual needed. He knew which hoses to disconnect and where there should be air flow. After about 15 minutes, he stuck a compressed air line into one of the air injection hoses and ran the dyno test (RM240.) My truck passed with the boosted air going into the cat. His conclusion was that the cat was weak and so was the output of the air pump. I replaced the cat and got another air pump. The output of the air pump was barely acceptable. It was at the low end of the Toyota spec – which I can’t find at the moment. I think that rebuilt air pumps simply have old vanes and new bearings in them. I’ve never had the pleasure of a new Toyota air pump. Anyhow, my truck STILL failed the test after all that. I qualified for an exemption at that point and went that route. The exemption was the only way I could get license plates as I had used up 2 or 3 temp registration extensions already. Most normal people would have been done with it at that point but I was obsessed. It was the Jim C carb rebuild that finally got my emissions down where they belong. Unfortunately I never found out what was wrong inside the carb but it must have been subltle as the truck drove just fine.

Some other random emissions comments:

The oversize tires can cause problems with the dyno test. A number of years ago, I got a fast pass when the tech couldn’t keep my 82 on the dyno rollers. Hehe. But more importatly the 33s affect the measured speed and lower the engine rpm for the dyno test. A weak air pump is slowed down and its output drops even more. If your right on the edge of passing, you might barrow someone’s smaller wheels for the test.

I know you’ve been through the emissions hardware but have you checked the VCV for the EVAP system. My 82 was failing for high HC and it turned out to be a ruptured diaphram in this valve. It’s the same type of valve that is used to control the distributor cap ventilation so they are swappable.

The other emit component that I’ve had fail is the vacuum switch. It was flaky so sometimes it’d work, sometimes not. I had a spare that was the same. A new one made it clear the old ones weren’t working.

Your EGR issue is puzzling. You replaced the leaky one with a new EGR valve and modulator? It still makes the truck sluggish when operational? Mine doesn’t do that and it’s the old original one. Are you POSITIVE you’ve got the 4 hoses on the engine side of the carb on the right barbs? I’ll have to think about this one some more. Good luck.
 
Move OUT of the peoples republic of Kalifornia to a state more vehicle friendly!

That's the best advice.




TB
 

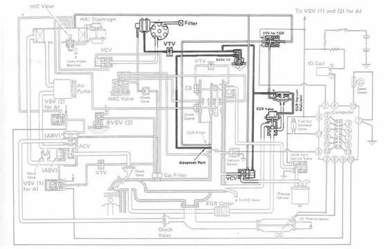
ok I think I have gotten a little closer. I am sure this is to some degree due to my egr system. I drove around with a vacuum gauge in the cab teed in between the modulator and the egr valve. when I get on the gas, especially at high load situations the truck is sluggish and lacks power. this correlates with high vacuum to the egr valve, telling me it is opening under load. if I disconnect the valve it runs great even with the timing @ 7d btdc. this seems wrong but I cant find anything that could be hooked up wrong. looking at the schematic drawing: once the engine is warm I should be getting advancer port vacuum at the egr valve whenever there is high exhaust pressure(acoording to what I can tell exhaust pressure is directly proportional to load) does this sound right to anyone? if so why would anyone have their egr hooked up? what could cause a new valve, modulator and vcv do this? does anyone know if the vacuum restriction shown on the schematic diagram at the modulator is internal?

sorry for the load of questions and thanks for the help.
[ATTACH=full]6370[/ATTACH]
 

Attachments

  • emission schematic diagram2 copy.webp
    emission schematic diagram2 copy.webp
    42.3 KB · Views: 550
Hmmm... That EVAP VCV I mentioned... I didn't realize it was t'd into the EGR circuit. Try plugging that hose at the VCV and see if the EGR function improves. When I was learning about my EGR, I put a vac gauge on it to monitor its operation. I was surprised that it never got full manifold vacuum. I think its because the modulator its actually cycling at a pretty high frequency - like 20 to 30Hz.
 
I have replaced and double checked the vcv. I did a little more driving around, here is what I found:
1. everything hooked up per the manual - sluggish, stumbles on acceleration
2. port "r" of the modulator disconnected - egr still functioning but MUCH more driveable, problem goes away
3. only egr pressure chamber disconnected - same drivability issues as everything hooked up.

this makes me think that the computer should be opening the vsv when the engine is under load. I have checked that the switch closes at roughly 1500 rpm, this allows vacuum from the carb egr port to the modulator "r" regardless of engine load. according to the manual this is correct but at the same time seems to be the root of my problem. any suggestion? thoughts?
 
I may be following in your footsteps....man! can these emissions gremlins be a bugger!!

O.K., if I'm reading all of your posts correctly, it looks as though you've done a TON of work getting to this point. I'm curious though: in all of your posts you fail to mention addressing the VTV, the BVSV, or the VSV....have you run diagnostics on these components as well and found them to be operational and within spec?

It sounds as though the EGR might be open constantly, dumping exhaust gas into the combustion chamber at low RPM's, choking out the mixture and causing it to run rich, creating the stumbling upon acceleration. It's open when it shouldn't be, suggesting that it is receiving vacuum when it shouldn't be. Are your spark plugs fouled up and showing heavy carbon deposits in addition to smelling heavy of gasoline?

Is the stumbling on acceleration more pronounced when the engine temp is low, gradually decreasing as the motor reaches normal temp? If so, I'd take a look at the BVSV as it operates relative to the coolant temp. The VTV ties into the BVSV and one may be impacting the function of the other.

Best guesses to a similar problem and the logic path I will be pursuing if the new EGR valve doesn't solve my problem upon install. Since my modulator is new and the valve will be new, I'll be watching this post with great interest as will others I'm sure. Keep us up to date with your findings.

-dogboy- '87 FJ60
 
may I be as bold as to say (1)cap-off the EGR,put a plate under-it,just completely take it out of the circuit(2)bypass all the thermo valves to the distributor,get your vaccum from a venturi.source. then see how it runs ......your results will be easier to interpet
 
My FJ60 just passed the CA dyno smog test here in the SF Bay area. Running with ERG connected is marginal at best - as if tune up is needed. If you want, can do some comparison testing.
 
db3, I wish I was up north and could compare... I'm in San Diego. I leaned out the idle a liitle more and partially restricted the "q" port on the modulator, blocked the electrical connection for the vsv of port "r". I had it tested again today and still failed with high hc on the 25 mph test. I think I just need a new cat, I bought it a few years ago but it was a cheap "high flow" honeycomb style. I have had a few people tell me these burn out very quickly. If I buy a new one I will probably just use it for the test and put it back in the box for 2 more years. Not having ever driven a "new" 60 I just have a hard time believing it should run this bad with the egr hooked up and the timing set a 7d. does anyone know of a san diego mechanic that knows these trucks? My 60 has yet to go to a pro in the 6 years I have owned it but I don't have any of the more sophisticated analysis tools. I can't imagine there will be too many of these on the road in a few years in california with what it takes to keep it legal. thanks for the help
 
I know I'm getting in late in the game here, but I haven't really seen but one person touch on the subject of your jets. When I was having this problem (in Texas, for God's sake...but mine was caused by a very stupid mechanic: and it wasn't me for once) I talked to Man-A-Fre's emissions guy and he said that what they did to pass the test in a lot of trucks is switch out the jets in the carb. He said they ran like crap, but would pass. Once the test was done, they'd switch the jets back to something that ran better and went from there.

The new cat isn't a bad idea, either. I've still got the org. on my truck and it's just fine. I was talking to someone (can't recall who it was) but they'd mentioned that the Toyota cats were very well designed, not like their American made counterparts at the time (which were $800 replacement parts) - They hold up very well. I had considered going with a new hi-flow cat and I'm glad that I didn't. Thanks for the warning!

60wag also hit a point that I thought of right off the bat: the larger tires with a tired air pump could be causing problems. I may be wrong, but I was under the impression that the EGR's main function was to limit NOx, and wouldn't really effect the HCs. HCs are greatly reduced by the air injection system.

I feel for you though. I beat my head against the wall for months trying to get mine to pass, spending about $1k on crap for it, only to find out that when the air pump was replaced, the idiot mechanic that did it put the hoses on backwards...
 
I sent in my paperwork to the state to let them fix it. I hate to let someone else touch it but I just can't put any more time into it at the moment. I will let you all know what it turns out to be...
 
Back
Top Bottom