Parts diagram help

This site may earn a commission from merchant affiliate
links, including eBay, Amazon, Skimlinks, and others.

Joined
Mar 17, 2010
Threads
78
Messages
1,279
Location
Dallas
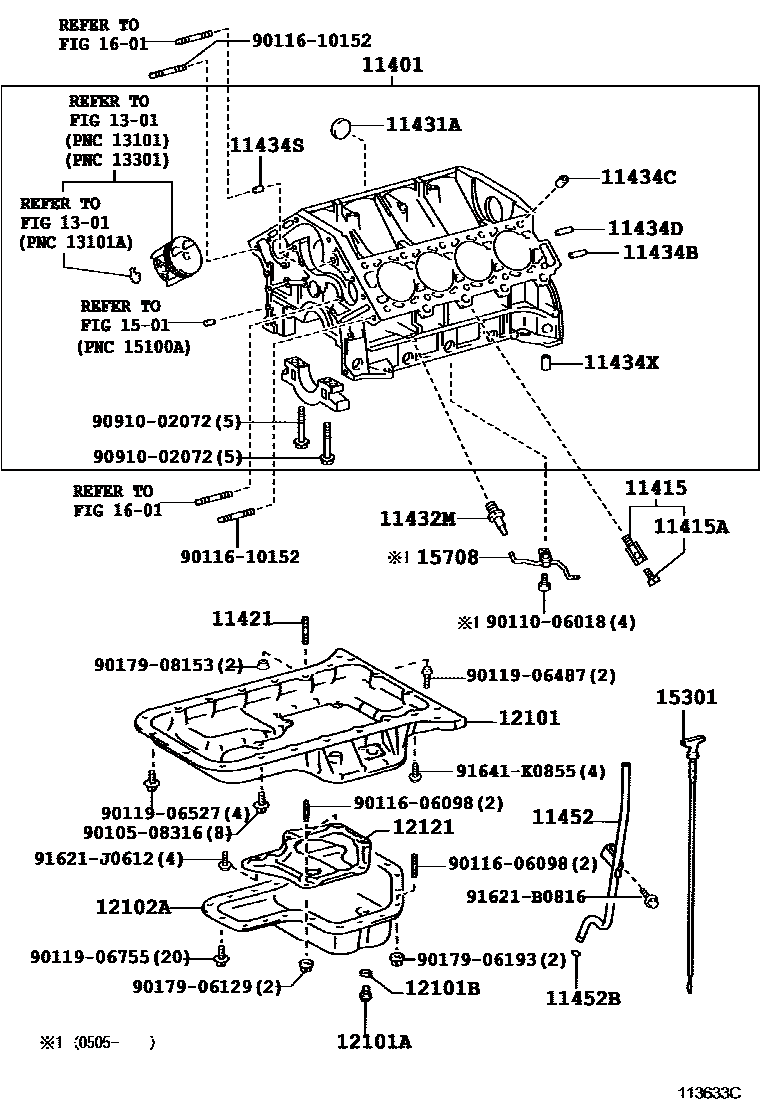
So let's say I have the following part diagram
345163674.png


And I'm looking for the # for the drain plug gasket. The picture shows 12101B. How do I know what the first 5 digits of the number are?
 
Forget about other sites


Go to www.toyodiy.com

Select your car, select specific category in which you will find the required part. When you find the diagram ,just click on the part number in the diagram and you will automatically find its complete number on your right parts list.
 
Back
Top Bottom