Just before our short trip I installed the Slee second battery tray with an Optima yellow top with Blusea solenoid setup. I didn't install the remote due to short time availability.
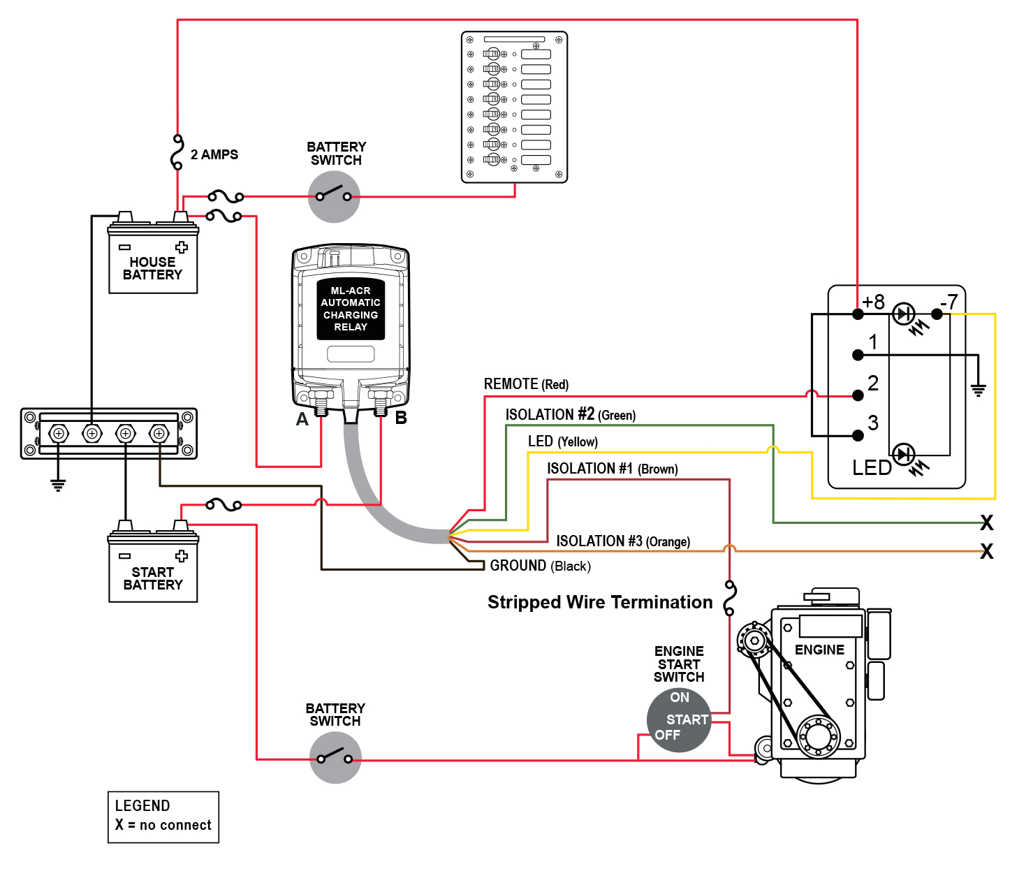
The idea was to run two of my ARB freezers in the cargo as the cigarette plug didn't provide electricity when the car didn't run.
I doon found out on the first day that the optima was not being charged despite reaching a low voltage. All connection s were tight and I couldn't figure out what wss wrong. I even engaged the manual override connection but it didn't charge.
As I am recovering this morning from 2000 mile drive , I connected a shore connection to the optima and thankfully she recovered from dropping to 11.6v.
Only issue I can think of is a poor ground connection to a chasssi for the optima. May be I didnt scrape enough paint off for the grounding wite connection.
Is there a reason to have a bussbar to connect the negatives to a common ground? Two negatives don't need any connection as they share the chassi ground, rigjt?
Any suggestion is appreciated.
My 2004 100 saved our family on our way back from LA big time. On a tight curve section of one lane road , a motorcyclist one car ahead decided to pull over to the dirt just to fall off and threw himself to the middle of the road just missing hitting the car behind him.
I had no time nor room to avoid and swirved to the opposite lane just missing running over the guy.
Thankfully there was no car on the other side. I can think of many bad ways the situation have gone.
My 100 was loaded to the max with 4 passengers and full luggage. She handled the situation well and I was very thankful.
The dude that fell was under the influence....so many crazy people on the road. Good to be home.
The idea was to run two of my ARB freezers in the cargo as the cigarette plug didn't provide electricity when the car didn't run.
I doon found out on the first day that the optima was not being charged despite reaching a low voltage. All connection s were tight and I couldn't figure out what wss wrong. I even engaged the manual override connection but it didn't charge.
As I am recovering this morning from 2000 mile drive , I connected a shore connection to the optima and thankfully she recovered from dropping to 11.6v.
Only issue I can think of is a poor ground connection to a chasssi for the optima. May be I didnt scrape enough paint off for the grounding wite connection.
Is there a reason to have a bussbar to connect the negatives to a common ground? Two negatives don't need any connection as they share the chassi ground, rigjt?
Any suggestion is appreciated.
My 2004 100 saved our family on our way back from LA big time. On a tight curve section of one lane road , a motorcyclist one car ahead decided to pull over to the dirt just to fall off and threw himself to the middle of the road just missing hitting the car behind him.
I had no time nor room to avoid and swirved to the opposite lane just missing running over the guy.
Thankfully there was no car on the other side. I can think of many bad ways the situation have gone.
My 100 was loaded to the max with 4 passengers and full luggage. She handled the situation well and I was very thankful.
The dude that fell was under the influence....so many crazy people on the road. Good to be home.