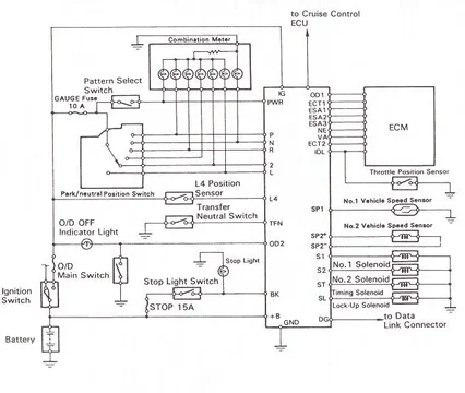
Does anyone have a wiring diagram or pin out for the trans control unit for a 94 FZJ80? I have just finished a turbo conversion but have used a Haltech ecu so I can tune it but have now lost overdrive in the box and we are thinking the trans control unit is not getting a signal which will allow it to shift into O/D. There is about 6 wires that come from the engine ecu to the trans ecu but we do not know what they do.
Any help is greatly appreciated.
cheers
Any help is greatly appreciated.
cheers


