2F Gas Emissions Filter

This site may earn a commission from merchant affiliate
links, including eBay, Amazon, Skimlinks, and others.

Joined
Oct 16, 2021
Threads
9
Messages
42
Location
Birmingham, AL
87 smogged 2F:
Upon removing the carb for rebuild, I spotted this dry rotted piece of plastic that has 3 vacuum hoses attached- sitting on top of what appears to be a typical bolt, screwed into the intake manifold…
Looking into what it could be, found that it is the Gas Emissions Filter for the Air Intake (??)

From what I can make out in the emissions manual, this dry rotted cap looking thing is supposed to be pulling manifold vacuum where the bolt is screwed in…is this correct thinking?

If so, I’m assuming a PO plugged the intake with a standard bolt, and there is no vacuum on these 3 lines.

I supposed a couple of questions would be:
- What is (or is not) happening since these are open to atmosphere?
- If I need to connect them to manifold vacuum, does anyone have an idea on how to go about this?
- Currently, my AC is not working, so I could potentially run a 3-way vacuum line from the AC idle up/ brake booster port on the intake manifold, if the correct routing is too difficult to obtain. What say you?
IMG_9687.webp


IMG_9683.webp


IMG_9686.webp


IMG_9685.webp
 
@WP40 Toyota calls it a “gas filter” when in reality it’s simply a vacuum source to run all the vac-driven widgets. There’s a screen inside of it, I suppose to try and filter out fuel in the intake from being sucked into vacuum spaghetti land - probably the reason for the name. The AC idle up and brake booster have their own dedicated vac source further back on the intake manifold I think on the #6 runner if I remember correctly.

Anyway if you need to run some vacuum stuff and want to do it more cleanly than a bunch of tees hanging off the AC idle up vac source, get the part from Toyota using the number @fjc-man listed above.
 
I just uncovered this same thing today. Been trying to hook up a vacuum gauge, but there was no vacuum coming out of those three lines. Pulled the cap off and there is something plugged into the hole that I can't remove.

I am JB welding a bolt to the top of whatever it is to try and get some leverage to remove it.

Based on other threads this is the best place to hookup a vacuum line to.
 
@Eyeorg why not just by a new one for $30-40 or whatever it is. It’ll last another 30-40 years 🤷‍♂️

And if you only want one or two vac nipples on that thing, Toyota sells those variations as well. I know the double vac nipple version came on some late 80s/early 90s 22RE pickups. I’ve seen pictures of the single nipple ones but I have no idea what those are from - I would guess something older since there was less vacuum-driven emissions stuff in general but I don’t know.
 
I may have overlooked it; but when reading through the desmog document provided on mud, I didn't see anything specific to this piece. If there's a chance of a desmog (I haven't figured out if it's worth doing or not on this 60), then I suppose I would leave the current bolt in as is?

With the 3 vacuum lines not connected, what am I missing out on? I mean, when I connect them to vacuum, what will change? I think some are related to the Air Injection and one to the HAC but I've yet to underhand those inner workings.
 
1700482712363.webp

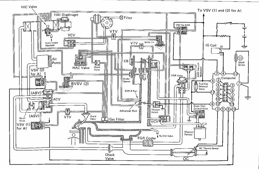
Looking at this image the gas filter supplies vacuum to:

1. BVSV 2
2. VSV1 for AI system
3. HAC (vacuum advance secondary)
4.. VCV that pulls vaccum off from the dizzy (internal housing)

1. The BVSV valve is a solid piece of brass and no air moves through it to the t stat housing. It only functions to open a vacuum valve so when your engine temp gets to the correct temp (based on you having the correct BVSV) once the temp is reached and the valve opens...vacuum continues on to the HIC and Choke opener per the diagram above. The HIC is a high idle compesation. Allows air into the air cleaner during high idle to help maintain correct fuel/air ratio during high idle.

The choke opener allows for slight opening of the choke so you have correct fuel/air burn just after choking and start up.

2. VSV1 sends signal by wire to the emissions control panel. And sends vaccum on to the ACV part of the AI system.

3. HAC adjusts the vacuum advance during use at high altitude. Pulls vacuum on sub diaphram of the dizzy advancer.

4. Feeds VCV under the passenger side of the air cleaner that pulls vacuum on the dizzy internal housing (NOT ADVANCE) This keeps gasoline fumes out of the dizzy a problem that could cause mini explosion inside the dizzy pushing gas smells into the cabin of your vehicle and possibly reaking havoc inside the dizzy.
 
Picked up a used filter for $15. thank you @fjc-man for the part number. Put that on with new vacuum lines and took it to the grocery store. Everything felt smooth for the most part while running up to 45mph. There was a couple of times where I felt a skip/stall for a fraction of a second while cruising. I’m contributing that to possible water? Maybe/maybe not. I’m not saying it has anything to do with adding this back to the system, just an observation from the drive.

Also, after being in the store for 10 min and then coming back to drive, it took a couple of turnovers and one click out of the choke to start. I’ll search the forum for these issues but again just saying it here in case anyone thinks it could be related to this system.

IMG_9947.webp


IMG_0042.webp
 
If the manifold/carburetor fan doesn’t automatically turn on after shutting down, the engine will require more cranking to get it started if it’s still hot.
 
If the manifold/carburetor fan doesn’t automatically turn on after shutting down, the engine will require more cranking to get it started if it’s still hot.
I actually checked to see if it did come on once I got out of the truck and it was running. So unless it wasn’t running long enough, something else could be the culprit.
 
On my de-smogged trucks, I purposefully stop up those three nipples with black FIPG. They are not needed in a typical de-smog setup, and stopping up the ports looks better visually than shoving on funky-colored vacuum caps ors small sections of vacuum line with screws stuck in them or looping a vacuum line from one port to the other and having a screw shoved in the third one. I do the same thing with the little ports on the air cleaner housing.
 
Back
Top Bottom