Builds Rescuing a Basket Case '72 FJ40 (5 Viewers)

This site may earn a commission from merchant affiliate
links, including eBay, Amazon, Skimlinks, and others.

Now that I've had a chance to hear the engine run, I'm digging into the electrical a bit. As mentioned above, the electrical system has been thoroughly messed with, and whatever stock wiring is left is dirty and corroded. I had to emery cloth the fuse box twice to get continuity across some of the fuses - there's just such a heavy layer of corrosion on the contacts.

Anyway, I started with the headlight circuit. I pulled the switch, sprayed it down with WD-40 and cleaned the contacts, reinstalled, and presto! The headlights work, including the high beams!

fj40282.webp


So that was exciting. I then decided to install the new tail lights I ordered a while ago from City Racer. Of course there were some broken bolts to contend with, so out came the drill and tap. The passenger side mounting holes were clear, but I still chased them with the tap to clean out the threads.

fj40284.webp


These taillights are just so beautiful! I love them.

fj40285.webp


The rear wiring harness is a jumbled mess, but I did find at least one hot wire all the way to the back, so it'll just be a matter of extending some of the broken wires and figuring out what connects to what, and hopefully we should have lights all the way around!

I've also been spending some time de-gunking the engine bay. There was a thick layer of mung covering the block, and a coating of ancient dirt everywhere else. The greasy valve cover and rusty air box all got a coat of paint. It's starting to look like a vehicle that someone cares about.

fj40286.webp


All of this stuff is of course an excuse to avoid having to make/install the cargo floor, which will be a huge job that I'll have to get to eventually. In the meantime, I tell myself that it's easier to work on the wiring with the floor out of the way, haha.
 
. . . So that was exciting. I then decided to install the new tail lights I ordered a while ago from City Racer. Of course there were some broken bolts to contend with, so out came the drill and tap. The passenger side mounting holes were clear, but I still chased them with the tap to clean out the threads. . . .
Instead of cleaning threads with a tap, which can remove metal that you don't want removed because the fit would be loosened, pick up a set of thread chasers. They will remove crud/debris and repair the threads but not remove any metal, which will keep the bolt fit tighter.
 
Instead of cleaning threads with a tap, which can remove metal that you don't want removed because the fit would be loosened, pick up a set of thread chasers. They will remove crud/debris and repair the threads but not remove any metal, which will keep the bolt fit tighter.

Never heard of this tool! Thanks, I'll check it out.
 
A buddy taught me to make a poor man’s thread chaser by taking a bolt of the same size and cutting two grooves in it, about 1/3 the way up the threads. The grooves are deepest at the bottom of the bolt, and shallow to the point of nothing at the top. You cut it in a fashion where tightening the bolt presents a 90* angled groove to the threads, and in the loosening direction it’s a shallow angle so it doesn’t cut. The 90* creates the cutting when needed and the shallower side creates room for debris to collect. I think it’s best if the bolt tapers at the bottom too. Toyota had bolts like this on Cruisers - the skid pan bolts on a 60 come to mind. But you can just make your own. That truck saved me on a stripped brake line bracket once.
 
A buddy taught me to make a poor man’s thread chaser by taking a bolt of the same size and cutting two grooves in it, about 1/3 the way up the threads. The grooves are deepest at the bottom of the bolt, and shallow to the point of nothing at the top. You cut it in a fashion where tightening the bolt presents a 90* angled groove to the threads, and in the loosening direction it’s a shallow angle so it doesn’t cut. The 90* creates the cutting when needed and the shallower side creates room for debris to collect. I think it’s best if the bolt tapers at the bottom too. Toyota had bolts like this on Cruisers - the skid pan bolts on a 60 come to mind. But you can just make your own. That truck saved me on a stripped brake line bracket once.
Just use a higher grade bolt so it doesn't run the threads twice haha!
 
Just use a higher grade bolt so it doesn't run the threads twice haha!
I went with the “try whatever I had on hand on hand because the situation is ****ed anyway” approach, but yes, harder bolt 👌
 
Still working on lights. When I purchased the truck, it had no signal lights, though someone had wired in a Harbor Freight tractor light in place of the front passenger signal light...:rolleyes: Anyway, someone gave me a set of 40-series signal light pods, which purists will note are not correct for the 1972 model year. Even though the correct ones are still available, I've decided to run these because it kind of fits with the super-low-budget ethos of this build.

fj40289.webp


The wiring did take a bit of figuring, though, because these later lights have three bulbs, compared to the single bulb of the stock lights. Further, they had already been modified by someone else, so they weren't even working as designed, haha. Anyway, I decided to wire them so that the clear lamp turns on with the headlights/running lights, and the lower and side amber lights flash. With this configuration, I have a signal light that is visible from the side.

fj40288.webp


With bulbs in all sockets and the lamps reassembled, there was finally enough load on the circuit to test the flasher relay. I was relieved to see that it seems to work well. I can't fully test the turn signals until the rear wiring is complete, but the hazards flash nicely. Fixing the wiring at the rear of the car is the next step, so I should have more updates soon.

fj40287.webp


Thanks for following along!
 
In other news, I bought a Pig!

1977 FJ55, bought sight unseen, just like my last 2 Land Cruisers, haha. Looking forward to digging into this one, once it arrives at my place!

fj551.webp


fj552.webp
 
Congratulations on the pig. I want one, but scared of the rust…. Maybe someday I’ll find a rust free sample…
My budget only allows for rusty Land Cruisers, haha. Also, here in Canada, they’re all rusty - so it’s either deal with rust or buy a Jeep. I choose rust.
 
Can any J40 experts confirm that these wires go to the reverse light switch? They’re the right colour according to the Haynes electrical diagram (LR), but they’re a different colour than the reverse light wires in the rear light harness (RL).

One of the wires is hot with the ignition on, which seems correct for the reverse light circuit, but they don’t seem quite long enough to reach the reverse light switch pigtail. Any insight appreciated!

IMG_0671.jpeg
 
Can any J40 experts confirm that these wires go to the reverse light switch? They’re the right colour according to the Haynes electrical diagram (LR), but they’re a different colour than the reverse light wires in the rear light harness (RL).

One of the wires is hot with the ignition on, which seems correct for the reverse light circuit, but they don’t seem quite long enough to reach the reverse light switch pigtail. Any insight appreciated!

View attachment 3697067

Can you determine where the wires trace back to?

They appear blu/red (blue/red) but the Trollhole wiring diagrams don't show a blu/red wire.

Is it possible the wiring harness has been replaced with a later year harness?
 
Last edited:
Anything is possible, I suppose. I would guess that it's the original harness, though.

I hadn't seen those Trollhole diagrams. They're much more clear. In fact the link you posted led me to a colorized version that's even more helpful.

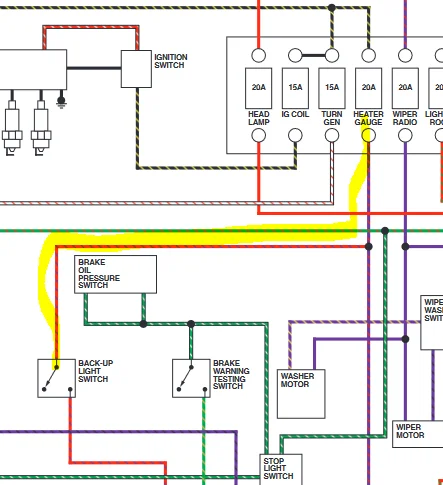
Anyway, this section of the diagram seems to show the blue/red (or LR as Haynes calls it) connecting to the red/blue wire that leads back to the back-up light (see yellow highlighting added by me), so I think that solves my mystery. The Haynes diagram is lacking this detail (and also has a few other errors that I've found).

1723154959753.png


Thanks for taking the time to dig up that link for me!
 
Anything is possible, I suppose. I would guess that it's the original harness, though.

I hadn't seen those Trollhole diagrams. They're much more clear. In fact the link you posted led me to a colorized version that's even more helpful.

Anyway, this section of the diagram seems to show the blue/red (or LR as Haynes calls it) connecting to the red/blue wire that leads back to the back-up light (see yellow highlighting added by me), so I think that solves my mystery. The Haynes diagram is lacking this detail (and also has a few other errors that I've found).

View attachment 3697487

Thanks for taking the time to dig up that link for me!
On the early years of column shift the back up switch was under the hood on the steering column with the shift linkage. Yes if I remember correctly those are back up wires. Touch them together and see if the back up comes on
 
Over the weekend I got the back-up lights sorted. @mrboatman was correct that the blue/red wires are the reverse light wires. Strangely, the leads on the reverse light switch were way too short to reach the harness, so I'm not sure what happened there. Did a PO swap in an incorrect reverse light switch and just never hook it up? Was there an intermediary wire that connected the two? Who knows. Anyway, to resolve the issue, I extended the leads on the switch, adding about 18" of wire, soldering the original bullet connectors back in place, and wrapping it all in e-tape.

fj40290.jpg


Here's the switch reinstalled and ready to rock:

fj40291.jpg


...and where it connects to the harness, right below the brake booster:

fj40292.jpg


And finally...VICTORY! With everything reassembled, I have a back-up light!

fj40293.jpg


The tail lights and brake lights still need a bit of work, but the end is in sight for the lighting on this truck.
 
Last edited:
Also installed a new clutch slave cylinder and soft line. Like the brake and clutch master cylinders, the clutch slave was completely seized. Still on the hunt for a clutch master, but the lower part of the system is good to go.

fj40294.webp
 
One thing that I have been researching and can't find a clear answer to:

Does the '72 FJ40 have a 4WD indicator light? There is a light on the dash where the earlier 4WD indicator is located, but I don't think it's a stock lamp (thanks @CruiserTrash). I also am unable to locate any sort of switch on the transfer case. Did the mechanical shift FJ40s simply use the location of the transfer case shift lever to indicate 4WD? I'd appreciate any insight that '72 FJ40 experts may have.
 
One thing that I have been researching and can't find a clear answer to:

Does the '72 FJ40 have a 4WD indicator light? There is a light on the dash where the earlier 4WD indicator is located, but I don't think it's a stock lamp (thanks @CruiserTrash). I also am unable to locate any sort of switch on the transfer case. Did the mechanical shift FJ40s simply use the location of the transfer case shift lever to indicate 4WD? I'd appreciate any insight that '72 FJ40 experts may have.
I have a survivor bone stock '72 FJ40 but in RHD. It does not have a 4wd light and the floor shifter is the indicator.
 

Users who are viewing this thread

Back
Top Bottom