Man, this makes me wish I had a 40 TUB![]()
Fixed it for you!
Follow along with the video below to see how to install our site as a web app on your home screen.
Note: This feature may not be available in some browsers.
This site may earn a commission from merchant affiliate
links, including eBay, Amazon, Skimlinks, and others.
Man, this makes me wish I had a 40 TUB![]()

Did stuff, but didn't take many pix. My favorite, the root beer '40 basking in the sunshine, it got there and returned to the shop under it own power!![]()
got there and returned to the shop under its own power!![]()


Are you kidding me? No mention of how it drives, power, etc?
The thing starts up as soon as you turn the key...Tools R Us and Inkpot are master fabricaters... I have been watching this build off n on and they are top notch at figuring this stuff out........The review and pictures for Motor Trend and Car and Driver will be posted in the future pending some of the troubleshooting...Are you kidding me? No mention of how it drives, power, etc?
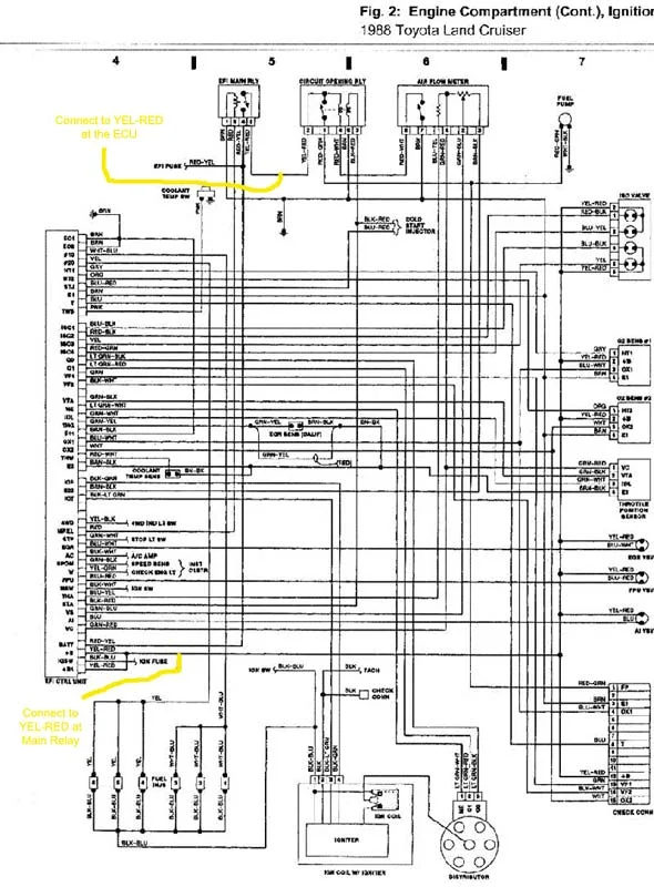
Went over the harness looked good, but no power at the check B+, some stuff not clicking (VSV, IAC, etc) so went home for the night.


Can't tell for sure, but it looks like the inner seal died. Leaking from the weep hole.Super clean setup, you guys do really nice work. Looking forward to a write up on driving impressions.
The water pump leak, did you put thread sealant on the long bolts that go in to the water cavities in the block?
Very impressive, this is not an easy conversion.

... I'm confused on how the midwire splice gets the shrink wrap from the picture. ...