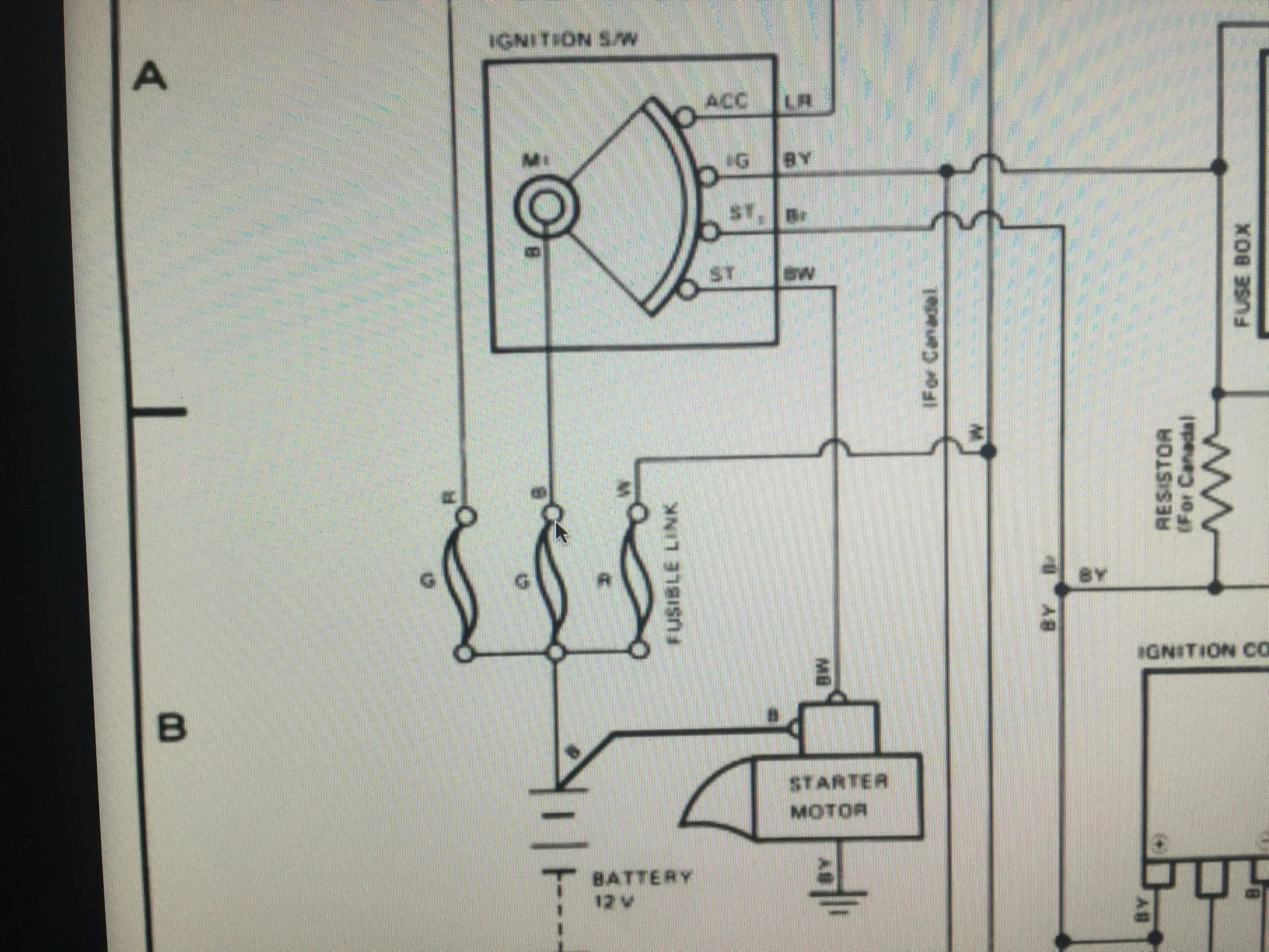
Alright finally looked at a wiring diagram to solve this brake light wiring issue. And this is what I came up with.
Notice the cable from the battery goes to a 3 wire fusible link.
This guy right here. (Which whoever had the FJ before me didnt have wired in)
Single wire from the battery goes to 3 fusable links and connects to 3 wires (plug) coming the other end. The 3 wires coming out the other end are (red, black, white). Long story short - my rig had some jerry rigging wiring that deviated from stock.
As seen in an earlier post - I had a red, black and white wire that went to my alternator lug. The alternator plug that comes off the alternator houses 3 wires inside as well. So 4 wires going to alternator. I deleted the short white one from battery to alternator lug. I also deleted the plug that houses the other 3 wires. Leaving me with just red and black wires. Seen below.
Red, black and thick white went to battery before the swap. Thick white went to alternator lug. Thin white, yellow, and thin black with yellow stripe were all part of the plug that went to alternator. As mentioned I deleted all the alternator wires and just ran the red and black to battery terminal.
Turns out that white wire above needs to run to battery terminal as well. Its responsible for
Heater Blower Motor
Brake Lights
Headlight Cleaner
Tail Lights
Fromt & Rear Marker Lights
Dash Lights
Instrument Lights
Interior Lights
And probably more
Re-wired the white one in with the red and black to the battery terminal and everything works as it should.
