1990 HDJ81
Pioneer DEH-7000BT (bluetooth, USB input, single DIN)
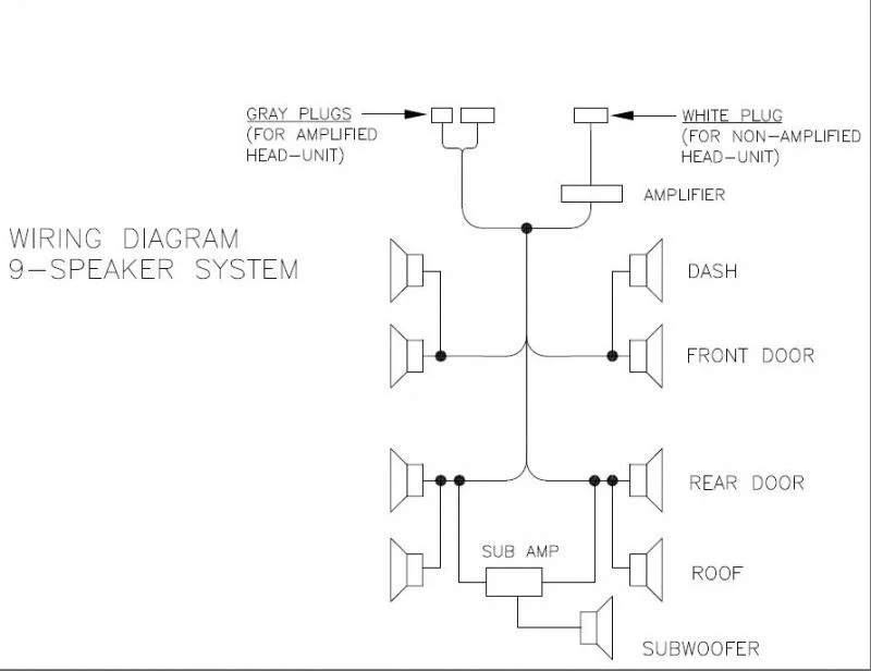
Removed factory Amp - no, may try in the summer
Cable harness - bought a Toyota adapter harness from Canadian Tire
Worked with stock speakers but sounded like crap. New Pioneer 4" speakers front and rear made a huge improvement even for the size. Totally stock looking.
Stock sub seems to work but needs replacement - it farts low frequencies. I have a powered 10" Bazooka Tube that I may install into a set of drawers in the hatch.
Basic straightforward install.
Sounds very good, even with a loud diesel. The microphone for the bluetooth telephone is not great. I have it installed at the lower centre of my instrument cluster. Other callers have troubles hearing me, especially when I'm actually moving. I haven't experimented with alternate locations yet. I stream Slacker Radio via bluetooth all the time and the sound is very clear. I almost never listen to FM radio and I haven't carried a CD in my truck in years. I have an 8GB flash drive that I keep loaded.
If single din, what did you put in the empty space? My gauges.
Afterthoughts: I'd look for a stereo with the volume control on the right side so it is easier to reach from the driver's seat. I'd also place my gauges in a different location as they make it difficult to access the faceplate tilt button. This is mostly due to the DIN mounting plate for the gauges not fitting in the dash very well.
Pioneer DEH-7000BT (bluetooth, USB input, single DIN)
Removed factory Amp - no, may try in the summer
Cable harness - bought a Toyota adapter harness from Canadian Tire
Worked with stock speakers but sounded like crap. New Pioneer 4" speakers front and rear made a huge improvement even for the size. Totally stock looking.
Stock sub seems to work but needs replacement - it farts low frequencies. I have a powered 10" Bazooka Tube that I may install into a set of drawers in the hatch.
Basic straightforward install.
Sounds very good, even with a loud diesel. The microphone for the bluetooth telephone is not great. I have it installed at the lower centre of my instrument cluster. Other callers have troubles hearing me, especially when I'm actually moving. I haven't experimented with alternate locations yet. I stream Slacker Radio via bluetooth all the time and the sound is very clear. I almost never listen to FM radio and I haven't carried a CD in my truck in years. I have an 8GB flash drive that I keep loaded.
If single din, what did you put in the empty space? My gauges.
Afterthoughts: I'd look for a stereo with the volume control on the right side so it is easier to reach from the driver's seat. I'd also place my gauges in a different location as they make it difficult to access the faceplate tilt button. This is mostly due to the DIN mounting plate for the gauges not fitting in the dash very well.

[url=https://flic.kr/p/XGCE2z]
IMG_2139