Good Morning everyone, hopefully I didn't miss a thread about this in my search.
I currently do not have A/C in my recently acquired 40th and would like to hopefully rectify the issue before the weather gets too warm. Symptoms are the engine idles up as I feel like it should when I push the A/C button but the compressor does not actually engage and nothing more than lukewam air comes out of the vents (low 50s ambient) I tried all functions to see if I could trick it into working (defrost/recirc/auto, etc) but nothing seemed to work. All blower functions and temp control seem to work OK.
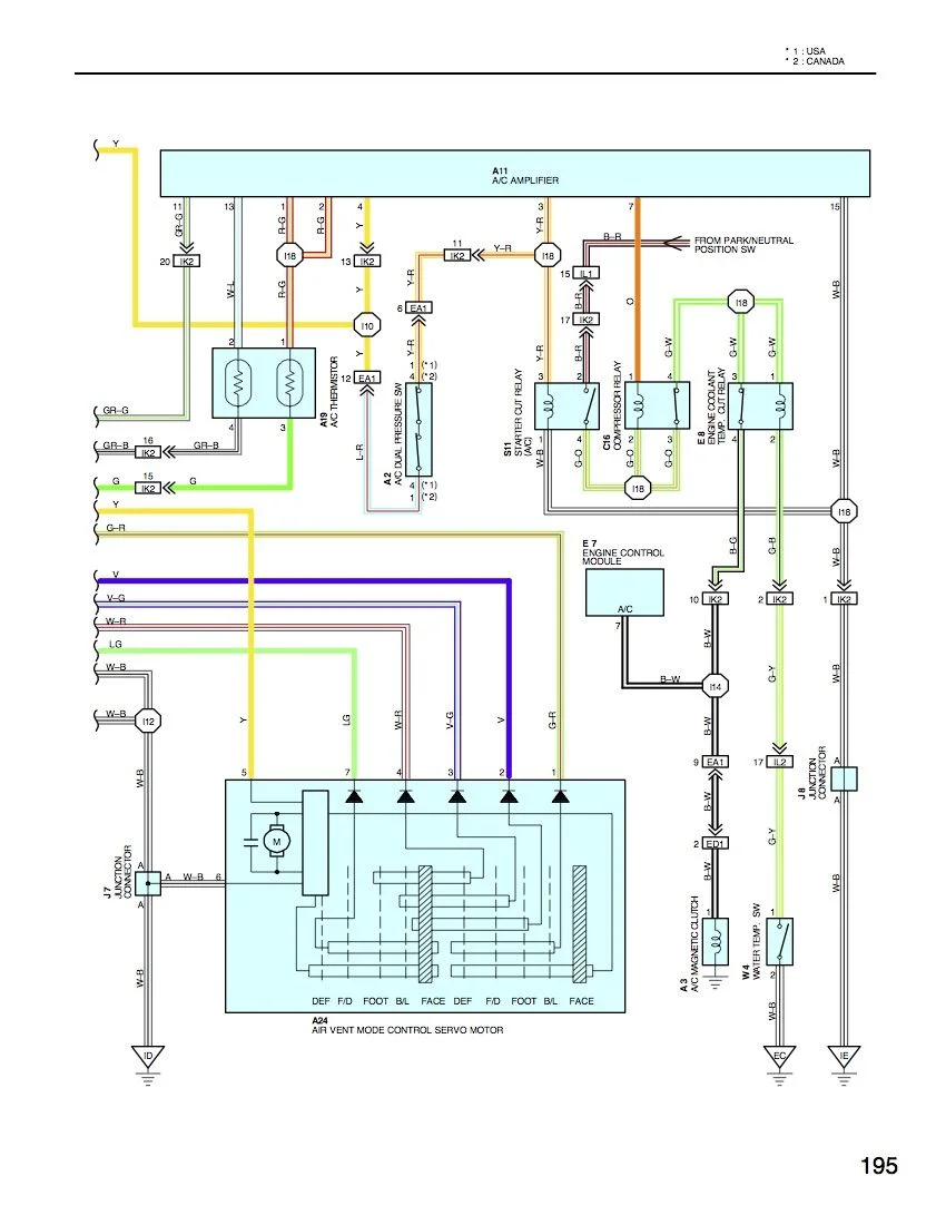
Backstory is...The truck was purchased from a family member who states he had it inspected by two different shops that claim it is the control unit (found one invoice confirming this) and that the rest of the system is in great shape. I'm trying to figure out if this seems like an actual control unit failure or if I should be investigating the amplifier that I read about failing on these Auto units. I read that the amp can get corroded and fail but I didn't find a definitive location as to where this is (I read by the pedals and also behind the glovebox?) Also read that it might be possible to clean it to restore its function?
I'm just trying to find the best avenue to pursue since both options seem to be very pricey with replacements.
Appreciate the help, feel free to ask for clarification if something I said doesn't make sense.
I currently do not have A/C in my recently acquired 40th and would like to hopefully rectify the issue before the weather gets too warm. Symptoms are the engine idles up as I feel like it should when I push the A/C button but the compressor does not actually engage and nothing more than lukewam air comes out of the vents (low 50s ambient) I tried all functions to see if I could trick it into working (defrost/recirc/auto, etc) but nothing seemed to work. All blower functions and temp control seem to work OK.
Backstory is...The truck was purchased from a family member who states he had it inspected by two different shops that claim it is the control unit (found one invoice confirming this) and that the rest of the system is in great shape. I'm trying to figure out if this seems like an actual control unit failure or if I should be investigating the amplifier that I read about failing on these Auto units. I read that the amp can get corroded and fail but I didn't find a definitive location as to where this is (I read by the pedals and also behind the glovebox?) Also read that it might be possible to clean it to restore its function?
I'm just trying to find the best avenue to pursue since both options seem to be very pricey with replacements.
Appreciate the help, feel free to ask for clarification if something I said doesn't make sense.

The joys of a 20 year old truck.