What Did You Do with Your 80 This Weekend? (60 Viewers)

This site may earn a commission from merchant affiliate
links, including eBay, Amazon, Skimlinks, and others.

Cleaned out its winter home and slipped her inside.

IMG_2549.webp
 
Installed new bumper courtesy of TurboDennis. Quite happy with it... great build quality.

Now just have to find a winch... if anyone has a secondhand one in good condition they'd be willing to part with, I'm you're guy.


View attachment 3497425

I was sitting here looking at that wall and the house in the background of your picture, and was like... man, that looks like Hawaii. lol
 
When will these available for purchase?

On website now. 1 remaining as of a few minutes ago.


J
 
Best to consult your local dealer for the necessary parts.
Thanks, I already purchased all the parts from Amayama, listed in this video by Timmy
He didn't mention the PHH.

The PHH is only a little bit of straight hose. If it looks like it needs replacing, that won't be too hard to fabricate.
 
Last edited:
I have a heater and dehumidifier in the shop for a reason.

Nope. Doesn't work. It'll rust away.


I used mine to get a tree.
We are doing a rookie level snow run next weekend, so it's going to stay dirty until after that.
 
Replaced the throttle cable, It doesn't even feel like I'm driving the same truck! I also replaced the steering wheel clamshell. Fixed a few little things, new grommets, unhooked ground ect.. but found at least 5 other things that need attention. I also added some heat shield to the harness by the EGR valve.
20231203_141535.webp
 
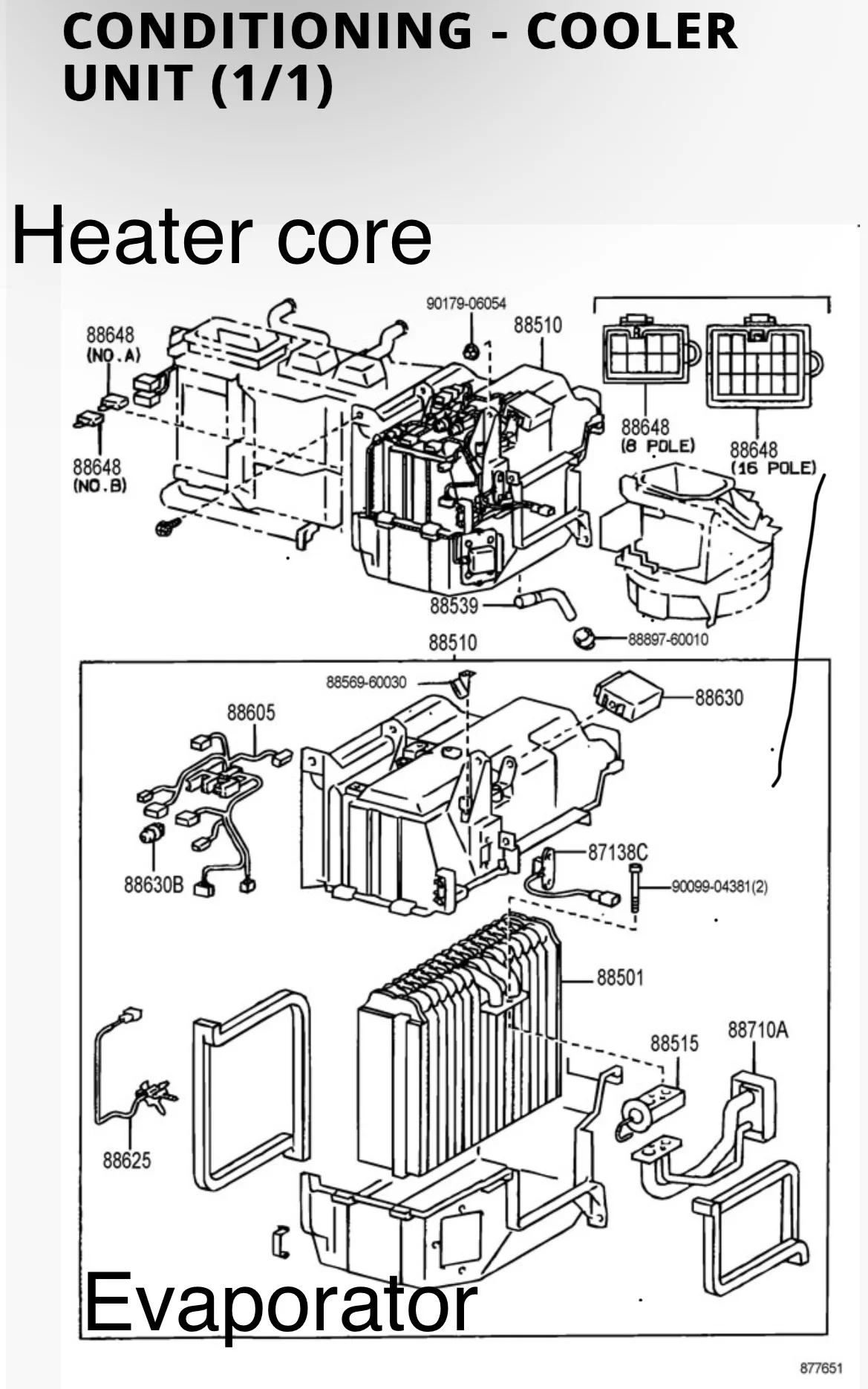
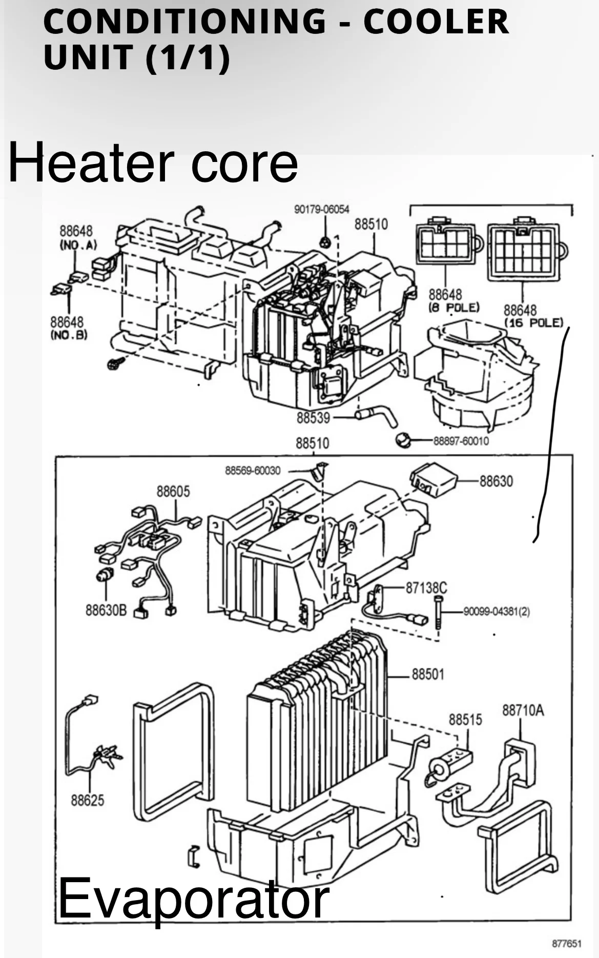
IKsokudo is this evaporator related to the AC system? Where is it located on a FZJ80? Thanks

Same place as FJ80 behind the glove box it’s not hard but not easy either.
search the threads there’s a good write up.
You will have to recapture the r-13 r134 unless yours leaked out like mine. I ordered a new evap core , expansion valve and drier from rock auto. The core was my leak issue all that gunk and water from condensation over the years took out the bottom. Also found threads on the closed foam for resealing the areas between the blower. Evap box and diverter doors

IMG_0932.webp
 
Last edited:
Ooo. Good looking truck!! A little more polished than some of the Cruiser boys I know in Huntsville (😉 @Zjohnsonua). Too bad it won’t fit in the garage anymore? 😆
Hah! I follow them on trails so not for long. It actually does still fit in the garage but only on a full tank!
 
I learned that if you consult a 1994 FSM wiring diagram when wiring in a new alternator pigtail on a 1996, you let the blue smoke out. : /
 

Users who are viewing this thread

Back
Top Bottom