Need help finding ground b lock behind dash in early 1982 cruiser

This site may earn a commission from merchant affiliate
links, including eBay, Amazon, Skimlinks, and others.

caladin

Noob, but trying to learn
SILVER Star
Joined
May 30, 2011
Threads
226
Messages
895
Location
Pflugerville Tx
Website
bz93.com
I found a thread that shows the location on the fj62 harness, but my harness looks different than that one. It's all covered with alot more corrugated plastic tubing.

Here are the images of the 62 harness showing ground binding block locations.
They come from this post(towards the bottom)
Where are the FJ62 ground points? - https://forum.ih8mud.com/threads/where-are-the-fj62-ground-points.1018631/


1695622741190.jpeg


1695622498807.jpeg



1695622598047.jpeg

1695622774002.jpeg




My harness looks like this one, very different from the 62 above..

82 harness Still has glass fuses. These pics are from one someone was selling online... But they are the best pics of an early harness I was able to locate.

I can't find the ground block on these pics either.

1695622692790.jpeg

1695622724234.jpeg

1695622820573.jpeg


1695622843335.jpeg


1695622882548.jpeg


1695622900773.jpeg





After 83, the harness goes to the ATC fuseblock and relay block in one, from my understanding. So don't know if 83 or later would be the same., Thus why I'm looking for 82 and earlier. (Mine was build 12/81)


For the life of me even with all these photos I can't find it. Maybe it's covered by the corrugated tubing and on the very bottom? I've felt all over the taped sections and have not felt a rectangular connector taped on it.

Can anyone point me in the right direction? Is it just around the back of where I searched..
I do not want to unravel everything, strip off all the tape and plastic conduit, to find it that way, unless I Had no other option..

Can anyone share better photos of it on an 82 harness?

Any help on the location would be awesome. I even felt around to the underside and it no joy.

I assume when i find it, it's going to be white not orange as in the later ones?

This is literally the last thing to do(on this issue) before I can button things up and drive her again...


Thanks,

Eric-

Edit: Sorry if this is rambling I was writing it when my sleeping pills kicked in and .. well,. they don't mess around. I've tried off and on for a days looking for this ground block. Its reached the point where I'm just stuck and have no idea, other than just peeling the whole thing, or buying the $400 wiring harness online and figuring it out. So asking y'all is kind of my last hope before going extreme mode..

Thanks,
 
Last edited:
Photos of what I'm looking at behind my dash.

PXL_20230919_224241792.jpg

PXL_20230919_224241792.jpg


Useing the AC tube as a landmark, my best guess was that it ought to be right here where I stripped off the harness tape...


PXL_20230919_224236625.jpg




Based on the 62 harness posted I thought it should be where I cut back the. Harness tape, but I could not find it.
 
Last edited:
I have an '82 as well and have rebuilt the entire chassis harness, there is no ground blocks like on that late model harness. The grounds are just spliced together within the harness.

These really early harnesses are a bit different, fuse layouts are different, can be very frustrating when researching for info.
 
My truck is 07/1982. These links might help. I haven't gotten to the point of going through my electrical system yet myself though.


Thanks,

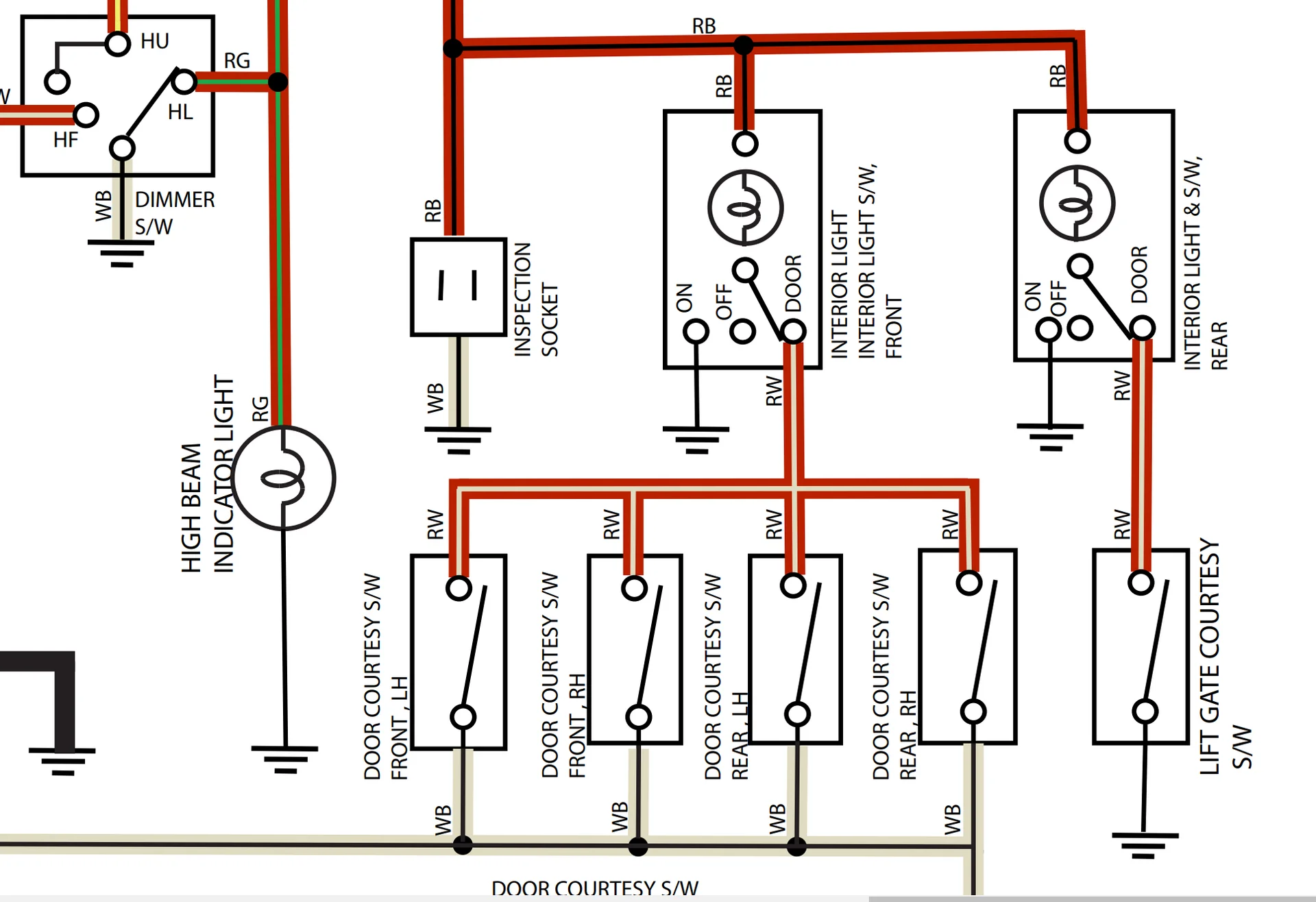
Yep, That's literally my Color wiring diagram on my Etsy store. I made it for myself and threw it up there for $25, incase it helps someone out. I've actually sold 2.

The problem is physically finding the Physical block in my truck, I've had the gauges out a week and have not found it.

The reference pic i can find it on is photos of a fj62 harness.(in the first post)

And photos of an 82 harness someone had for sale (also in first post) where I can't find it either (it's not well spread out)

What I'm really hoping for is a pic of it on a 82-ish harness, because they look different than an fj60 harness which is my reference.

Thanks,

Eric-
 
Thanks,

Yep, That's literally my Color wiring diagram on my Etsy store. I made it for myself and threw it up there for $25, incase it helps someone out. I've actually sold 2.

The problem is physically finding the Physical block in my truck, I've had the gauges out a week and have not found it.

The reference pic i can find it on is photos of a fj62 harness.(in the first post)

And photos of an 82 harness someone had for sale (also in first post) where I can't find it either (it's not well spread out)

What I'm really hoping for is a pic of it on a 82-ish harness, because they look different than an fj60 harness which is my reference.

Thanks,

Eric-

Like I said above, I have an '82, there is no grounding block like shown above. The grounds for the harness are spliced within the harness. That block will never be found in your harness.
 
@gregkline55 on my 82 there’s a splice in the wiring going to the alternator that feeds the cabin fuse panel. It’s buried in the harness between the fusible link and alternator. Are the grounds spliced similarly?
 
@gregkline55 on my 82 there’s a splice in the wiring going to the alternator that feeds the cabin fuse panel. It’s buried in the harness between the fusible link and alternator. Are the grounds spliced similarly?

Correct, the same fashion for the grounds. I literally have my entire chassis harness laid out in a room in my house right now and can guarantee this is how its done.

To the PO, im not sure if I missed it, but what do you need to find this ground block for?
 
Greg Kline, Sorry man I missed you post!

Well, I guess that's a relief, I'm not insane.

Converted the Gauges to LED, Now when I step on the Brake pedal, the turn signals light up like 15%.

I figure it's power reversing through the cluster because of a bad ground on the brake light circuit.

I've checked both the A-pillar grounds and they look good.

I Need to look for a bad ground in the wiring harness, at this point, right?

Do you know which wire is the ground for the tail light switch circuit in the harness? I can splice that to a good ground if nothing else.
Looks like it ends up at the seat belt warning relay? Mu search says it's passenger kick panel, beeps when keys in and on and door is open. Dunno but it beeps when i turn the key on. Seems odd that it goes past the fuse panel and both a-pillar grounds.

As I remember it leaves the tail light, joint with the marker light, and then runs all the way back up to the front of the truck.

It'd be awesome if you could take a bunch of pics of the harness while it's laid out and post it on mud. Those are suuuuuper useful as references.

Thanks,
 
Last edited:
Damn, that’s useful for my 82. Good find!
I think I posted a Jpeg of it on mud back when I first made it.

The version on etsy is a PDF, which is super nice, it's all vectors, so you can scale it up as big as you want and print it. You can also Zoom in and it still looks good.

Zoomed in screen shot:

1695754144114.png


I have a color wiring diagram for my Fj40 that wraps around the door and the side of the fridge in the garage, it's like 4 feet long. That thing is super nice. Still need to print this one out.
 
Last edited:
Back
Top Bottom