Cabin air filter conversion - LC100 to LX470

This site may earn a commission from merchant affiliate
links, including eBay, Amazon, Skimlinks, and others.

Good question, but judging by the diagrams, yes it looks OK. Remove antenna relay though.

why the fek would you need to touch the antenna?

anyway https://forum.ih8mud.com/100-series-cruisers/39995-lx470-cabin-air-filter-replacement-diy.html surely that covers the issues around the pull out maintainable filters.
My GXL is sealed like yours. Saharas and LX470s have the maintainable filters i think. Let us know on here if thats correct.

RoboRed needs to provide more info on where that filter is in terms of HTF (how the ****) you disassemble whatever friggin fan blower you are on about.

The cabin filters are on the output side of the blower. Here the blower motor is removed and you can see the filters to the left.

View attachment 538833


Sorry for the frustrated terminology but i spent a while in that part of my LC only to find my "filters" are not servicable. (i was also there with a UHF radio install gone wrong, side issue)

Photos please. I've not seen that filter element anywhere and am happy for you to educate me on where it is as i have done the disassemble in the link above and seen that my LC filter is sealed too.
cheers
peter
 
Last edited:
why the fek would you need to touch the antenna?

anyway https://forum.ih8mud.com/100-series-cruisers/39995-lx470-cabin-air-filter-replacement-diy.html surely that covers the issues around the pull out maintainable filters.
My GXL is sealed like yours. Saharas and LX470s have the maintainable filters i think. Let us know on here if thats correct.

RoboRed needs to provide more info on where that filter is in terms of HTF (how the ****) you disassemble whatever friggin fan blower you are on about.




Sorry for the frustrated terminology but i spent a while in that part of my LC only to find my "filters" are not servicable. (i was also there with a UHF radio install gone wrong, side issue)

Photos please. I've not seen that filter element anywhere and am happy for you to educate me on where it is as i have done the disassemble in the link above and seen that my LC filter is sealed too.
cheers
peter

Peter, that's a lot of questions/remarks. Funnily enough, I get your frustration.... I'll try to be clear for you and others and offer some sort of recap so far.

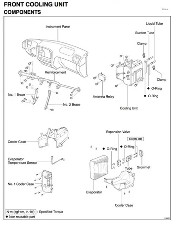
To replace the cover which we are talking about, the one that has slot for an air filter for all LX' sand some LC's, the one that seem to be called No.1 Cooler Cover, you would need to remove the antenna relay (at least). The antenna relay is mounted in front/to this cover. It's the black box on the left of my picture in the first post. The cover we are talking about is the thing with the two little "nubbins" on it, you can see the outline (incl. the nubbins) where the air filter would go. It even has the clip pre-attached where the air filter would clip in.

The filter element has not been seen by you because you don't have it, neither do I.
Like I said earlier, it almost looks like they forgot to stamp out the slot at the factory. The question is whether replacing this plate/cover (and how much work would that be) would allow us to slot in air filters.
To be clear, you talk about "maintainable" filters, I will venture a guess that we don't have non-maintainable filters. We just don't have any sort of filter whatsoever. The box is (as you say) sealed off. In other words, all crap and sand gets blown into the cabin (I think).

The pic Robred uploaded shows that it looks like we could indeed slot one in if we replaced the cover. Robred's pic is taken from the passenger footwell (on a LWD LC), looking up and slightly tilted to driver's side.

The housing which has been removed to provide the view of the filter is the fan blower. It is discussed here https://forum.ih8mud.com/100-series-cruisers/498757-wonder-why-100-c-fan-making-weird-noise.html , but the WHOLE thing has been removed, not just the "hamster wheel".

My LC is going to the shop next week for a new windshield, I'll see if I can talk to the parts guy and techs and call up some diagrams, see what they think.
 
Fed has it pretty well understood including the orientation of that photo. The hamster wheel fan is attached to the blower motor. That can be removed by simply using a torx 20 bit and turning 3 screws plus unplug a wire harness to the motor.

Removing the blower/fan gets you that look inside the evaporator/cooler chamber. In my pic you see the two filters in place. My LC didn't come stock with filters as others have commented about theirs, but the slot was there.

You CAN remove that front plate with the evap unit in place... 8 Screws. You would have to R/R the power antenna relay.

Screen shot 2011-07-16 at 10.50.13 PM.webp

Screen shot 2011-07-16 at 10.53.36 PM.webp
Screen shot 2011-07-16 at 10.50.13 PM.webp
Screen shot 2011-07-16 at 10.53.36 PM.webp
 
Yeah, I think I'll be the guinea pig. I'll ask the stealers (that's the shop where it's going as they are the only ones that can do a windshield replacement) if they will order the cover AND filters to see if it will fit. Obviously, only if they'll take the parts back if it does not fit. I'll print the FSM page as above and some pics.

NOTICE HOW THE FSM DOES NOT SHOW A SLOT IN THE COVER?!?!

The other option is to ask a guy I know who has a few Landcruisers on his lot to let me dick around with some borrowing/switching/testing, he'll let me. I just need to find the time....
 
Which is symptomatic for Toyota's schizophrenic approach to this thing....
 
Fed, if you have them order the cover, you might want to doublecheck that they will indeed order the appropriate year (i.e. not your truck's year if it doesn't have the slit to start with). Best to go by p/n. Well, unless you plan on doing surgery on a plain cover, that is.
 
I'll only do it if they agree to this exercise, i.e. parts go back if it does not fit.
 
I haven't been quoted a price yet, the LC is in the shop next week. I am doubting e9999's advice though. Mine is a 2003, yours is a 2001. If his logic is correct, that would mean all '01's and '03's don't have cabin air. It must have been some sort of option package.
 
Wondering here what I've been missing out on. Are you all wanting this for off road use to cut the dust down inside? The majority of the time I have the windows down anyway. I guess there are times when high-speed caravanning when the windows are up. Is this where you hope to benefit? I just throw it on recirc air.

I do have the slot, but it's an LC so it's sans filter, although I could add one.
 
My LC rarely sees off road use, maybe the beach sometimes for kitesurfing. I'm just sick of my cabin always being dusty and sandy. And it really always is, much worse than any other car I've ever owned. That's when I starting searching and realised I have no air filter.

I don't like recirc air. Two kids (s***ty diapers), wet neoprene, mildewed kites: I want as much fresh outside air as possible, but due to our climate and kids and high driving speeds compared to US, open windows is not an option.
 
Okay, I looked at the parts diagram a little. Here's my best educated guess:

The Lexus and Toyota use the same part numbers for these. The rear case assembly to which this part screws to appears to be the same for all years LX/LC's. Therefore it should be just a matter of the front cover. Since all year LX's had this feature, the PN for the front cover cooler #1 is (88891-60040) and should be no more than $29. For some reason, LX shows a different PN for 7/03 for just one month ONLY. (PN 88891-60080)

Looking at the LC parts catalog. It uses the 60040 part (like LX's) from 8/02-6/03. And the LC uses the 60080 part from 8/00-7/02 and again from 7/03-4/05. I'm not sure what happens after 4/05. This supports why some LC's have it and some don't? Prior to 8/00 also looks like it uses the 60040 part number.

So, basically, I'm saying you need the 88891-60040 for the front cover #1. The little filter access door has a couple different part numbers. You're on your own there. But for LX's it shows:

88891-60050 $7.35
88891-60060 (8/02-4/05) $18.27

I take no responsibility for ordering the wrong parts!
:cheers:
 
Last edited:
I'll restate that I think all US LC's are able to just instal new filters. I still haven't seen any proof of any US trucks without the ability to add this feature. I understand there's a post or two of some one from the US saying, "My LC doesn't have that AC filter!!!" but I'm not sure if they're aware they can have the filter.

Looks like non-US trucks is more of a crap shoot.
 
I'll restate that I think all US LC's are able to just instal new filters. I still haven't seen any proof of any US trucks without the ability to add this feature. I understand there's a post or two of some one from the US saying, "My LC doesn't have that AC filter!!!" but I'm not sure if they're aware they can have the filter.

Looks like non-US trucks is more of a crap shoot.

Lexi, check this pic of a 2002 US LC100 (not mine but rf600's), and please tell me where the filter would go. I really really really hope you are right and would happily admit to being a dumbass and dead wrong and admit that you are right. ;) Please tell me and the rest of us where the filter would slot in.

attachment.php


@ hoser: I really appreciate your input with p/n and will check it out with the parts guy this week. Very cool, cheers.
 
My 2000 has the slot.
 
Hoser, that's some great research.
My two cruisers fit straight in to the p/n pattern you've found. The 7/00 has the filter door, and the 7/04 does not have it. The 2000 is for recycling, so, if one day I have nothing else to do, I'll try to swap them around.

Lexi, afaik, all the LC100s are made the same place, and the basic features are the same world wide. The air filter being one of these basic features.
When I was in the UN peace keeping, we had a deal with TMC to order vehicles to our own specs, directly from factory. The production time was 5 months, and we got a spec sheet of 2-3 pages, about 60 options to chose, and I can't remember the cabin air filter being one of those.
 
Lexi, check this pic of a 2002 US LC100 (not mine but rf600's), and please tell me where the filter would go. I really really really hope you are right and would happily admit to being a dumbass and dead wrong and admit that you are right. ;) Please tell me and the rest of us where the filter would slot in.

attachment.php


@ hoser: I really appreciate your input with p/n and will check it out with the parts guy this week. Very cool, cheers.

To the right of the antenna control box, where the two dimples are on the front cover. Funny part is by your picture, it looks like the parts to hold the filter cover are there. Almost like they have a shutoff in there mold for making the cover with and without the filter slot.
 
Last edited:
Exactly. As I said before, it's almost like Denso forgot to stamp out the slot. There is nowhere to slot the filter apart from maybe going wild with a Dremel tool. It seems hosers approach is the only one that might work.
 
Back
Top Bottom