ABS and BRAKE lights on. Techstream won't connect to ABS ECU.

This site may earn a commission from merchant affiliate
links, including eBay, Amazon, Skimlinks, and others.

Joined
Jul 25, 2018
Threads
76
Messages
928
Location
USA
Hey folks, the ABS and BRAKE lights just randomly came on when I started up my 2001 LX 470 today, out of the blue. I've had the car for six years and neither of those lights have ever come on before (except BRAKE when the parking brake is engaged, obviously). It has 191k miles.

A little history:

I am well aware of the dreaded ABS/VSC/TRAC issues, in fact soon after I bought the car there were numerous times when the VSC (or was it TRAC?) light started flashing, the buzzer would go BEEP BEEP BEEP a bunch, and sometimes out of nowhere it would automatically apply the brakes during perfectly normal situations. Aka VSC was spazzing out and I deemed it more of a safety hazard than a beneficial feature. After lots of research, it seemed like "just about anything" could be causing it. I used techstream to access the ABS ECU and found issues with the zero point calibration and the yaw sensor.

But then I found a very simple DIY on this site that completely disabled VSC/TRAC while retaining ABS capability. I believe it is in this thread: VSC OFF switch install. - VSC OFF switch install. - https://forum.ih8mud.com/threads/vsc-off-switch-install.988749/ . Sure enough, it simply disabled VSC/TRAC and the dangerous behaviors it had went away, but ABS still worked. I was satisfied. I drove it around for years like this without a single issue.


Fast-forward to now:

-Orange ABS and red BRAKE lights randomly came on. CEL did not come on. VSC/TRAC lights did not come on, BUT that might just be because I disabled it years ago like I just mentioned. Notably, there is no beeping/buzzer like I have read of in some other threads. It's silent (and yes I verified that the buzzer next to the ABS ECU is plugged in).

-The last time I touched the brakes was 2.5 years and 7k miles ago when I flushed the brake fluid and replaced the rear pads as routine maintenance, so I doubt an air bubble would take THAT long to show up (?).

-I checked the brake booster reservoir and it was right at the MAX line cold, which is where it has been since that last service.

-I left the key out and pumped the brakes 40 times. Then I turned the key to position 2 and timed the brake booster pump. It ran for 33 seconds.

-I took it for a 20-minute drive. The ABS and BRAKE lights always remained illuminated. Brake pedal feel and stopping distance was 100% normal. On a deserted road with no traffic, I initiated a panic stop from about 40 MPH and I heard one of my rear wheels lock up. So I know ABS is DEFINITELY disabled at the moment. I am positive that ABS was working up until now.

-I went to pull codes with a standard OBDII reader. There were none.

-The battery and alternator are in good shape and there are no other weird electrical problems.

-This is probably irrelevant, but years ago I swapped in a full OEM Land Cruiser suspension/did an AHC delete. But it has given me zero trouble.

-I have the authentic original factory service manuals for this exact year/model. I looked through them for things to check but it still depends a lot on techstream. And here's where we come to the real problem…

-I plugged in techstream. I was able to connect to the vehicle normally. I was able to read various ECUs (engine, body, etc) and pull data from them. However, when I clicked on the ABS/VSC/TRAC ECU I received the exact error listed in this post, and mine was also "white with asterisk", aka that my ABS ECU was not supported or not responding. Techstream Mini VCI - Selected system is not responding or not available - Techstream Mini VCI - Selected system is not responding or not available - https://forum.ih8mud.com/threads/techstream-mini-vci-selected-system-is-not-responding-or-not-available.985444/

Summary:

Here I am with ABS disabled, but I haven't a clue what's wrong because Techstream simply doesn't connect with my ABS/VSC/TRAC ECU. I could try and source a spare ECU to swap in, but that would be based on a guess, and I don't know if that brings other risks. Anybody have some ideas on stuff I could manually test or check, in the absence of being able to pull codes from it?
 
Last edited:
The ABS/TRAC/VSC module talks to the scan tool via a single wire serial protocol on pin 7 of the DLC. All the other modules (ECM, Suspension, Airbag etc) use the same protocol and the same pin 7 on the DLC. So unless this particular single wire from the module to the junction connector J21 was damaged, the first thing I would do is check power and grounds to the module.

Next? Maybe have a look at this thread: Fix for ABS, VSC TRAC, VSC OFF, & Brake lights remain on no CEL, or how to repair an ECU - https://forum.ih8mud.com/threads/fix-for-abs-vsc-trac-vsc-off-brake-lights-remain-on-no-cel-or-how-to-repair-an-ecu.1122305/

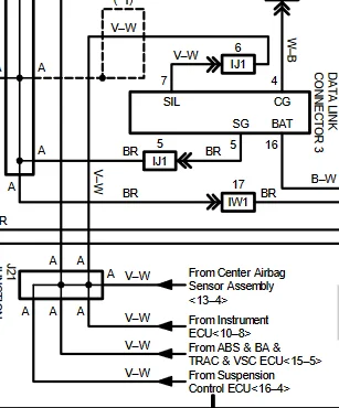
FYI: For details of the SIL serial interface wiring see the EWD below. All the individual SIL wires of the different modules connect at J21 and then there is a single wire to pin 7 of the DLC. SIL is Toyota's terminology for the K-line / ISO9141-2 standard. Later years may have a mix of CAN and SIL communication for different modules.

Screenshot 2023-08-07 193301.png
 
Last edited:
Deleted repeat of above link
 
The ABS/TRAC/VSC module talks to the scan tool via a single wire serial protocol on pin 7 of the DLC. All the other modules (ECM, Suspension, Airbag etc) use the same protocol and the same pin 7 on the DLC. So unless this particular single wire from the module to the junction connector J21 was damaged, the first thing I would do is check power and grounds to the module.

Next? Maybe have a look at this thread: Fix for ABS, VSC TRAC, VSC OFF, & Brake lights remain on no CEL, or how to repair an ECU - https://forum.ih8mud.com/threads/fix-for-abs-vsc-trac-vsc-off-brake-lights-remain-on-no-cel-or-how-to-repair-an-ecu.1122305/
I had the same issue/symptoms as the thread linked above. Tried the fix according to FJRyder, but it didn't work. A used ABS ECU from ebay solved my problem and was an easy fix.
 
The ABS/TRAC/VSC module talks to the scan tool via a single wire serial protocol on pin 7 of the DLC. All the other modules (ECM, Suspension, Airbag etc) use the same protocol and the same pin 7 on the DLC. So unless this particular single wire from the module to the junction connector J21 was damaged, the first thing I would do is check power and grounds to the module.

Next? Maybe have a look at this thread: Fix for ABS, VSC TRAC, VSC OFF, & Brake lights remain on no CEL, or how to repair an ECU - https://forum.ih8mud.com/threads/fix-for-abs-vsc-trac-vsc-off-brake-lights-remain-on-no-cel-or-how-to-repair-an-ecu.1122305/

FYI: For details of the SIL serial interface wiring see the EWD below. All the individual SIL wires of the different modules connect at J21 and then there is a single wire to pin 7 of the DLC. SIL is Toyota's terminology for the K-line / ISO9141-2 standard. Later years may have a mix of CAN and SIL communication for different modules.

View attachment 3395427


This is some SERIOUSLY good information, thank you. I don't have an oscilloscope, but I've got a Fluke 87V, nothing to lose (I have other cars to drive) and I'm ready to give anything a shot. I looked up J21, which for reference later is on page 41 of the EWD, and it looks like that junction block is up behind the glovebox area in the dashboard.

If the other modules all communicate through PIN 7 of the OBDII connector as you mentioned, then I'd say we've already ruled out any problem with PIN7 itself, the OBDII-to-USB cable, or techstream. It seems that only the ABS ECU or something related to it is acting up. When I check the EWD for VSC (page 188) the diagram for the ABS/TRAC ECU is there but there are so many various connections to it. I want to verify that the ABS ECU is even getting power to it appropriately before I order an ECU.

I didn't mention this earlier, but I've never seen any corrosion damage or rodent chewing, so *for the moment* I am going to assume that it's not an outlier like that.

In the EWD I see a 50A ABS fuse to the ABS solenoid relay that goes to 4A on the ECU, a 40A ABS fuse to a couple of other relays, 10A IGN, 15A ECU-IGN.... you get the idea. There are a bunch of power connectors to this ECU. Where should I actually test with the meter to verify that the ECU is directly getting power?
 
Last edited:
I want to verify that the ABS ECU is even getting power to it appropriately before I order an ECU.

Did you look at the link regarding the replacement of the resonator? You may be able to repair the ABS ECU yourself. If powers/grounds check out, that would be my first guess. You can test the resonator with a multimeter as per the post.

Where should I actually test with the meter to verify that the ECU is directly getting power?

The 40A ABS fuse is to power the ABS actuator, which is separate from the ABS module. The ABS ECU only need IGN and ECU-IG power sources. The relevant pins are (from 2000 EWD):

Power: +12V
Connector A42 - pin 22 - IG2
Connector A40 - pin 6 - IG1

Ground:
Connector A39 - pin 31 - GND1
Connector A39 - pin 6 - GND2
Connector A40 - pin 8 - GND3
Connector A40 - pin 17 - GND4

All relevant connections are on a single page in the EWD. I have boxed them in RED boxes below. Toyota makes it easy: All power connections are a black wire with white stripe. All ground connections are white wire with a black stripe.

Screenshot 2023-08-08 201749.png

(FYI In a Toyota EWD, the connections to an ECU show a letter in a circle and a number beside it. The number refers to the pin number on the connector. The letter refers to a connector number using the legend shown inside the blue ECU box. For example a 22(D) connection refers to pin 22 of connector A42.)

Here is the pin layout of the connectors of the ECU.

Screenshot 2023-08-08 203112.png
 
Last edited:
@white_lx thanks again for the explanation, that actually clears up the remaining things I was wondering about. I'll have to check for power/grounds first, and if those are good it's either a repair or replacement on the ECU, which I'm glad is located pretty conveniently above the brake pedal.

I also found post #4 in this thread, I can potentially get it to flash ABS codes like @Trunk Monkey mentioned earlier: ABS System not communicating with code reader - https://forum.ih8mud.com/threads/abs-system-not-communicating-with-code-reader.1175111/

Would it hurt anything to drive around with the ABS/VSC/TRAC ECU removed (aside from those features not working)?
 
Back
Top Bottom