Builds Pappy's 3RZ-FE Transplant Adventure (1 Viewer)

This site may earn a commission from merchant affiliate
links, including eBay, Amazon, Skimlinks, and others.

PORN, that's pure porn right there , I tell you what 😁
I was surprised how far back it sat into the firewall. He still has a long way to go.
 
Well, this worked out well. The fella was able to find a home for the 22re. It's sold. One less thing to worry about. And, money in the bank. I was also able to sell the R151F bellhousing. More money toward this project.
 
Last edited:
Just a little update. Friday was a "wasted" day. Mike trailered the 4R to a muffler shop in Belen to get the crossover pipe installed. That took all day, so no progress otherwise. He has most of the work done, and from what he said yesterday it's just the wiring under the dash. There have been a few setbacks. My MAF didn't fit the Tacoma air box. Solution is to cut off the tube and bolt on mine. Not a big deal. On the plus side, the 22RE radiator fan centered on the 22RE shroud. It might not be big enough, but the truck will drive.
 
Exciting! This has been a long-term project, and it sounds like you're getting very close.
 
Where is the rear wheel burnout video? :popcorn:
 
Something like this perhaps?

 
I want to see a fourwheel burnout!!!
 
I want to see a fourwheel burnout!!!
wow, WOW, WOW there mister, let's not get crazy here. :rofl: Let's start with ONE rear wheel burnout. If that works then engage the locker and do both rear wheels.
 
Long afternoon. Mike and I were unable to get the engine to start. We ruled out lots of stuff, like no engine codes (yay!). It appears to be a fuel issue. It will run on starter fluid. The questions 1) is the engine running out of fuel, or 2) is something shutting the fuel off (cam and crank sensor). Pump is good. We thought the FPR was bad, but we tried three of them with the same result. Lots of gas was bypassing the FPR. Here is a video of what it's doing. Mike has seen this before, and it was injectors. I have another set that we will try tomorrow.

Any idea?

 
Last edited:
so do you think the engine is running on what's left in the fuel rail? I don't think the injectors are the issue, however, they are being told NOT to operate. THe odds of all four going bad at the same time is highly doubtful. The ECU must not be reading a sensor or two that's preventing it switching from starting mode to idle mode. Which makes me question the idle circuit. Perhaps the idle air control valve (IACV) isn't doing it's thing?
 
Last edited:
so do you think the engine is running on what's left in the fuel rail? I don't think the injectors are the issue, however, they are being told NOT to operate. THe odds of all four going bad at the same time is highly doubtful. The ECU must not be reading a sensor or two that's preventing it switching from starting mode to idle mode. Which makes me question the idle circuit. Perhaps the idle air control valve (IACV) isn't doing it's thing?
IAC is on the list for today. There has been lots of discussion over at Marlin, but the usual issue is rough idle.

I'm leaning toward the crankshaft sensor. My theory ... the engine is told to start. Crank sensor says "nope" and shuts the ignition off. I have a sacrifice harness in the garage. This morning I teased out the crank sensor wires from the plug to the ECU. Mike still thinks it's injectors, but I agree with you. It doesn't add up. The big problem is the crank sensor is impossible to access. Sensor is new.
 
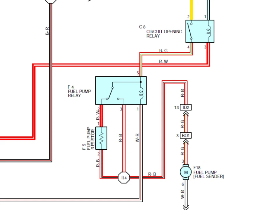
Ok, some other things just came to me as I was driving to work, and that are the circuit opening (COP) relay, EFI main relay and coolant temp sensor. If you're worried about the CPS (crank position sensor), you should be able to probe the two leads at the ECU vs at the actual sensor.

See if your EWD shows you how to troubleshoot the EFI and COP relays. If the EFI relay ain't closing nothing will run.

Pic from my landcruiser EWD, but I bet your ECU is more advanced than my '96 ECU!

1712768821790.png


1712768500018.png


1712768604856.png
 
Ugh. We ohm'd the crankshaft sensor wires to the ECU. Good.

We unplugged the crankshaft sensor. Engine will not light. Plug it back in, and it does, then stalls.

Different injectors made no difference.

COR is the fuel pump relay. Pump is running.
 
What year vehicle is the engine from? Is there an immobilizer in that year vehicle? Is there an eeprom in the ecu labeled IC900?
 
Engine came from a 1998 4Runner, 2WD. I don't think it has an immobilizer.

So, I'm back to solution B. I find it hard to believe I have 3 bad fuel pressure regulators. When we turn the key the pump runs, it charges the rail, the engine starts, then stalls. The pump keeps running, and we can hear a lot of fuel running out the return line. If I give it a second or two I can light the engine again, but it stalls. New FPR ordered from AmToy.

Recap.

- Both Mike and Ryan suggested either a fuel issue or MAF. We replaced the MAF. Nothing.
- Fuel, I had two more used FPR's, and they didn't work.
- Mike thought it was injectors. I had another set, so we swapped them in. Nothing.
- We have checked all grounds, and added a ground from the frame to the engine. Nothing.
- We checked continuity/resistance from the grounds on the engine and the ECU to the battery. 0 ohms.
- I was suspicious it was the crankshaft sensor. We checked the harness for continuity between the sensor and the ECU. It's fine. With the crankshaft sensor plugged in the engine starts/stalls. With the sensor unplugged it won't start at all.
- We did, finally, get a code for the TPS, which was weird since we never hit the throttle. We checked continuity to the ECU. It's fine.

I'm sure I missed something.
 
Engine came from a 1998 4Runner, 2WD. I don't think it has an immobilizer.

I wasn't sure. The Land Cruiser had an immobilizer in '98.

The immobilizer will allow the fuel pump to run, there will be spark, but the injectors won't fire.
 

Users who are viewing this thread

Back
Top Bottom