So my factory stereo in the 96 LX450 was horrible, tape deck and all (although it did have a disk changer in the console.) I decided I would add an aftermarket unit, and went with a lower end double DIN Pioneer. The stereo installed fine with an adapter, METRA 70-8112, it plugged into the white harness behind the dash, leaving the grey harness behind the dash unused.
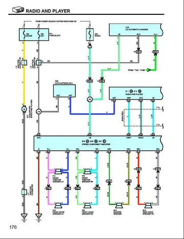
The sound was mediocre at best due to the poor factory amp. It didn't take long to decide to remove the amp, and CD changer. I have found an aftermarket stereo and decent aftermarket speakers provide more than ample sound, probably better than factory with an amp. I disconnected the amp and was left with three wiring harness connections at the amp location, as well as the 2 behind the stereo. I also disconnected the CD changer and tucked it's wires away.
I immediately noticed after disconnecting the amp that the stereo (which had just worked) was no longer working. I surmised that the connections probably ran through the amp, and disconnecting it rendered the stereo inoperable. After consulting the MUD forums I saw people had to lengthen the harness and plug into the white connector at the amp, rather than the white connector at the stereo location. I also had to change harnesses as the METRA 70-8112 used RCA for the amp, the new harness, BEST BHA8110, had speaker wires rather than RCA. I got the BEST harness from a local stereo installer who was very helpful and threw in about 100 ft of wire for making the lengthened harness to the glove-box location.
I have plugged into both white connections, stereo location, and amp location behind the glove-box, and the stereo does not power on at all now. I have checked the fuse, and it is fine. Any idea what I need to do here? Do I plug into a grey connector, or am I using the wrong adapter? all connections are done properly, and I am stuck.
3 HARNESSES FROM AMP BEHIND GLOVEBOX
2 HARNESSES FROM BEHIND FACTORY STEREO
The sound was mediocre at best due to the poor factory amp. It didn't take long to decide to remove the amp, and CD changer. I have found an aftermarket stereo and decent aftermarket speakers provide more than ample sound, probably better than factory with an amp. I disconnected the amp and was left with three wiring harness connections at the amp location, as well as the 2 behind the stereo. I also disconnected the CD changer and tucked it's wires away.
I immediately noticed after disconnecting the amp that the stereo (which had just worked) was no longer working. I surmised that the connections probably ran through the amp, and disconnecting it rendered the stereo inoperable. After consulting the MUD forums I saw people had to lengthen the harness and plug into the white connector at the amp, rather than the white connector at the stereo location. I also had to change harnesses as the METRA 70-8112 used RCA for the amp, the new harness, BEST BHA8110, had speaker wires rather than RCA. I got the BEST harness from a local stereo installer who was very helpful and threw in about 100 ft of wire for making the lengthened harness to the glove-box location.
I have plugged into both white connections, stereo location, and amp location behind the glove-box, and the stereo does not power on at all now. I have checked the fuse, and it is fine. Any idea what I need to do here? Do I plug into a grey connector, or am I using the wrong adapter? all connections are done properly, and I am stuck.
3 HARNESSES FROM AMP BEHIND GLOVEBOX
2 HARNESSES FROM BEHIND FACTORY STEREO
Last edited:

