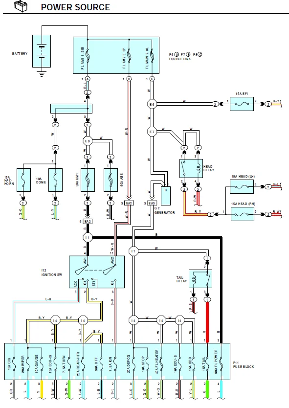
The smaller black wire from the fusible link block melts when I connect power during a jump start. In the picture it is the wire that was soldered together. What are my next steps and parts required?
Also what does the soldered wire go to that may be compromised?
In the second image is a red wire(I think it was originally black) without this wire car will not run. Any idea what it’s for?
Also what does the soldered wire go to that may be compromised?
In the second image is a red wire(I think it was originally black) without this wire car will not run. Any idea what it’s for?
