'70 FJ40 Spectre Wire Harness issues / questions

This site may earn a commission from merchant affiliate
links, including eBay, Amazon, Skimlinks, and others.

Joined
Apr 21, 2018
Threads
2
Messages
20
Location
Amarillo
I am trying to resurrect a neglected FJ40.

I have purchased a Spectre Offroad wire harness w/ fuse block...

This wire harness came with an instruction booklet that details how to re-wire with Ford/ GM/ Mopar parts.. But, it does not detail how to re-wire with the original steering column, headlight switch, brake switch, etc...

has anyone experienced this? does anyone have any knowledge on which of the original wires goes to where? I could really use some direction on this.

I apologize if this is posted in the wrong place, or in the wrong manner... I am new to this site, and this is my first post... Thank you in advance for everything!
 
Last edited:
OK! I figured out how to add photos.... this is the instruction booklet that came with my wire harness... as you can see this only depicts how to wire it up to ford/gm/mopar. The headlight switch diagram looks nothing like my original switch...

20180421_175713.webp
20180421_175754.webp




This is my original Headlight Switch...

20180421_175923.webp



This is my steering column wires...

20180421_194842.webp




This would be my brake light switch..
20180421_194828.webp
 
This is the prewired wire harness / fuse box I that was provided to me by Spectre Offroad... maybe someone knows what needs to be done here... lol Thank you again in advance!
14BG-big.webp
 
BUMPy road: I figured with all of the activity on this forum, someone would have replied and kept this post fresh...

toyoda.webp
 
You are going to have to rebuild the sub harnesses as toyota does things backwards, especially the brake lights/turn signals. Search mud for painless or ezwire and fj40. The generic harnesses are not a drop in solution. If your old harness is salvageable and your time is valuable, coolerman can rebuild yours and it will look and perform as new.
 
I have to get this cruiser done and out of my garage in less than a month...
so, the guy that rebuild these harnesses is not an option... I need to know how to wire up what I have...
is this even possible at this point? any links to information about the "EZ WIRE" would be helpful... I have been searching all night and cannot find anything helpful.

I found a link to a Hazard wiring fix - this might be helpful, but nowhere near the information I need...
I need to know how to n***** rig the column wires into my new "universal harness"
I need to know how to rig the brake light switch.

surely someone knows exactly what I need, and knows where the info is... I am just having a hard time finding it
 
Last edited:
No one here will help you shortcut your 40 so you can sell it in a month.

The link above has the wiring schematics that you need to fix the problem. Youll need to figure out how to power each circuit from the new harness. Ive read that the wipers are best left alone...

It has been done but there isnt a step by step. Im about to install the same harness but am using a gm column so that kills the hazard and turn signal issue.

Did you remove the old harness or is it still in place? What makes it unusable?
 
No one here will help you shortcut your 40 so you can sell it in a month.

The link above has the wiring schematics that you need to fix the problem. Youll need to figure out how to power each circuit from the new harness. Ive read that the wipers are best left alone...

It has been done but there isnt a step by step. Im about to install the same harness but am using a gm column so that kills the hazard and turn signal issue.

Did you remove the old harness or is it still in place? What makes it unusable?
 
ok, no no no... this is not being sold... my lease is up in this building in a month, and I wont have a shop to work on it...
we are NOT selling it... EVER!
lol sorry for the confusion.. I am not trying to shortcut, I just wasn't expecting this to turn into a nightmare right at the end.. I was expecting the re-wire to go smoothly.. like a dumbass.


This is my original wiring... it was stripped out at the beginning of this project, when we sent the engine to the machine shop and stripped the interior.
untitled.webp
 
Last edited:
we for sure do not want to use a GM column, we want to use the original, the healight switch could easily be swapped, but my father in law is insisting on keeping the column original.


I found this diagram which looks to be a good place to start, but I still have some hurdles.. I really appreciate the conversation! ( I did just re-visit the link to the diagram you provided... I did not see this before... thank you... that is probably going to help... I am going to take this and run with it, and see what I can manage to accomplish)
1970 fj40.gif
 
Last edited:
I'm not positive, but that fuse block looks a whole lot like the Kwik Wire that's installed in my 78.
I've posted a bit about it here - '78 (Re)wiring Advice (Kwik Wire 14)

If it is the same harness and block, I can walk you through how mine is set up. Feel free to pm.
 
Remember too, these engines are really stupid. Worst case you can build a "test harness" to drive up on a trailer if needed.
I feel fairly confident that the engine is wired up to work (haven't started it yet).. but the lighting and interior wiring is where I got hung up...

I'm sure there will be more hurdles... but this at least gets me pointed in the right direction with my current road block...


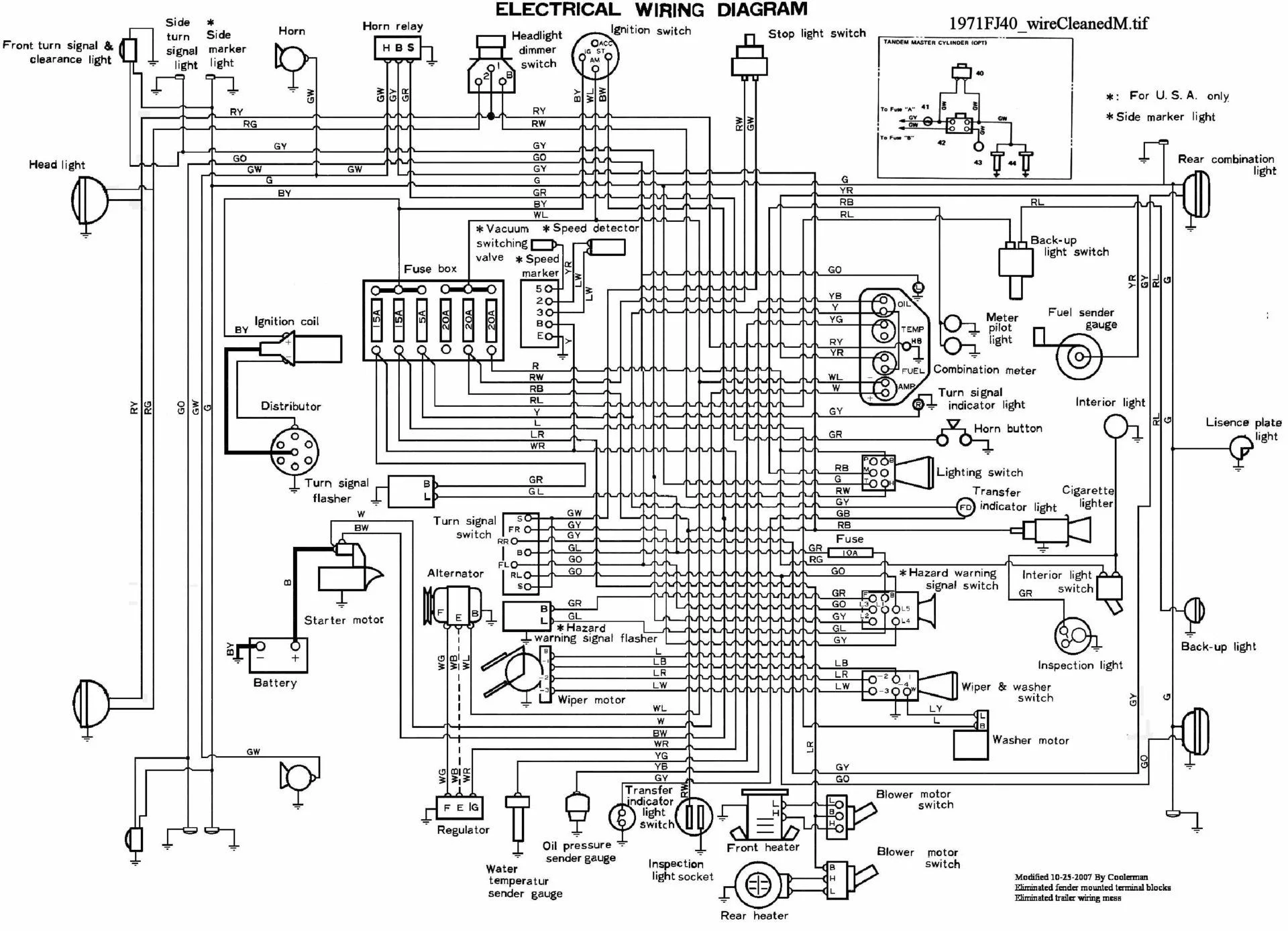
THIS IS FOR MY OWN FUTURE REFERENCE>>> NEEDED DOCUMENTATION:

1969:
1.webp


1971:
1971jfj40.webp
 
I'm not positive, but that fuse block looks a whole lot like the Kwik Wire that's installed in my 78.
I've posted a bit about it here - '78 (Re)wiring Advice (Kwik Wire 14)

If it is the same harness and block, I can walk you through how mine is set up. Feel free to pm.


I don't seem to have the ability to PM anyone yet ( I assume this is because I am new)... but you are right... your harness looks a lot like mine... but your truck's equipment looks MUCH different... maybe you can give me a simple rundown of how your lights are wired, and that will help me pursue my endeavor with the stock diagram

Edit: I managed to find your diagram... I am going to study this, and my stock diagrams... surely I have enough nerd power to pull something together with this...

THANK YALL SO MUCH!
 
Last edited:
What year's your 40? I ask as your switches may not match mine.

Attached is my most updated diagram. Happy to talk you through it if needed.

When I bought this cruiser the wiring harness was rigged for bare minimal necessary operation - the running lights and headlights were wired off the same stop (one click out) on the light control switch, and the hazards didn't work. The Hazard Switch and Flashers was a doozie to sort out. If you can do without Hazards in the short run, you can probably get the lights sorted pretty quickly.


Light Control Switch (which you've titled "Headlight Switch") - I think you're missing a piece that would connect to those 6 tabs on your switch. It would have 6 colored wires and run a short length (inch, maybe two) to a molded plastic connector that would then connect into the harness... maybe you can find it in the pile of your old harness. If not, you can probably jerry rig off those tabs to get it working.

The Light Control Switch should have two feeds coming in from the fuse block - original a solid red (R) wire and a green and red (GR) wire:
  1. The R was from the original Headlight fuse - I connected that to the Kwik Wire (KW) Red wire labeled "28 Headlight Switch Power", which originates at the fuse block from the fuse titled "Headlights".
  2. The GR was from the original Tail fuse - I connected that to the KW Blue wire labeled "7 Dimmer Switch Power". That worked for a while, then stopped. You can get by connecting both the GR and R tabs to the same 28 Headlight Switch Power, which is how my harness was set up when I got it.
so that's the power into the switch. In terms of power going out of the switch, you'll have three different wires (or maybe more, as a couple of the wires then split to go different places). For the Toyota harness, you'll have a red/white (RW), green (G) and red/black (RB):
  1. RW goes to your dimmer stich (I think that's on the steering column, but don't recall precisely. My RW wires were there, but had been cut, so I just spliced them back together. See below on the Dimmer Switch.
  2. G is supposed to connect to your parking lights, license plate light, marker lights, and tail light. On mine, that was connected to KW Beige "5 Low Beam", Blue "25 Front Right Turn Signal" and Light Blue "26 Front Left Turn Signal". There may be some other wires in there... I haven't dug into that part of the rat's nest yet.
  3. RB connects to the little light bulb in your Light Control Switch itself (I don't have that), the Combination Meter Light (i.e. the in your Speedo/gauges), heater control indicator light (and I don't have that either).
Dimmer Switch. It gets its power from a the RW wire coming off the Light Control Switch, and I think by design from the same R wire that goes into the Light Control Switch, but I haven't seen where that Red wire goes in on mine. Outgoing from the Dimmer Switch you'll have a red/yellow wire (RY) and red/green (RG)
  1. On my harness, RG is connected to KwikWire Tan "9 Low Beam"
  2. RY is connected to KwikWire Light Green "8 High Beam"
both go to the headlights

Brake Light Switch. Not sure about this one, but I can try and figure out what it's connected to.
 

Attachments

Ours is a '70, and this was ghetto fabricated from the beginning, so we stripped all of the wiring out... thinking this new harness was going to be wired properly to begin with... so I don't have ANY of the original wires still in the truck, except for what comes out of the column and the brake switch...

I cannot find anything in my rats nest of old junk that plugs into the "light control switch"

I also cannot find anything that tells me what wire does what on the steering column, the original wire diagrams are pretty foreign to me and don't tell me what wires are what, it tells me where they go, but not what colors are what wire...

also your description is confusing me... my harness is not labeled like yours, and again, I no longer have the original wires and fuses still in the truck...

my best thought was to take the original 1970 diagram and try to duplicate it in my truck... but this would bypass the entire new wire harness, and I really just feel like I am not going to be able to do this... I am extremely confused and have no faith in making this work any more... the diagrams are impossible to read, and I am not an electrician...
 
I just rebuilt and tested my 70 (11/69) harness, in the process of reinstalling it. It was much easier than I expected. It seemed overwhelming at first, then after chasing it down I started to see it as a series of individual circuits. The colors are things like GB (green blue) or RY (red yellow) (It would be cool to do it in CAD with layers so you could turn them on and off) I got the wires needed in the correct colors and most terminals from coolerman which I suspect will help with troubleshooting in the future. If you are trying to use a universal harness, you are probably going to need to recreate the factory harness from the new material. Rebuilding is probably easier and you will have the correct colors.
1971.jpg


It has to be done one at a time, then cleaned up. If you are in a rush then a test circuit is probably the way to go.
 
Unfortunately, I don't see any way of repairing or re-builing the stock harness,... it is FUBAR, untraceable, cut, burnt in places, and ghetto rigged from the PO... plus ive removed it completely from the vehicle, and litteraly cut and ripped it out...
so I am starting from 0 with no point of reference except a diagram made in 1970....
 
and also coolerman is not an option, as he has stated on his website he is taking no more orders this year.
 
Back
Top Bottom