115V Matrix Switch Wiring

This site may earn a commission from merchant affiliate
links, including eBay, Amazon, Skimlinks, and others.

Joined
Mar 1, 2007
Threads
31
Messages
295
Location
Frisco, TX
I am installing an inverter and I tapped into the inverter switch. Now I was trying to figure out the Matrix 115V switch. I just spent hours trying to figure this little switch out !!!. I tried comparing it to the Defog Switch and they are not exactly the same.

Anyhow, I think I got it, but before I burn my cruiser down I was wondering if anybody know the wiring for it ?. I searched and found posts about it, but nobody had the wiring documented.

Help !!! pleasee
 
x2

I already have a spot for this in my dash. I talked to CDan who said the switch is about $70 which isn't too bad. I know there is at least one other mudder here who has done it but for the life of me I can't remember who. I am installing two inverters but my intention is this would be for the larger one in back. Although..... I could run two of these, one in the dash and one in the back. Hmm....
 
I had figured it out for Junk a few years ago at a CMCC.
The easy way is to pull the 2 little bulbs and figure them out 1st . One was switched (the 115v one ) and the other was not (back light) then move on to the contacts .
Junk may still have the info though
 
I have the Matrix button installed for my inverter. In my installation I had to use a small relay to turn the inverter on and off. It has been a long time since I installed it, but If I remember correctly, when you push in the 115V button it makes continuity through the switch, but my inverters power button actually cuts the power within the unit. So I used the relay to over come that, because running the on/off power from the inverter through the 115V button caused issues.
 
I almost did not sleep last night thinking about this, and I am not there yet.

This switch should be very similar to our Defog switch, but there is a small difference. This is what I have so far (see pic below for reference)

- 1 and 4 are for the Backlight (115V indicator). Easy, just use a green, and white/green from another switch.
- 3 I think is for ground.
- 3 and 6 close when the switch is pushed.
- 6 and 2 are for the ON light, and for the love of God and I can't figure out why they are not switched. I have continuity both when the button is pushed and when it is not. This is where it is different from the defog switch. In the defog 6 and 2 are switched. Although this makes sense when I look at the defog wiring in the wiring diagram. It seems that 2 and 6 will have continuity regardless on the switch position.

Anyhow, the connector in the Matrix switch is the same as in the defog switch. So I plug the matrix switch in the defog plug and it works just fine, which confuses me even more regarding the ON light (6 and 2).

Another part of the problem is that between the two cables on my inverter (Xantex 1000W) switch there is 12VCD. I can identify the hot one with 12V and body ground, but the inverter switch "ground" does not have continuity with the vehicle body (it is like a different ground within the inverter).

According to the defog switch wiring 3 is ground, 6 is 12VDC from the relay coil, and 2 is 12VDC from the fuse panel.

So when I apply the above to what I have I use 3 as the “inverter ground” and 6 as the 12VDC from inverter switch. I test and as expected it works, but I cannot get the ON light to come ON. Number 2 is connected to a 12VDC source, but since the ground is not the same (body vs inverter ground) it does not work, and when I ground it, since it is common with the inverter circuit, the inverter does not like it and it goes into fault.

LC4LIFE, I think you just gave me the key to this whole thing !!!!... use a relay, and I can work with the two circuits and keep them isolated.

Round two... back to the drawing board
IMG_0685.webp
 
BTW HZAVARCE, if it does work out, any way you could draw up and post and quickie schematic? I think I am running the same Xantex PSW 1000watt inverter and this thread just saved me a lot of heartache.:beer::beer:
 
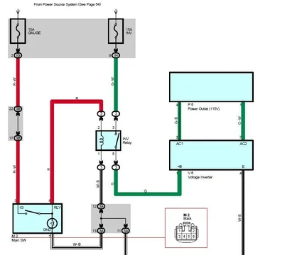
Would this help?
115V.webp
115V.webp
 
It looks like ToyotaDon's inverter needs 12VDC in order to turn on the inverter.

Mine has 12VDC and just needs to close. Also the inverter's switch ground is not the same as the body ground. That is why I need the relay. With that said, it looks like ToyotaDon's switch could be wired without the relay, correct ?? I don't see why it is needed....

I got mine figured out. Basically it looks just like the defog switch wiring with the only difference that I'm using a constant 12VCD source, and not the ACC 12VDC. That way the inverter can work without the ignition key in the ACC or ON position.

Will post diagram when I am done.
 
6 Years later and I'm looking to see if anyone ever was able to wire this matrix switch correctly? I'm looking to have the ability to utilize it with the truck completely off if possible as the inverter is off the second battery... Any help would be greatly appreciated.
 
Inverter input
White/black 12V (-)
Green 12v (+)

Inverter output
Green/black 120v (+)
Green/white 120v (-)

If you plan on using the factory Toyota switch I would run it through a basic relay. Otherwise use a 15a rated switch and no relay. Dont forget to fuse it. Also if you plan to use this for camping or outside wire it through a GFCI for safety.
 
Last edited:
Phil - Thanks so much.. I think there was a picture of the pigtail and wire colors somewhere and I'll search for it. My switch only came as a "Switch"...

I have an unused pigtail under the console of my 97 LC that I'll utilize but I'm sure the colors will be different. I'll just need to refer back.

Do you know if this configuration will activate the inverter even with the vehicle "Off" or will I need to run a relay somehow?

Best,

John
 
Phil - Thanks so much.. I think there was a picture of the pigtail and wire colors somewhere and I'll search for it. My switch only came as a "Switch"...

I have an unused pigtail under the console of my 97 LC that I'll utilize but I'm sure the colors will be different. I'll just need to refer back.

What is this unused pigtail you speak of? Is it switch with the ign or not?

Do you know if this configuration will activate the inverter even with the vehicle "Off" or will I need to run a relay somehow?

If the power you use for the relay/switch is unswitched power then it will work any time.:meh:

Best,

John

My reply may be seen if not viewed on a real computer:flipoff2:
 
Ive got several unused pigtails / Male plug ends.. I think one if possibly for the LX AMP (Mine is a LC) and the other I have was for the rear heater that I deleted. I plan on using one of those. I also have to check the back of the factory heater switch to see if it could work in the Matrix switch. That should give me the "Lighted part of the switch" when headlights on but its only a ignition "ON" setup.The rear heater is also on a factory relay so I have that to try and utilize as well.
 
I just wanted to post my solution using a pigtail off the wiring harness under the console on my 1997 LC that fit the Matrix Switch. I've outlined the proper wiring below to show how to hook up the switch to run any inverter and also have the 115V illuminated with parking lights and also get the power light to wok on inverter activation. - This setup allows for inverter operation without the need to have Acc or Key On power to the truck

Non-Relay

#1 Wire Blue w/ White Stripe to Negative Battery
#4 Wire White W/ Black Stripe to Cigarette Lighter / parking light Illumination
#3 Wire Dark Blue w/ Black Stripe to Positive Battery
#2 Wire Green to Negative Battery
#6 Wire Blue w/ Orange Stripe to Inverter Switched 12V Input (Activate Inverter)

The above provides switched power to the #6 wire with On/Off Light when switch is activated
The above provides the 115V Back Light when the parking lights are activated.



I recommend using a Relay

#1 Wire Blue w/ White Stripe to Negative Battery
#4 Wire White W/ Black Stripe to Cigarette Lighter / Parking Light Illumination
#3 Wire Dark Blue w/ Black Stripe to +/positive from Relay Switch Wires
#2 Wire Green to -/Negative From Relay Switch Wires
#6 Wire Blue w/ Orange Stripe to Switched 12V from Relay Switch Wires

The above provides switched power to the #6 wire with On/Off Light when switch is activated
The above provides the 115V Back Light when the parking lights are activated.


Video of the switch operation:




Hope this helps someone~

matrixswitch_zps226ef762.png
 
Last edited:
Back
Top Bottom