This thread is the result of many hours of research and questions asked. I am using it to compile the final data for how to desmog a 79-80 FJ40 while still retaining beneficial systems. This is not intended to be a debate on the merits of desmogging your vehicle, those discussions exist elsewhere.
That being said, if any of the following looks inaccurate let me know and I will edit.
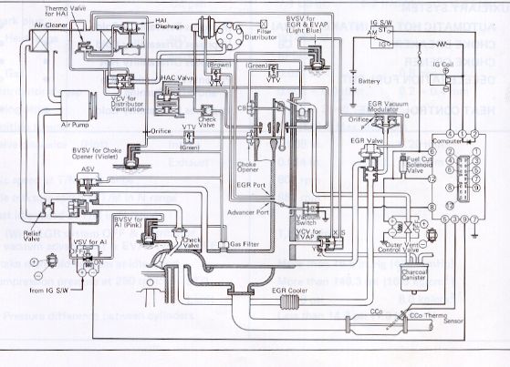
The following diagrams show the stock emissions system
79emission%20schematic
79emission%20schematic2
By desmogging we eliminate the following systems:
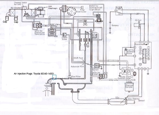
Air Injection (AI)
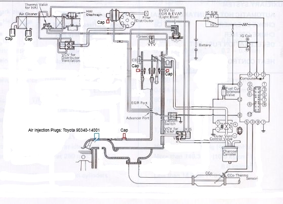
Exhaust gas recirculation (EGR)
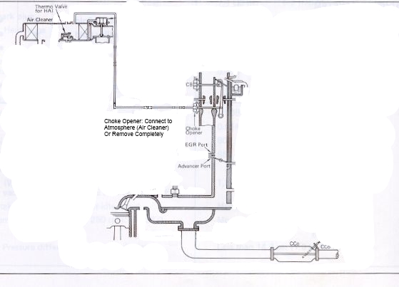
Choke Opener (CO)
And we retain the following systems:
distributor advance
deceleration fuel cutoff (i.e. vac switch, fuel cutoff solenoid)
evap (i.e. fuel tank and carb bowl venting, charcoal canister)
choke breaker (CB)
hot air intake (HAI)
distributor cap vent
hot idle compensation (HIC)
positive crankcase ventilation (PCV)
-optional- High Altitude Control (HAC)
The following schematic shows the overall result w/o HAC, w/ HAC will be discussed later.
79emissionschematic - for Desmog - w-o HAC
The following posts will outline these systems individually.
That being said, if any of the following looks inaccurate let me know and I will edit.
The following diagrams show the stock emissions system
79emission%20schematic
79emission%20schematic2By desmogging we eliminate the following systems:
Air Injection (AI)
Exhaust gas recirculation (EGR)
Choke Opener (CO)
And we retain the following systems:
distributor advance
deceleration fuel cutoff (i.e. vac switch, fuel cutoff solenoid)
evap (i.e. fuel tank and carb bowl venting, charcoal canister)
choke breaker (CB)
hot air intake (HAI)
distributor cap vent
hot idle compensation (HIC)
positive crankcase ventilation (PCV)
-optional- High Altitude Control (HAC)
The following schematic shows the overall result w/o HAC, w/ HAC will be discussed later.
79emissionschematic - for Desmog - w-o HACThe following posts will outline these systems individually.
Last edited:
IMG_0794[1]
79emissionschematic - Choke Opener
IMG_0799[1]
IMG_0800[1]
Removal of CO
IMG_0844
Removal of CO Linkage
IMG_0842
IMG_0843
IMG_0845
79emissionschematic - Advancer
IMG_0783[1]
IMG_0782[1]
79emissionschematic - Vac Switch2
IMG_0806[1]
IMG_0787[1]
IMG_0786[1]
79emissionschematic - Evap
IMG_0784[1]
IMG_0788[1]
IMG_0789[1]
IMG_0817[1]
IMG_0792[1]
IMG_0791[1]
IMG_0790[1]
IMG_0770[1]
IMG_0793[1]
79emissionschematic - Ported CB HAI & Dist Vent
IMG_0798[1]
IMG_0772[1]
IMG_0771[1]
IMG_0773[1]
IMG_0774[1]
IMG_0775[1]
VCVdetail-1
IMG_0780[1]
IMG_0778[1]
79emissionschematic - HIC
IMG_0767[1]
79emissionschematic - for Desmog - w HAC
79emissionschematic - HAC
IMG_0825[1]
IMG_0827[1]
IMG_0828[1]


