Critique my '79 desmog

This site may earn a commission from merchant affiliate
links, including eBay, Amazon, Skimlinks, and others.

Joined
Feb 3, 2004
Threads
20
Messages
916
Location
Colorado
The configuration shown here was arrived at from review and research of multiple threads, however, as many of you know the '79 and '80 configuration is a bit unique. I have everything taken apart to rebuild the carb and replace the manifold gasket, so I figured this would be a good time to document everything and solicit a bit of input.

To start, a few overall pics before I started dissasembly.












Now on to the de-smog layout and questions.
 
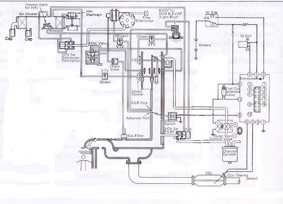
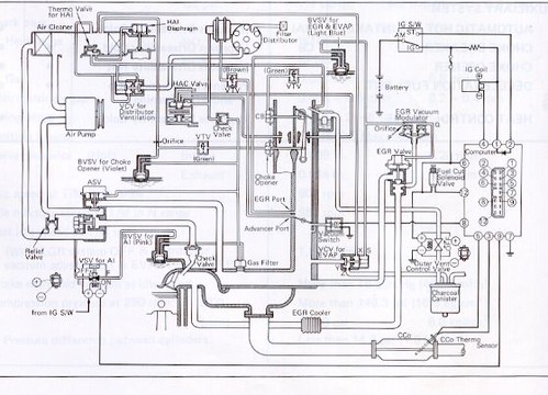
To start with, here are some diagrams for reference, first, the '79 emmisions schematic





Next, Rich Adams/ Jim C's desmog schematic from the tech section, marked up to correspond with the pictures to follow



Keep in mind when reviewing these pictures that I was dissassembling as I went, so there will be hoses un-hooked in some of these photos, the labels correspond to the order I removed hoses.

#1 - I don't recall what this component is called, it is connected to a barb on the air cleaner (atmostphere) then through this component to a barb on the carb insulator.



This is where my first question comes up:



#2 - Atmosphere to choke opener





#3 - Atmosphere to VCV (for evap)



#4 - Top of carb (I believe this ports to manifold vacuum) to CB (choke breaker)





This is where my next question comes up - I have this line Tee'd to also feed the HIC valve, I think I did this for a reason (assuming the port on the carb is manifold vacuum) but it has been a while since I did it. The alternative is shown in this marked up photo:





#5 - Gas filter to VCV (for dist cap venting)



 
Last edited:
#6 (DUP) - #6 is duplicated in my pics so bear with me - Atmosphere to Dist cap venting, including VCV.

I think that I have this hooked up backwards - I think the Tee'd hoses should go to atmosphere, and the single hose should go to the cap:



#6 - Advancer port (carb) to advance (dist) - I have this hooked to the outside port per the diagram:



Next question:



#7 - EGR port (carb) to BVSV:



(sorry not a good photo)



#8 - Fuel cut port (carb) to vacuum switch (fender):





#9 - BVSV to VCV (evap)





#10 - VCV to metal tube (this tube goes to charcoal canister)



#11 - Carb insulator to VCV (evap)





These are the two ports I had plugged on the carb:



Guru's please take a look and let me know how I did.
 
Last edited:
Some random thoughts/ questions:

-Per the emissions diagram the BVSV should be light blue for evap, and located in the upper hole in the lower thermostat housing - I know this isnt critical but if I ever replace one this is the one I will get and where I will install it.

- I have no OC thermo sensor (in the catalytic converter), will this cause any issues with the emissions computer?

- I have no check valve in the exhaust (shown on desmog diagram) - any problem?

 
So....I think I found the desmog unicorn.

Any ideas what this is for..?



A better hint



A replacement for the "Gas Filter" which in my case was broken and patched back together with RTV. With the desmog you only need one port anyway.



Legris 3121 04 10 Nylon & Nickel-Plated Brass Push-to-Connect Fitting, Inline Standpipe, 4 mm Tube OD x 1/8" BSPT Male
http://www.amazon.com/gp/product/B009PT8FN6/?tag=ihco-20
 
Totally not a guru but....I did this to my '84 60 last fall. Had to replace the head gasket and while I had the top end apart I figured it would be easier.

The "gas filter" has a little wad of screen inside. If the one you have as a replacement doesn't have a filter of some sort you run the risk of sucking dirt, bits of broken glass, dead rats, unicorns, or what have you into your combustion chamber. Not so good sometimes. It does look like a clean little thing though. You can get a replacement "gas filter" from the junk yard off Japanese vehicles of the same era for like 2$ (put 4 more in your pocket while you're at it so other mudders can get at em....). They are 1/8"BSP which is a little smaller than 1/8"NPT and has a different profile/pitch. It will thread in but maybe not seal. Or maybe it will be fine. Or maybe it will rattle out. Mine was reefed so I tapped it out to 1/8NPT and got an adapter. There is the Battlestar Galactica thing pictured below for the brake booster on a 60. It has a single little port on the side that I use for checking vacuum. No filter there either.

The cap on your primary advance is fine. You may want to play around with switching this back and forth while checking your timing if you have a fancy timing gun. You will decide which you like better. I had to monkey with this to get the timing right but I dont have a fancy timing gun. I just try to blink at the right time.

Did you delete the HAC (High altitude compensator)? You probably want that in Colorado unless you spend all your time downhill from Denver. I have one that you can have for the price of postage if you need it.

I will look at my sixty with your photos in front of me tomorrow but thats all I got now. Have a cold and it is kinda dark out right now.
vac port.webp
 
The gas filter supplies vacuum to the distributor cap venting, I don't know what the risk is of any particulates getting sucked into it but you do raise a good point. My gas filter was already damaged so it made sense to replace it and the part was pretty inexpensive.

I did delete the HAC but I do still have it, my rationale was that my cruiser would be spending the majority of its time over 5280 so it would probably always be open. I will need to revisit this and see if it makes sense to keep it intact.
 
It is a lot of work for no gain and it makes your cruiser worth less and harder to sell

Lose, lose, lose.

How is that for criticism?

It was not that hard on my sixty

gave me a 20% gas mileage boost much less expensively than buying a new air rail, smog pump, and cat

Harder to sell, maybe so, but mostly in California.

Win, win, draw.

How's that for a retort?

Btw, did you make the carb rebuild series of videos on YouTube pin_head? Or ws that spike strip?
 
How's that for a retort?

That is a pretty good story except I don't believe it because my experience is the opposite. No change in fuel mileage, no more power and it runs worse and pops in the exhause manifold during deceleration.

Every time anyone spends more than an hour or $100 on their cruiser, they think it runs better but the dynamometer doesn't lie.
 
In all honesty I would tend to agree, however, I did a hack job on mine when I put on the header about 10 years ago. After dealing with it running sub par for a long time, and considering I have collector plates so no more smog testing and no plans to sell it the de-smog was the easiest way to get it running properly again. If I had it to do all over again I would have left everything dead stock, including skipping the header install and spent the money and time elsewhere. What is done is done.

I am in the middle of rebuilding my carb (just took the last of the parts out of the dip tonight) and your videos were a very helpful resource, I will post some pics of the peculiarities of the '79 carb tomorrow if I have time.
 
That is a pretty good story except I don't believe it because my experience is the opposite. No change in fuel mileage, no more power and it runs worse and pops in the exhause manifold during deceleration.

Every time anyone spends more than an hour or $100 on their cruiser, they think it runs better but the dynamometer doesn't lie.

I did experience a 20% gain in fuel economy.

Seriously...I swear it



However........you probably deserve a ton a credit for that because I rebuilt my carb using your videos for reference. Thank you very much for making those.

In my case the dilemma was between replacing smog pump, air injection manifold, cat , and some EGR stuff in addition to head gasket, mani gasket, and machining the manifolds.

It backfired before the work (mani leak) but not after (functional decel fuel cut)

I tend to agree that it probably doesnt do much if you have a functional stock emissions system. When you dont, and considering all you CA cruiser owners drive up the price of replacement parts, it is a pretty quick add.

I couldn't meet emissions standards here in NJ until after I did that work. Afterwards, no problems. also no noticeable increase in power

I have always considered the claims about increased HP dubious at best. Part of those claims may be the result of other problems solved along with a "proper" desmog.

I like it because it is simpler and it frees up space in the engine compartment. Now I can flush the cooling system without pulling ten pounds of spaghetti out of the way.

Correct me if I am wrong but the central design of the power plant didnt change much from '75-'87. Just ad hoc bolt on tweaks that siphoned and re-burned exhaust gasses in various ways to meet the admirable intentions of the California Legislature. It was the 5th largest economy on the planet and Toyota couldn't afford to lose that market. Much like I couldn't afford to spend a grand on parts on top of all the necessities.
 
After about 1974, the electronic engine control was also about making better fuel economy to meet federal CAFE standards. After the appearance of catalysts, the engine controls are more about better fuel economy and running better under more conditions than about smog because the catalyst is very effective, especially the 3 way catalyst.
 
Doing some late night research

Ref: post #2 above, line 1 the component is the HIC, it is hooked up correctly.

https://forum.ih8mud.com/40-55-series-tech/302416-79-80-fj40-vacuum-diagram.html

I also stumbled upon a thread I started a couple of years ago when I was trying to sort this all out

https://forum.ih8mud.com/40-55-series-tech/471888-79-desmog-vacuum-source-thermo-valve-hai.html

It looks like what I have labeled as 6 dup in post #3 is routed correctly, T'd end to dist cap and single end to atmosphere, the line diagram and isometric conflict each other.

From reviewing the '79 diagram it looks like the vacuum source I have T'd to the CB and thermo valve for HAI should also T into the VCV for dist cap venting and serve as the vac source for all 3. Based on this the gas filter would be the vacuum source solely for the additional advance for HAC.
 
Last edited:
So here is a question:

In the desmog diagram the choke opener hose connects to atmosphere, does this component have any functionality now? Since I have my carb apart for rebuild should I just remove it?
 
HAC

I am doing a bit of research on the HAC and contemplating re-connecting it.

The HAC adds air into the high speed circuits and adds an additional 6deg of advance when the vehicle is over ~4500 feet elevation.

Here is a diagram for how it connects on the FJ60:

attachment.php


attachment.php


One thing that differs between the FJ60 and my '79 is that there is no HAC provisions for the slow circuit of the carb, only for the fast circuits. Internally there are inlets into the top of the emulsion tubes which connect through the top of the carb to the ports that I had capped previously.







as a FYI - the o-rings in mine appear to be in good shape, the Keister rebuild kit I am using did not come with replacement O-rings since it is not made for US market carbs (apparently) but if you do need new O-rings they are toyota part number 21659-38110 and are about $22/ea.

As I said in the previous post the only vacuum source for the HAC is from the gas filter, and it only serves to provide the additional 6deg of timing advance. With this in mind I am considering hooking up the HAC to the carberator only, and leaving the additional advance disconnected until I can get my dist. re-curved. This should lean out my carb to a more proper AFM.
 
Sorry to keep adding posts but I am using this to keep all my info straight:

I started looking at choke opener removal to see how involved it would be, if you look at this photo you can see that one of the linkage springs attaches to the CO bracket.



So, I found a photo of a Jim C desmogged carb, the choke opener part is cut from the bracket leaving the spring attachment intact.

attachment.php


post #2 here:
https://forum.ih8mud.com/60-series-wagons/273988-87-fj60-carb-photo-diagram-needed.html
 
Back
Top Bottom