79 Desmog - Vacuum source for thermo valve - HAI?

This site may earn a commission from merchant affiliate
links, including eBay, Amazon, Skimlinks, and others.

Joined
Feb 3, 2004
Threads
20
Messages
916
Location
Colorado
I am working on fixing some of the dumb things I have done to my 79 FJ40 over 14 years or so of ownership.

One of these dumb things was a hack job desmog.

I am trying to hook the HAI (hot air intake) system back up, from my research the 79-80 model is different than the later FJ60 system which combines the HAI and HAC into one system. The HAI connects to the HAC on the 60, which then connects to a T on the PCV vent. The 79 FJ40 connects the HAI to a HAI thermo controller which is supposed to open the HAI under presence of vacuum under low temps, and then close the HAI (by closing the vaccum source) once the engine temp increases - at least that is how I understand it.

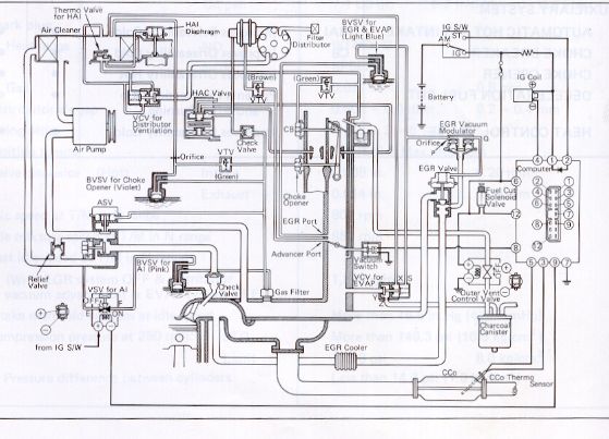
Here is the 79 schematic:
79emissionschematic2.jpg


This shows the thermo valve vacuum source to be a fitting at what appears to be the top of the carb. I currently have two capped fitting on the left side of the carb (front of vehicle side) so would one of these be the proper vaccum source?

The other option would be to connect to the gas filter (currently capped), but I am concerned about introducing a open vacuum leak directly into the intake manifold since I dont 100% understand the function of the thermo valve.



Second question which should be easier - I am also trying to hook the venting to the dist cap back up, the line from the cap to firewall is still in place. Can I hook the second vent line directly to the fitting on the passenger side of the air filter housing, or do I need to install the VCV.

Thanks in advance.
 
Second question which should be easier - I am also trying to hook the venting to the dist cap back up, the line from the cap to firewall is still in place. Can I hook the second vent line directly to the fitting on the passenger side of the air filter housing, or do I need to install the VCV.

Thanks in advance.

The "second vent line" is not a vent line per se, it is a source of vacuum to keep ozone, hydrocarbons, and condensed moisture from building up inside the distributor. Per the official Jim C.-blessed de-smog diagram, the small port on the top of the distributor is connected to the VCV which in turn is connected to both the air cleaner housing and the "gas filter" on the manifold. The gas filter is the vacuum source, and the air cleaner is the exit for whatever is evacuated from the distributor.
 
I had to look at that for a few minutes to understand the function - The VCV functions as a switch that opens the path between the Dist and air cleaner when the engine is running? The VCV opens under vacuum but doesn't allow vacuum to flow through it - Otherwise I would see that being a big vacuum leak...

72706FJ60desmog.jpg
 
I had to look at that for a few minutes to understand the function - The VCV functions as a switch that opens the path between the Dist and air cleaner when the engine is running? The VCV opens under vacuum but doesn't allow vacuum to flow through it - Otherwise I would see that being a big vacuum leak...

Yes, looking at it further I believe you are right, the gas filter is just a vacuum switch. There must be a slight amount of vacuum in the air filter housing (from the intake of the carb.), at least enough to evacuate the distributor.
 
After reviewing https://forum.ih8mud.com/60-series-wagons/188643-my-desmog-thread-2.html Post 91 from Jim C, the dist cap should not be hooked directly to the air cleaner.

The VCV prevents fuel vapor from making its way into the dist when the engine is turned off which can lead to an exploding dist cap.

And from doing more review it seems that the HAI thermo valve should be tied (teed) into the choke breaker circuit (CB) which provides the vacuum source for both the dist cap VCV and the HAI thermo valve. Hopefully somebody can confirm.
 
For reference, here is the stock VCV on my 1980, on its bracket underneath the passenger-side air cleaner mount. Since I'm not running the HAI, the "T" is looped back to the air cleaner line. Per the offical de-smog diagram, the bottom nipple is hooked up to the "gas filter" instead of manifold vacuum.

IMG_0752.jpg
 
So the fitting on the right goes to dist cap, and the fitting on the bottom goes to vacuum?

The isometric and line diagrams are different, trying to figure out which is correct..
 
So the fitting on the right goes to dist cap, and the fitting on the bottom goes to vacuum?

Yes; fitting on the right goes to the dizzy, fitting on the left goes to the "T" which goes to the air cleaner, fitting on the top goes to the air cleaner and the fitting on the bottom goes to the gas filter.

Ok, I think I figured it out, search is such a wonderful thing

https://forum.ih8mud.com/60-series-wagons/212509-vcv-hose-routing-question.html

I am going to hook up the vcv per that link since that routing has Jim C's blessing.

I will take a look at that too. I thought that the de-smog diagram you posted (in post #3, above) had been blessed by Jim C. also.


I also plan to use the gas filter as the vacuum source and t it to use for the vac source for the thermo control valve. Thanks for your help 1911

You're welcome, for as little as it was!
 
Also, have you seen this more current thread, which is also in the process of being blessed by Jim C.? :)

https://forum.ih8mud.com/60-series-wagons/440288-my-desmog-keeping-hac-lots-pics.html

It shows the bottom of the VCV being routed to the gas filter, and says that in fact the gas filter is a vacuum source not just a vacuum switch.

BTW I just went and re-positioned my "T" fitting to be just like the diagrams and links you posted.
 
Back
Top Bottom