Overhead dome light mystery (2013 LX570)

This site may earn a commission from merchant affiliate
links, including eBay, Amazon, Skimlinks, and others.

Joined
Dec 5, 2023
Threads
1
Messages
10
Location
Bay Area, CA
Hey all,

First time poster, long time lurker here.

I'm stumped. The overhead dome lights (all rows) in my 2013 LX570 have stopped turning on when I open the doors. Here are the clues:

* The lights work fine when I use the on/off buttons in the ceiling panel
* The little green indicator light in the DOOR button never comes on when I press it (this seems like a strong clue)
* If I press the DOOR button while the dome lights are manually turned on the lights fade out. This tells me that somewhere a computer is reacting to the DOOR button press, but it doesn't activate the door sensing.
* The door sill lights come on when I open the door, pressing the switch in the door jamb turns them off again (ie, door sensing works)
* The lights are enabled in the on-board computer, this is also verified with Techstream.
* The DOME 1 and 2 fuses are fine
* Nothing is modified, no LED bulbs or anything.

I've searched the forum and wider internet and I haven't been able to find an answer, but some people seem to be having similar issues.

Has anyone seen this before? Any ideas on what to try next?

Thanks all!
 
I have the similar issue. I have 2013 Lexus lx.

When I press door on the overhead ceiling panel. The green light does not light up. The interior lights do not turn on.

I can manually turn on and works fine. When I press door then it turns off.

Passenger map light doesn’t work. I have changed the light bulb but it didn’t fix the issue.

It is not my door sensor since I press them then the other interior lights fade.

I have changed fuses and relays. It didn’t fix the issue.

I opened up the overhead console panel. There is a black soot so I think mine has burned out.

The replacement is expensive in excess of $800. So I have learned to live without.
 
Quick follow up on my issue:
The overhead panel has been working intermittently over the last few weeks. I took it apart and inspected the PCB but I couldn't see any obviously broken components or signs of burnt out traces. I've ordered a similar panel on eBay from an LS460 since they're readily available in the $50 range, I'll report back if it works.
 
Another update:
I received the LS460 overhead panel today (see attached image) and learned the following:
  • The LS460 panel is mostly plug and play. The unit itself has the same overall physical design as the LX panel (and I'm assuming LC as well) and the two connectors hook right up. It blends perfectly with the LX interior.
  • The panel works... mostly. Every button does what it's supposed to do (including sunroof controls), but the panel doesn't activate the third dome light in the cargo area — probably because the LS doesn't have that light.
  • The panel I bought has integrated HomeLink, this also works. On my LX the HomeLink controls are integrated into the rearview mirror. I guess someone could use this to control 6 garage doors (unfortunately I don't have that need).
However, the problem persists. When I plug the panel in, the green led in the DOOR button lights up but turns off after a few seconds and doesn't turn back on when I press it. This behavior is consistent between the two panels, which leads me to believe that the issue isn't within the panel itself, but rather with the ECU module that controls the lights or maybe communication between the two.

At this point I'm out of ideas, but I'll follow up if I figure this out.

Screenshot_20240104-184257.webp
 
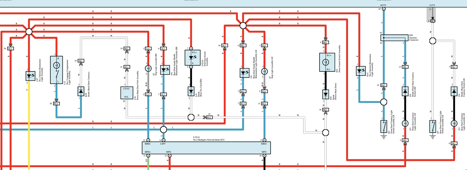
I’m gonna try to do some digging into the wiring diagrams in the next couple of days.. this is a curious one.

Posting here as kindof a reminder to myself
 
This is.. quite an involved system.

Screenshot 2024-01-06 at 6.12.52 PM.webp


Screenshot 2024-01-06 at 6.10.29 PM.webp
 
Oh wow, I should hook up Techstream to see if there are any codes stored. This is starting to look like it could be more trouble than it's worth... Thanks for the diagrams!
 
One thing I didn't mention:
Those two little rectangular ambient LEDs in the panel that illuminate the center console area go off when it's not working and come back on when it's working.
 
Sorry to hear that. Unfortunately no updates on my end, the issue went away sometime in the spring and hasn't come back. Weird.
 
My LX570 has similar issues. I can turn on all the lights manually though they will not turn on when the door opens. The step light will come on when the door opens. I have no gotten around to digging into the issue. I thought it was a setting though it may seem like a fault based on what you are saying. If I find a solutions Ill post it up.
 
My sunroof open button stopped working last week as well.

I found a 2013 ls 460 from eBay for $100. Received it and plug and play. Everything works perfectly.
 
My 2015 LX570 is doing the same thing as the first 2 posts in this thread. Plus the rear liftgate won’t open dash button or key fob, and sometimes you can’t open it manually either. Has anyone figured this out?
 
My 2015 LX570 is doing the same thing as the first 2 posts in this thread. Plus the rear liftgate won’t open dash button or key fob, and sometimes you can’t open it manually either. Has anyone figured this out?

Yes, it's nicely documented here. As a takeaway - liftgate strut maintenance/replacement is important otherwise it'll prematurely wear the lift motor. Also don't cheap out and get non-OEM struts.

 
After a long time of working perfectly, my dome light mystery issue has reappeared. However, I have a new theory based on vague and unfounded clues:

This time the issue came back after a few days of heavy rain. I noticed a few drops of water in the passenger footwell coming from under the dashboard, this area apparently also contains wiring and various connectors (maybe even a control module?). I wonder if the water might be messing with something in there? The water itself seems most likely to be related to the cowl weather stripping issue mentioned in this thread.
 
Last edited:
Back
Top Bottom