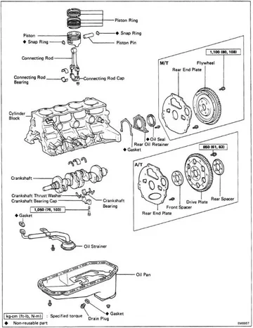
sort of odd request but I'm wanting to build a scale model of a 22R for an RC '83 Hilux. I use AutoCAD to draw them first. I can do a lot with pictures but unless you have a motor to look at & measure, graphical plan drawings showing dimensions are almost essential.
I have an FJ40/F engine in the garage but the wife will kill me if I drag a blown engine home to make another model of.
Done a lot of searching but most dimensions are bore/stroke, etc. not the kind you need for making a model.
Any suggestions? all sugestions appreciated.
I have an FJ40/F engine in the garage but the wife will kill me if I drag a blown engine home to make another model of.
Done a lot of searching but most dimensions are bore/stroke, etc. not the kind you need for making a model.
Any suggestions? all sugestions appreciated.


