Adding A/c Condenser Fan to 03+ LX470

This site may earn a commission from merchant affiliate
links, including eBay, Amazon, Skimlinks, and others.

I will report once I get all the parts. Still waiting...
sorry for long delay, the socket housing is really hard to find in US. I have to order it from IMPEX JAPAN, which has this in stock but delayed due to typhoon ...

I just got the socket in my hand and YES it fits the OEM relay.

I will do the wiring this weekend (hopefully). I already mount the brackets to its location.

However, it seems that summer is gone ...

20221026220049.webp
20221026220042.webp
20221026220033.webp
 
OEM relay related parts list:

relay with mounting brackets: 88840-60070
mounting screw thread: 6x1.0mm, need 2.
relay connector socket: 90980-10940 (hard to find in US)
wiring for relay 82998-12480 x 2 and 82998-12440 x 2


relay connection:
two thin wires are for relay control pins, non-polarity (tested).
two thick wires are for the power to fan, I would like to split that from 12V side.
 
Last edited:
OEM relay related parts list:

relay with mounting brackets: 88840-60070
mounting screw thread: 6x1.0mm, need 2.
relay connector socket: 90980-10940 (hard to find in US)
wiring for relay 82998-12480 x 2 and 82998-12440 x 2


relay connection:
two thin wires are for relay control pins, non-polarity (tested).
two thick wires are for the power to fan, I would like to split that from 12V side.
Thanks man Ill be following closely how you wire it all up OEM. Pics on the relay bracket mount location would be great as well.
 
Last edited:
I am working on this right now. now the issue I have: (Mine is 06LX)

My AC pressure sensor socket is 90980–10943. I bought the wire harness for this connector from this thread as 82998-12270. However from toyota wiring repair manual it is no correct. the correct wire harness should be 82998-12440.

1667103664975.webp


I compared the two wire harness and they are not the same. 12270 is obviously shorter. I tried to insert 12270 into AC pressure sensor socket it would get in, but cannot reach the end of connector. At least for me, this wiring harness is not working.

1667103883625.webp


Just want to know if the socket changed for different year models? I check through all the toyota 4pin weather seal sockets this 90980–10943 seems the only one.
If you already used the wiring harness 82998-12270 did you notice any connection issues? You cannot tell if the fan is working by looking for fan blade rotation esp. when vehicle cold starts. the cooling fan is running at full speed and it will blow the ac condenser fan blade to rotate. The best way to tell if the fan is working is to measure AC fan power socket voltage.

another question is that what is the output type of AC pressure sensor? is that output has power or just plain OPEN-CLOSE circuit? additional power supply to the relay control ports is needed if it is OPEN-CLOSE circuit.
 
I am working on this right now. now the issue I have: (Mine is 06LX)

My AC pressure sensor socket is 90980–10943. I bought the wire harness for this connector from this thread as 82998-12270. However from toyota wiring repair manual it is no correct. the correct wire harness should be 82998-12440.

View attachment 3154365

I compared the two wire harness and they are not the same. 12270 is obviously shorter. I tried to insert 12270 into AC pressure sensor socket it would get in, but cannot reach the end of connector. At least for me, this wiring harness is not working.

View attachment 3154367

Just want to know if the socket changed for different year models? I check through all the toyota 4pin weather seal sockets this 90980–10943 seems the only one.
If you already used the wiring harness 82998-12270 did you notice any connection issues? You cannot tell if the fan is working by looking for fan blade rotation esp. when vehicle cold starts. the cooling fan is running at full speed and it will blow the ac condenser fan blade to rotate. The best way to tell if the fan is working is to measure AC fan power socket voltage.

another question is that what is the output type of AC pressure sensor? is that output has power or just plain OPEN-CLOSE circuit? additional power supply to the relay control ports is needed if it is OPEN-CLOSE circuit.
to answer myself the second question, the circuit diagram indicates that the pressure sensor is simple OPEN-CLOSE circuit and power need to be added in. Waiting for the correct wiring harness and I will finish up this project. summary of all related components and parts will be reported then.


1667232966129.webp
1667233111005.webp

1667233011781.webp
 
Invaluable
 
OK after some digging and try-fails, finally I think I figure (most) of OEM AC Condenser Fan fitting to 03+ LC100 platform puzzle, here is the summary as promised:

1. parts list:
1) OEM parts:
AC condenser fan: 88590-60030, you can still buy brand new one now, or buy 3rd party new. However some 3rd party parts will not have rubber grommets included.
AC condenser fan connector: 90980-11237
relay with mounting bracket: 88840-60070, can still buy new one
relay connector socket: 90980-10940 (hard to find in US, buy it from IMPEX Japan)
pigtails: 82998-12480 x4 (2 or relay, 2 for fan connector), 82998-12440 x4 (2 for relay and 2 for pressure switch)

2) Materials:
mounting screw for relay bracket: thread: 6x1.0mm, length about 20mm, need 2.
wires (at least 14Ga) and inline fuse (I think 10-15A should be good)
terminal connectors for battery and ground connection
some tapes, zip-ties and wire wraps

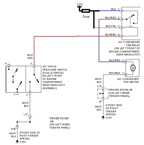
2. wire diagram:
I have drawn simple diagram here, you need wire almost all the wires on this diagram. Plan your wiring esp. for the ground ahead. I prefer soldering the wires in this project.

1667847405759.webp
1667847816452.webp


3. installation:
1) Fan assembly installation is easy and a lot of posts already covered. just need to remove the horns to get enough space to fit it in.
2) relay installation location: on driver side behind left fog light. service manual calls for removing front bumper to install this... but there is enough space that you can fit in without removing anything. (sorry for my poor photo taken)
1667848048841.webp

3) AC pressure switch pinout:
You need to pray out the white part of the connector first then insert two additional pigtail from behind:
1667848171363.webp


after installation, the two new pins should be exact the same as the other two pins, no movement in the socket and flush at the top:
1667848206567.webp


4) wiring is easy just follow the diagram.

4. Testing
It is the trickiest part of the project. the pressure sensor is not working as the way I thought at the beginning. The two switches in this part are not triggered/working at the same conditions: The trigger on/off for AC compressor is lower side pressure 33/28 psi and off/on is higher side 455/370 psi (between pin 1 and 4), however the trigger on/off of AC condenser fan is only the higher side 220/178 psi (between pin 2 and 3). That means the AC condenser fan is not working the same as AC compressor, it will only be turned on with relative higher pressure (or with high environment temperature).
It is pretty hard to test right now since "the winter is coming" in most areas in US. will need some heater in garage if you really want to install/test it now.

5. side notes:
1) As I noted before that the pigtail for the AC pressure switch may not be correct part number mentioned this thread before.

2) you need to decide that if you really want to do it. After the installation. I am kind of understanding why Toyota decided to remove the AC condenser fan all together. It is not only for cost concern but also that AC condenser fan may not that useful as design since it has pretty high trigger pressure from the AC pressure switch. for some reason Toyota didn't want to change the AC pressure switch part but decided to delete the condenser fan completely.
 
some additional pictures:

AC pressure switch on/off for compressor:
1667850186998.webp



pigtail comparison:
left:12270 right: 12440, right one should be the correct one.

1667850196626.webp
 
Did the Condensor fan on my '04 LX. All the notes here were perfect and very helpful... Thank you!

My LX doesnt have any cooling issues at the moment... so this was a "just in case" mod.
I used a 40/60A waterproof relay from Fastronix... the main activation is from the AC pressure sensor and I can also manually activate it through my SwitchPro.

That being said... the weather has cooled so probably wont see any benefits... but ready for next summer I guess!~
 
Did the Condensor fan on my '04 LX. All the notes here were perfect and very helpful... Thank you!

My LX doesnt have any cooling issues at the moment... so this was a "just in case" mod.
I used a 40/60A waterproof relay from Fastronix... the main activation is from the AC pressure sensor and I can also manually activate it through my SwitchPro.

That being said... the weather has cooled so probably wont see any benefits... but ready for next summer I guess!~
How did you set it up to manually turn on while retaining the pressure sensor switch?
 
How did you set it up to manually turn on while retaining the pressure sensor switch?
On a 12V relay, there is usually a 5th connector (87a)... It's an "Always on" when relay is not energized...

...so if you add 12v to 87a (usually at center of the relay) the Fan will turn on... and when the relay gets energized, it will
disconnect the 87a and grab power from 87 (the battery power you originally wired up to power the fan)

I just connected my 35amp power directly from my SwitchPros to the 87a on the relay, so i can now activate the fan manually from switchpro button, from iphone app, etc.
 
On a 12V relay, there is usually a 5th connector (87a)... It's an "Always on" when relay is not energized...

...so if you add 12v to 87a (usually at center of the relay) the Fan will turn on... and when the relay gets energized, it will
disconnect the 87a and grab power from 87 (the battery power you originally wired up to power the fan)

I just connected my 35amp power directly from my SwitchPros to the 87a on the relay, so i can now activate the fan manually from switchpro button, from iphone app, etc.
This is awesome. This is what I was hoping to do but couldn’t figure out if it was possible. I like having the manual control if wanted.
 
@LandCruiserPhil offers a great kit for this, which is hands down much more painless than what I'm about to explain below, however, you could do the wiring like I did and still use his kit.

Here is the original thread: How to get peak AC performance from your 2003+ 100 series

I needed a hands-off method of activating the A/c condenser fan retrofitted from 98-02 100 series. I bought a used fan off a '02 on ebay. If you go this route make sure ALL mount bushings are included, unlike this one shown below.

View attachment 1753784

It took about 10 minutes to mount the fan. On the LX, access is much easier and all you have to do is take off the horns. I chose not to drill the hole on the frame for a side-mount bracket. The fan seems solidly mounted with the other 3 points. There might be a fatigue crack on the plastic at some point, but I guess we'll see.

For the wiring, pulling the A/c pressure switch connector off revealed that it has 4 pins, whereas the connector itself has plugs in 2 of the locations. With a multimeter and a/c running on a hot day it was pretty easy to see the other two pins close when the blower starts blowing hot (ish). This shows the connector with the plugs in.

View attachment 1753799

Luckily the 2 pins are available as pigtails from Toyota for the princely sum of $15. Now its just a matter of adding a relay harness to switch the fan on instead of from the cab : Fully Automatic operation! Part #82998-12270
View attachment 1753801

Connector with pins added. The pigtails are just a push fit, but make sure you push them in oriented correctly.
View attachment 1753817
For you to add the pigtail, did you have to do anything special to push the new wire in? Or does it require you to unlock the connector before you can add those two new wires?
 
Opinions / advice please. I have an early 98 LC without rear AC and no condenser fan. I changed my condenser and decided to add in the condenser fan. I bought the fan, wiring harness, 4 pin pressure switch and control relay off a 99 in a local salvage yard. Pulled the fuse / wiring junction box behind the battery apart and added in the pins from the wiring harness to bring in the pressure switch pins to the correct Terminal’s and get the power to the control relay. Added in a fuse to complete the circuit to the condenser fan and it runs as expected.
The issue is now the AC only cools when the temp control knob is all the way pegged at 65. If i turn the knob past 68 call it the Upper vents close and the heat kicks on out of the lower vents. Makes no sense. Any ideas? Is the temp control knob bad or maybe the internal temp probe? Where to start is the question???
 
Opinions / advice please. I have an early 98 LC without rear AC and no condenser fan. I changed my condenser and decided to add in the condenser fan. I bought the fan, wiring harness, 4 pin pressure switch and control relay off a 99 in a local salvage yard. Pulled the fuse / wiring junction box behind the battery apart and added in the pins from the wiring harness to bring in the pressure switch pins to the correct Terminal’s and get the power to the control relay. Added in a fuse to complete the circuit to the condenser fan and it runs as expected.
The issue is now the AC only cools when the temp control knob is all the way pegged at 65. If i turn the knob past 68 call it the Upper vents close and the heat kicks on out of the lower vents. Makes no sense. Any ideas? Is the temp control knob bad or maybe the internal temp probe? Where to start is the question???
Whoa thats strange. I'm glad the fan is working I need to learn how to do this as well.
 
Unsure on the 98, but the later trucks like my 07 LX have a sensor in the panel below the steering wheel. Clean that up with some MAF cleaner and see if it solves it!
 
Opinions / advice please. I have an early 98 LC without rear AC and no condenser fan. I changed my condenser and decided to add in the condenser fan. I bought the fan, wiring harness, 4 pin pressure switch and control relay off a 99 in a local salvage yard. Pulled the fuse / wiring junction box behind the battery apart and added in the pins from the wiring harness to bring in the pressure switch pins to the correct Terminal’s and get the power to the control relay. Added in a fuse to complete the circuit to the condenser fan and it runs as expected.
The issue is now the AC only cools when the temp control knob is all the way pegged at 65. If i turn the knob past 68 call it the Upper vents close and the heat kicks on out of the lower vents. Makes no sense. Any ideas? Is the temp control knob bad or maybe the internal temp probe? Where to start is the question???
I would think that is the actuator issue or AC computer issue. If you still have rear AC working, switch on rear AC and control/check to see if you have normal AC there.
 

Users who are viewing this thread

Back
Top Bottom