Over the last number of weeks I have been gathering information to convert my fzj79 from part time 4wd to full time 4wd, I have good reason to do this conversion as I travel a lot of dirt roads in between stretches of bitumen and also on and off the road driving around the farm.
I could find 0 information about this exact conversion let alone anything close to it but almost what seems like hundreds of part time conversions on 80s.
This is my first post and first thred here on this forum as after the lack of information I thought someone, somewhere might find this useful.
For this conversion I have chose to use 80 series stuff as it's readily available 2nd hand, I do understand the 105 series has a lot of similarities
To start off with I did a lot of backwards research on the part time conversions on the 80 series then went from there, then I confirmed what manual transmission I had (h151), anyone feel free to correct me at anytime if my info is incorrect, most transmissions are the same with the exception of a few particular diesel ones which doesn't concern me for this conversion, knowing that I made sure that my model transmission was cross interchangeable with 80 series as it seemed it was I now knew that a full time transfer would fit, (most people know this but for those who don't from what I could find all transfers are the same, from petrol to diesel from auto to manual, in the 80 series that is anyway).
From here knowing that the conversion was possible I looked more into the transfer itself, how it worked, what I wanted it to do and how to make it do that. There are 2 full time transfers, an early one and a later one, both technically the same except the early (up to 92) has an open type center diff and the later (93-97) uses a viscous coupler, a type of limited slip center diff (also a fraction longer box). I decided to go with a later type one as a few threads I read mention how versatile they are, rarely even need to activate the center diff on most occasions without creating driveline bind, I didn't find much about the viscous coupler failing except one topic where a careless owner ran different size tyres front and back for awhile, in which case the new owner was able to remove the viscous coupler which is my fail-safe along with being able to still convert the new box to part time if it causes dramas as full time and still have push button 4wd for all my efforts so it's win win as far as I'm concerned.
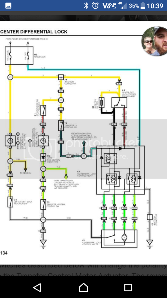
Ok what I want the new full time transfer to do in the 79, I want to be able to shift between high and low range all the time on regular full time mode and press center diff lock button at anytime without leaving my seat for full 4wd capabilities, following a bit of research regarding the center diff lock and the shifting positions in an 80 series, most 80s are regular high range full time mode and only activate the center diff when shifted to low range, (meaning you can't use low range if you say wanted to back your boat into the shed on a concrete driveway) for 80 series owners this is easily overcome with a few simple mods to the wiring and an addition of a cdl switch to work exactly how I want, so if it works on an 80 it can for me too with the exception that 80s use an ecu to control how long and which way the cdl motor runs for, luckily then I came across a (simplified) wiring diagram from a bloke that was doing a rewire? And didn't use or have the ecu (diagram below)

I am yet to test this diagram of course, where it says illuminated light I will use the green 4wd light on the dash to know when it's on and for the 2 way dash switch I will use a look alike Aftermarket rectangular cdl switch ($20 on ebay in your choice of colour) mounted into one of the empty spaces on the dash somewhere but the wiring will also include the switch to linked to the park light circuit to illuminate the switch at night time. The rest of the wiring is just relays and stuff linking into the factory switches and stuff on the transfer, I will play with this all on the ground BEFORE I put everything in and realise it doesn't work.
That's the mounting and the electrics sorted the only other things left is the tail shaft, which I'm yet to measure to find out the overall length difference between my transfer and the full-time, I'm imagining I will need a custom sized shaft but will update this section when I find out, if I do need a shorter or longer shaft (most likely shorter) I will buy a second hand shaft to cut down that way I'm not without my Ute while I get all the components together.
The only other thing I can think of that I need to sort out for this conversion is the shifter itself, which there is yet again 0 information on the net about, I compared a lot of photos and looked at my linkages from underneath etc, from what I can tell before I get my hands on the full-time box and start mucking around with it, I will need to use the shifter and linkage off my original box as the lever sits way forward and off to the side compared to the 80, I'm hoping the linkage off mine (again judging by pictures) is just a longer version of the 80 one and will be as simple as connecting it to the corresponding part on the full-time box, if not I will grab the 80 series one aswell and my grinder and welder says it will fit.
I have attached photos of my shifter from underneath and one from a manual 80 so those who care can have a look.
80 series full time manual

79 series part time manual transmission end

Transfer connection end

All I'm hoping I need is just the 80 series knob for the shifting positions, but as I said I will update this as I get more into it.
Oh almost forgot as far as the hubs go, short term I will just keep them locked, long term I will probably fit the constant 80 series or 105 series flange hub.
If anyone thinks I have left anything out or thinks I'm just purely insane please let me know.
I could find 0 information about this exact conversion let alone anything close to it but almost what seems like hundreds of part time conversions on 80s.
This is my first post and first thred here on this forum as after the lack of information I thought someone, somewhere might find this useful.
For this conversion I have chose to use 80 series stuff as it's readily available 2nd hand, I do understand the 105 series has a lot of similarities
To start off with I did a lot of backwards research on the part time conversions on the 80 series then went from there, then I confirmed what manual transmission I had (h151), anyone feel free to correct me at anytime if my info is incorrect, most transmissions are the same with the exception of a few particular diesel ones which doesn't concern me for this conversion, knowing that I made sure that my model transmission was cross interchangeable with 80 series as it seemed it was I now knew that a full time transfer would fit, (most people know this but for those who don't from what I could find all transfers are the same, from petrol to diesel from auto to manual, in the 80 series that is anyway).
From here knowing that the conversion was possible I looked more into the transfer itself, how it worked, what I wanted it to do and how to make it do that. There are 2 full time transfers, an early one and a later one, both technically the same except the early (up to 92) has an open type center diff and the later (93-97) uses a viscous coupler, a type of limited slip center diff (also a fraction longer box). I decided to go with a later type one as a few threads I read mention how versatile they are, rarely even need to activate the center diff on most occasions without creating driveline bind, I didn't find much about the viscous coupler failing except one topic where a careless owner ran different size tyres front and back for awhile, in which case the new owner was able to remove the viscous coupler which is my fail-safe along with being able to still convert the new box to part time if it causes dramas as full time and still have push button 4wd for all my efforts so it's win win as far as I'm concerned.
Ok what I want the new full time transfer to do in the 79, I want to be able to shift between high and low range all the time on regular full time mode and press center diff lock button at anytime without leaving my seat for full 4wd capabilities, following a bit of research regarding the center diff lock and the shifting positions in an 80 series, most 80s are regular high range full time mode and only activate the center diff when shifted to low range, (meaning you can't use low range if you say wanted to back your boat into the shed on a concrete driveway) for 80 series owners this is easily overcome with a few simple mods to the wiring and an addition of a cdl switch to work exactly how I want, so if it works on an 80 it can for me too with the exception that 80s use an ecu to control how long and which way the cdl motor runs for, luckily then I came across a (simplified) wiring diagram from a bloke that was doing a rewire? And didn't use or have the ecu (diagram below)

I am yet to test this diagram of course, where it says illuminated light I will use the green 4wd light on the dash to know when it's on and for the 2 way dash switch I will use a look alike Aftermarket rectangular cdl switch ($20 on ebay in your choice of colour) mounted into one of the empty spaces on the dash somewhere but the wiring will also include the switch to linked to the park light circuit to illuminate the switch at night time. The rest of the wiring is just relays and stuff linking into the factory switches and stuff on the transfer, I will play with this all on the ground BEFORE I put everything in and realise it doesn't work.
That's the mounting and the electrics sorted the only other things left is the tail shaft, which I'm yet to measure to find out the overall length difference between my transfer and the full-time, I'm imagining I will need a custom sized shaft but will update this section when I find out, if I do need a shorter or longer shaft (most likely shorter) I will buy a second hand shaft to cut down that way I'm not without my Ute while I get all the components together.
The only other thing I can think of that I need to sort out for this conversion is the shifter itself, which there is yet again 0 information on the net about, I compared a lot of photos and looked at my linkages from underneath etc, from what I can tell before I get my hands on the full-time box and start mucking around with it, I will need to use the shifter and linkage off my original box as the lever sits way forward and off to the side compared to the 80, I'm hoping the linkage off mine (again judging by pictures) is just a longer version of the 80 one and will be as simple as connecting it to the corresponding part on the full-time box, if not I will grab the 80 series one aswell and my grinder and welder says it will fit.
I have attached photos of my shifter from underneath and one from a manual 80 so those who care can have a look.
80 series full time manual

79 series part time manual transmission end

Transfer connection end

All I'm hoping I need is just the 80 series knob for the shifting positions, but as I said I will update this as I get more into it.
Oh almost forgot as far as the hubs go, short term I will just keep them locked, long term I will probably fit the constant 80 series or 105 series flange hub.
If anyone thinks I have left anything out or thinks I'm just purely insane please let me know.




