Builds 1974 FJ40 Restoration Build Thread (1 Viewer)

This site may earn a commission from merchant affiliate
links, including eBay, Amazon, Skimlinks, and others.

Just some pretty axles in their coats of POR...

20181027_131553.webp


20181027_131602.webp


20181027_131609.webp
 
I have a plating bench too, so I did the shackles in Caswell "Copy Cad" finish which is really fresh zinc in a matte finish with yello chromate coating. There are a million variables to the process (time, temp and process with degreasing, etching, plating, etching and chromating) that it can be difficult but I have nailed what I wanted on the shackles and pins. Just finish these off and I am ready to mount the axles...

The discoloration in the pics is exaggerated. In person it is exactly what I wanted.

20181027_171748.webp


20181027_171812.webp
 
That top grill is an old 4plus bumper. I have one also, pretty sweet.

0B4E0C18-193B-4436-A725-FE2649EF1CF5.webp
 
Thanks guys. The pic is from 4Plus's site but doesnt resemble anything for sale in their catalog.
 
Dave from 4Plus was very responsive. It seems ~10 years ago they stopped selling so much, so he went into just doing runs of them. They also take an odd size shipping box and freight costs are disproportionate. Very helpful and friendly but not available.

Anyone have one they want to part with?
 
Dave from 4Plus was very responsive. It seems ~10 years ago they stopped selling so much, so he went into just doing runs of them. They also take an odd size shipping box and freight costs are disproportionate. Very helpful and friendly but not available.

Anyone have one they want to part with?

I shot you a PM.
 
So some progress, some questions and some internet shopping accomplished.

I got the differentials stripped down and new bearings installed. A heavy-duty bearing splitter and a shop press were key. I had to order a magnetic base for my dial indicator to set backlash and waiting for that to arrive.

First question, the differential kit from SOR came with cork and paper gaskets for the differential cover/third members. Which goes where? I would guess the paper gaskets for the 3rd member.axle housing and the cork gasket for the rear differential cover? Cork might seem to allow a tiny bit of play in the drivetrain? Whats the proper gasket prep for the axle housings? Dry, Curil-T or something else? Dont say RTV.

Next question, how do I ID my ring and pinion? I've attached pics of the pinion here...I believe them to be stock on this US market January 1974 FJ40. Just out of curiosity.

Will post this now and more soon...

20181110_010308.webp


20181110_141928.webp


20181110_141931.webp


20181110_141935.webp


20181110_212808_001.webp
 
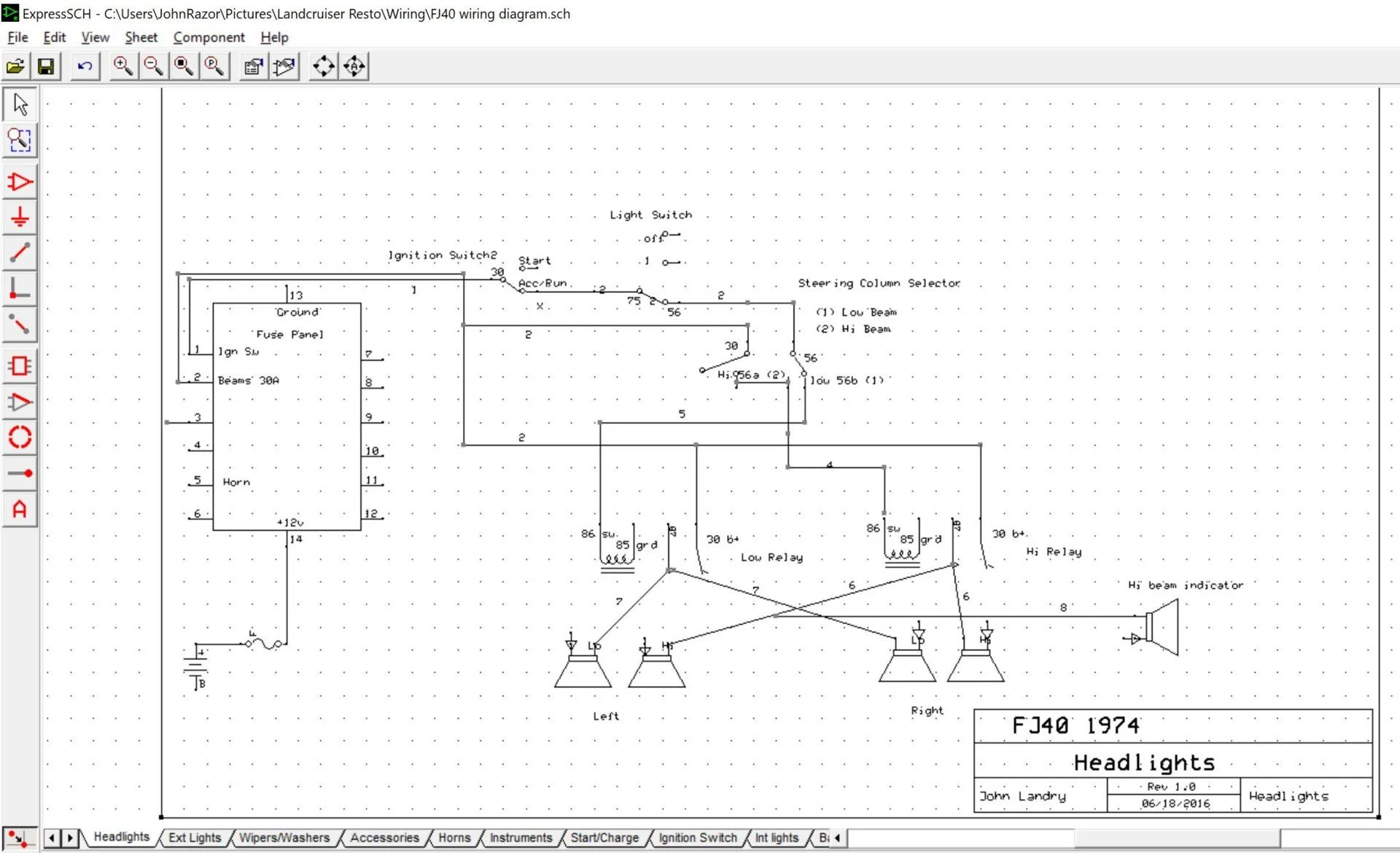
I have a sick perversion for building my own wiring harnesses. Its all in line with the "built not bought" mentality and I enjoy the challenge. I use a somewhat dated freeware program to map out the wiring diagram completely and use that to generate a wire manifest. I've used that to order up laser-labelled wire which is a dream to install and use.
wire_marking.jpg


I've used Painless, Blue Sea and these Seal-all fuse and relay panels. The last are my favorite so far...
11-13348-1.jpg


I have never installed a dual-battery system before, so thats an added degree of difficulty for me. I found these Blue Sea "Add a Battery" and charging relay that seems interesting. I want to run the truck off one battery and keep a second in reserve for camping/winching/auxillary lighting/compressor. This seems to be the ticket, claiming to isolate either battery, combine on discharge, and charge individually or both.

Add-A-Battery Kit - 120A - Blue Sea Systems

 
Here is a snip of a couple pages of the bespoke wiring diagram for this truck...when I am done each wire has a reference number and description on the diagram, current max for each wire, everything with a load has a relay with no full loads at the dashboard/column switches.

Capture.webp


Capture2.webp
 
  • Like
Reactions: SMG
Another question and welcome opinions...I want to use LED headlights but want a more retro look to them during the day. I like the lower current draw and hopefully more shock-durable than halogen or HIDs of a good LED. I looked around a lot and stumbled across these for what is a reasonable price if the quality is there. Has anyone here had experience with these "Grote" headlights?

90941-5.jpg


90941-5 - Grote 7" LED Headlight
 
  • Like
Reactions: SMG
I’ll be watching your dual battery install. That’s on my to do list.

I’m with you on finding LED’s that aren’t goofy looking. Been eyeballing some KC’s. Spendy though.
C5CDCC9F-DA53-45B6-83D7-F6FF59F5D7CE.webp
 
I started another thread to answer a specific question about front disc brake parts. Here is that to bring it all home...Front Disc Brake Conversion - Check my list please?

The rear axle is in place now. It is also getting discs. I have the SOR Ubold skid plates and Alcan springs with 2.75" lift. They look to be the right length. I did see other posts on their springs being too short sometimes but they seem to have fixed that. Lets see.

One questions regarding axle housing/perch wedges. I have an assortment here from various projects. With an expected total lift of 4" altogether between the springs and longer shackles, will my rear driveshaft angle be to acute? I put 2.5 degree wedges in the back to angle the pinion upwards slightly more directly where the Tcase ouput shaft should land. I have just never put those on he back.

What do you think?

20181117_083438.webp


20181117_083441.webp


20181117_083447.webp


20181117_083457.webp
 
A front axle from an 85 BJ60 is on the way. I plan to transplant the knuckles, calipers, hubs and flanges over from the BJ axle to my FJ. A couple of questions if anyone has interest?

I am not clear whether I will need new inner axles. My front diff is a stock 30-spline open 1974 FJ. I plan to install new longfields or similar birfields. Will 40 inner axles (mine look new) mate with 60 birfields?

Regarding the birfields, am I right in assuming I need to order ones that fit FJ/BJ60s, correct? I would then use/reuse the 60 spindles, 60 wheel bearings (same as 40? I have those on my bench.) and hubs.

Should I expect to have to trim the lip of the 40 axle housing to get the 60 knuckle and birfield to fit? I recall reading this on some builds but I am not sure I read a thread with my exact combination of frankenyota parts.

I have tons more questions but thanks for humoring me for now!
 
You can reuse the birfileld from the 60 axle. There will need to be some material removed from the 40 ball for the bigger birfeld. I did the mini truck version of this swap and it’s pretty straightforward once you get going on it.
 
Thanks!
Any comments on the wedges? Is 2.5deg on the back axle and 4 deg on the front about right for a ~3" lift?
 

Users who are viewing this thread

Back
Top Bottom