Yet another low beam / high beam issue thread

This site may earn a commission from merchant affiliate
links, including eBay, Amazon, Skimlinks, and others.

Joined
May 30, 2015
Threads
10
Messages
216
Location
Southern Oregon
Admission: I'm a total novice with automotive electronics. I could use some help from someone who knows more than me.

I have a '97 FZJ80, with the OEM headlight wiring harness. I had upgraded to 9011 / 9012 bulbs about one year ago, and just recently noticed one of the low beam bulbs was out, then a few days later, the other one. So, I was a good MUD member and searched, searched, searched for other folks with similar problems. I think I read 15 different threads and still can't find an answer - evidently the 9012 bulbs draw more current so may melt relays or blow fuses, but I can't find any evidence of that in my truck.

To date:

- corner lights work when switching the light stalk to low beam setting; low beams themselves do not.
- high beams DO work, including when just pulling back on the stalk, as if to flash / dip one's high beams
- checked the headlight relay on the driver's side in the panel in the engine bay, it seems in good order
- checked the right / left headlight fuses in the panel in the engine bay; they're fine too
- removed both 9012 bulbs - the filament had broken on one of them, but the other is just fine
- as a test, replaced both 9012 bulbs with the good, old 9006 bulbs I removed a year ago ... but they don't work either. :hmm:

Anybody with a bright idea? Help me Obi-Mud Kenobi... y'all my only hope!
 
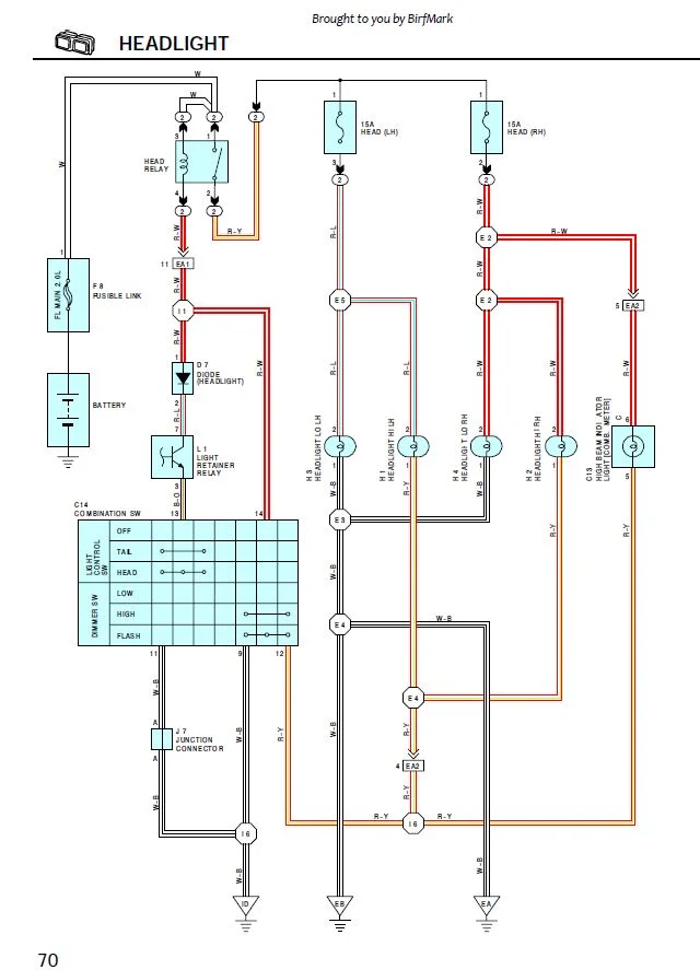
The high beam and low beam bulbs are both fed from the same 12 volt source (fuses/relay etc). The only difference is the ground paths. The high beams are a switched ground through the stalk and the low beams have a hard ground to each inner fender.
A volt meter will be your friend. Are you getting +12 to both low beams? Are you getting a good ground to both low beams?

Headlight.webp
 
The high beam and low beam bulbs are both fed from the same 12 volt source (fuses/relay etc). The only difference is the ground paths. The high beams are a switched ground through the stalk and the low beams have a hard ground to each inner fender.
A volt meter will be your friend. Are you getting +12 to both low beams? Are you getting a good ground to both low beams?

View attachment 3420378
Thanks for taking the time to reply. I'll get in there with a volt meter and see what I can find out. Hopefully it's just a loose ground and not a shredded wire I have to chase somewhere!
 
DMM is your friend here; not bulbs that look fine

i suspect the bulbs based on your description that one failed, followed by the other one. if it was a bad ground or fuse, you'd lose them both at the same time. or if it was a bad headlight switch, your corner lights wouldn't work either.

more typical is to lose the high beams, except for flash as that seems to always work, as the dimmer switch is a common failure item. had to replace that on my truck.
 
DMM is your friend here; not bulbs that look fine

This was exactly right. Both the 9012s were burnt out, and adding insult to injury, both the old 9006s I had used as testers were burnt out, too.

So, new 9012s arrived and worked right away. And I got to learn a new thing about my truck, even if it was the automotive equivalent of “did you check the printer’s power switch”? 🤦🏻‍♂️
 
Last edited:
Back
Top Bottom