Hi to everybody,
I'm the happy owner of a '78 BJ40. Starts good, runs good. That's not the problem. The problem is that the glow controller does not lit up no matter how long you glow. Assuming it was toast (and I was right) I bought a new one and after replacing it I found out that;
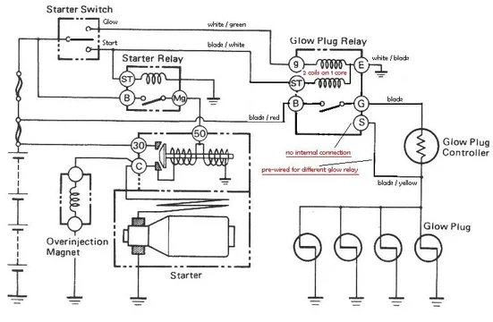
A. The situation is the same as before. Glow for 5 to 8 seconds and start. The controller does not lit up but the engine starts up fine.
B. There is no voltage on (both sides of) the controller
C. With the volt meter I measured 12V on the G contact as well on te S contact of the glow relay while glowing. ?????
This leads me to the conclusion that the controller is disconnected and a short/bypass is made somewhere (by a PO?) in the harness to solve the problem with the controller.
So here is my question: Where does the controller hook up into the harness? Behind the cluster, in the middle, close to the glow relay? I don't want to tear the harness (behind/under the dash) open on my hunt to find the connector because I think that the PO knew where the connector was and just made a shortcut.
If anybody knows something about where the connector is located it will help me a lot.
Sorry for my lousy Englisch since my first language is Dutch, if you can't make peanutbutter of this please let me know.
Thanks, Rudi
I'm the happy owner of a '78 BJ40. Starts good, runs good. That's not the problem. The problem is that the glow controller does not lit up no matter how long you glow. Assuming it was toast (and I was right) I bought a new one and after replacing it I found out that;
A. The situation is the same as before. Glow for 5 to 8 seconds and start. The controller does not lit up but the engine starts up fine.
B. There is no voltage on (both sides of) the controller
C. With the volt meter I measured 12V on the G contact as well on te S contact of the glow relay while glowing. ?????
This leads me to the conclusion that the controller is disconnected and a short/bypass is made somewhere (by a PO?) in the harness to solve the problem with the controller.
So here is my question: Where does the controller hook up into the harness? Behind the cluster, in the middle, close to the glow relay? I don't want to tear the harness (behind/under the dash) open on my hunt to find the connector because I think that the PO knew where the connector was and just made a shortcut.
If anybody knows something about where the connector is located it will help me a lot.
Sorry for my lousy Englisch since my first language is Dutch, if you can't make peanutbutter of this please let me know.
Thanks, Rudi





Interesting!



takes the pig for a ride. She knows that she have to glow but can easily keep the key in the glow position for half a minute. Don't ask me how. She did it already one time.



I have the same S terminal going nowhere.



