UZJ100 door lock relay challenge. Need experienced advice.

This site may earn a commission from merchant affiliate
links, including eBay, Amazon, Skimlinks, and others.

Joined
Feb 21, 2020
Threads
3
Messages
13
Location
Europe
Car model: Toyota UZJ100 RHD. (Watch out, right hand drive versions make an absolutely nightmare to reach and replace some of its most essential relays).

The central door lock relay fails in this car. You can hear the click but it doesn't lock doors. It only works fine when the weather gets cold.

Door unlocking (unlock relay) works fine. There are 2 relays one for locking and another one to unlock doors. It is only the locking relay that gives problems.

I tested first all the door lock actuators to make sure they work fine.
I also checked wire continuity from the junction-box to the door lock actuators. Door lock wires are fine.
I tested door lock wires at the junction-box with a 12V tester. Door lock wires get power when relay works fine (doors are locked fine) but wires get no power when it fails to connect. You can hear a relay click but no power sent to the actuators.

The relay energizes or activates itself when it gets an earth signal from the Body control ECU. I had a chance to test a second Body-ECU I have. The second ECU showed the same relay behaviour (you hear the click but no power).

Thus, the conclusion was clear. I need to replace the door lock relay. Easy.

Well not so easy. This car is my father's Toyota UZJ100 RHD (right hand drive). The relay is located in the hidden side of the junction-box under the glove box. To reach this relay in the right hand drive version is an absolute nightmare. You must detach the junction box but there is no space as it is mostly hidden by the A/C pump. Thus, if you wanted to reach that relay you would have to remove the whole dashboard (Toyota also confirmed this). Crazy design.

Plan B:
Since I have the wiring diagrams of this car I thought it would be possible to identify the wires involved in the door locking circuit, disable the old relay (unplugging the ECU ground signal will disable it) and fit a new relay that could do that job.

I've never done such a fix (hack) around a junction box wiring. Any good advice from experienced guys is welcome.
What would be your preferred fix or solution if you were in my situation?
Thanks in advance.

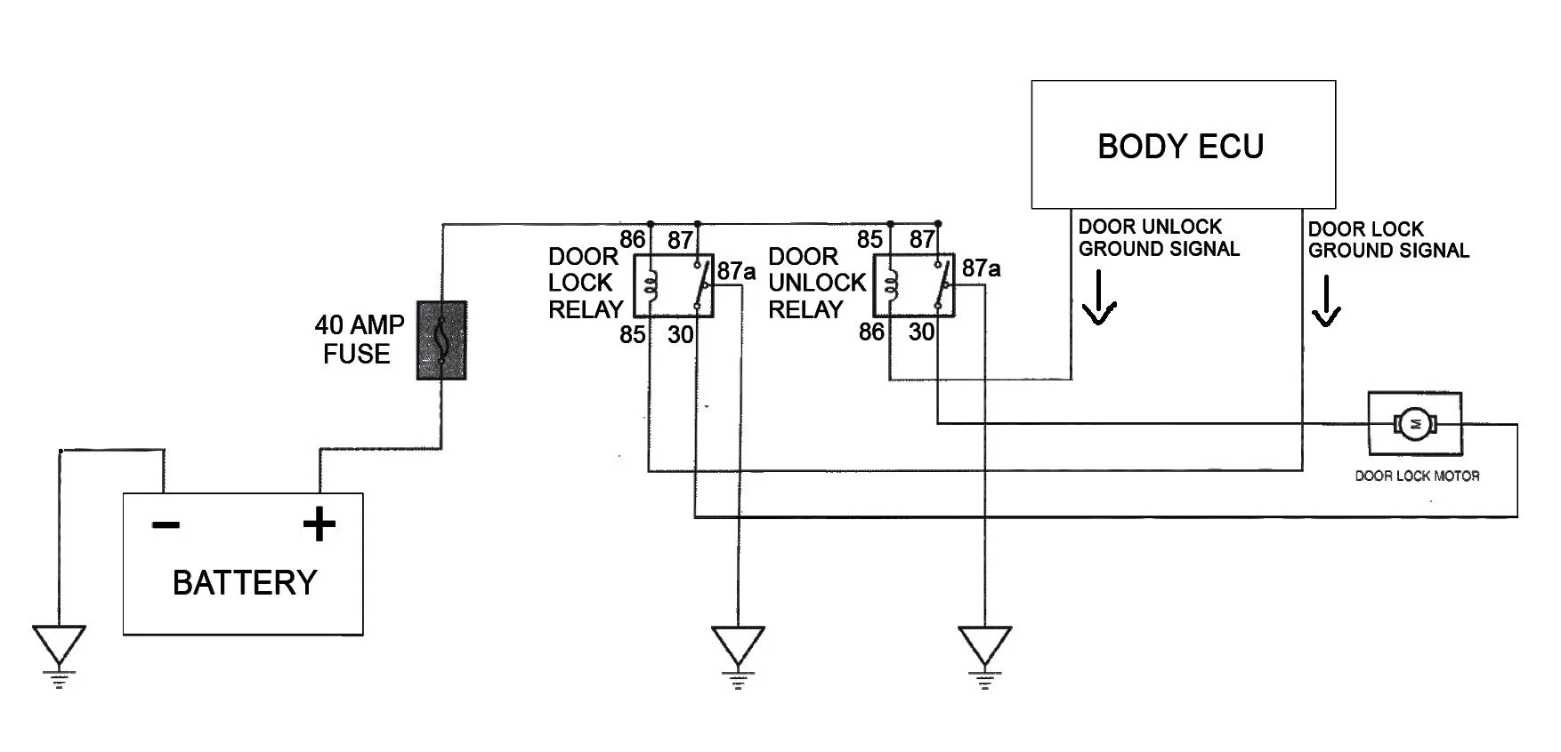
Image A is a simplified diagram explaining how the central door lock works in this car:
Image-A-DOOR-LOCK - https://ibb.co/DQ3hcTP

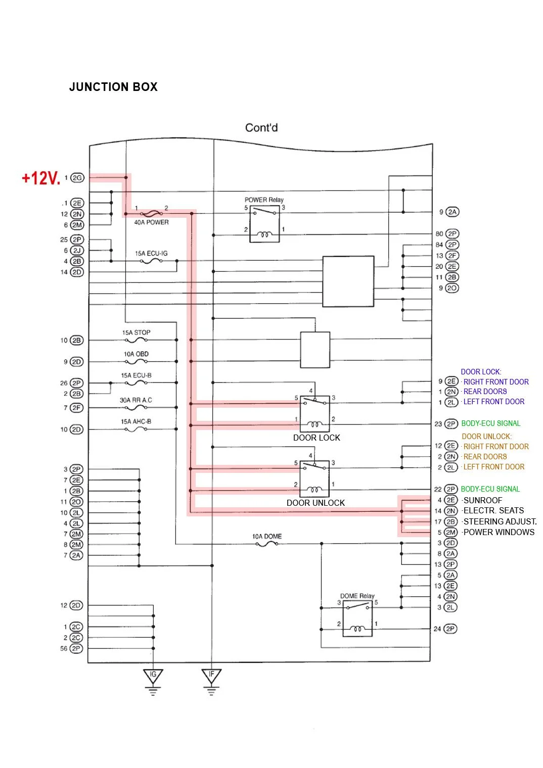
Image B is the EWD of the door lock/unlock relays at the junction box:
Image-B-JUNCTION-BOX-EWD - https://ibb.co/VWrQr8b

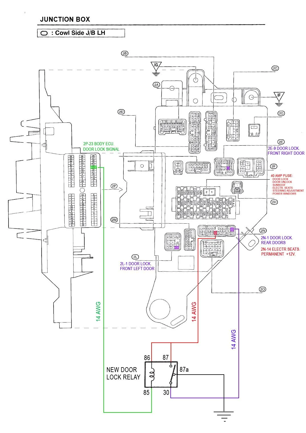
Image C is an image of the Junction box and the wires I would have to connect to the new relay:
Image-C-JUNCTION-BOX-COWL - https://ibb.co/zPXgDV3

Image D is a picture I took from the Junction Box wires:
Image-C-JUNCTION-BOX-WIRING - https://ibb.co/9t71cWv

As I said earlier I think it may be possible to fit a new relay to fix this problem.
Does this approach make sense to you? what is the proper way to connect to those wires at the junction box (standard faston terminals? Wire gauge needed? I calculated 14 AWG to be sure. What is your advice?

Thank you in advance.


ImageA-DOOR-LOCK.jpg


ImageB-JUNCTION-BOX-EWD.jpg


ImageC-JUNCTION-BOX-COWL.jpg


ImageC-JUNCTION-BOX-WIRING.jpg
 
Last edited:
Not a single reply in 2 weeks :rolleyes:... ... may be too much of a challenge :)

Cheers
From the 100-series Technical Forum main page:

UZJ100 door lock relay challenge. Need experienced advice.
  • gksinstance
  • Tuesday at 11:38 AM

I'd say my concept of two weeks may differ a bit from yours, but this is just picking nits. Maybe the eyeroll bugged me. Maybe I woke up on the wrong side of the bed. Maybe I ramble.

I think you are on the right track trying to build your own relay system, rather than disassemble the entire dash, to prove your solution will work. However, a long term solution may be to replace the failed OEM component once your temporary solution works. Some combination of @knewstance , @JunkCrzr89 , and @Somebodyelse5 has posted very useful information on dash removal for LHD models, and perhaps it carries over to RHD models in some mirror image fashion.
 
I'd say my concept of two weeks may differ a bit from yours
Mine, too 🙄


However, a long term solution may be to replace the failed OEM component once your temporary solution works. Some combination of @knewstance , @JunkCrzr89 , and @Somebodyelse5 has posted very useful information on dash removal for LHD models, and perhaps it carries over to RHD models in some mirror image fashion.
@Somebodyelse5 ghosted us both times that we pulled a dash.


Well not so easy. This car is my father's Toyota UZJ100 RHD (right hand drive). The relay is located in the hidden side of the junction-box under the glove box. To reach this relay in the right hand drive version is an absolute nightmare. You must detach the junction box but there is no space as it is mostly hidden by the A/C pump. Thus, if you wanted to reach that relay you would have to remove the whole dashboard (Toyota also confirmed this). Crazy design.
Removing the dash on LHD models isn’t terribly hard, just time consuming. Perhaps it is similar in RHD. I’m surprised you can’t reach it by just dropping the glove box. Do you have a diagram of the assembly?
 
Oops you are right. I'm sorry :facepalm: it felt like 2 weeks anyway ;)

Thanks for all your inputs and advice.

Yes, I removed the glove box and several panels/plugs to verify that the information Toyota gave me is correct ( i.e. that the entire dash must be removed on RHDs).

Meanwhile, this little project goes ahead:
I have just ordered a good amperage 5 pin micro-relay with flyback diode (be nice to your ECU),
some good Deutsch connectors
and several splitters and faston terminals.

Cheers
 
Last edited:
Mine, too 🙄



@Somebodyelse5 ghosted us both times that we pulled a dash.



Removing the dash on LHD models isn’t terribly hard, just time consuming. Perhaps it is similar in RHD. I’m surprised you can’t reach it by just dropping the glove box. Do you have a diagram of the assembly?

Yeah, I know nothing. I forgot what my excuse was for not helping that day
 
The central door lock relay fails in this car. You can hear the click but it doesn't lock doors. It only works fine when the weather gets cold.

This sounds like actuator motors problem in USA. It doesn't work (well) when the weather is warm. Do you have the relay part number? I wonder if the same relay is used in LHD model and why we didn't have this problem here. I know you said you tested all the door lock actuators to make sure they work fine. Did you test it when it is HOT out there? I would try one new actuator motor first.
 
This sounds like actuator motors problem in USA. It doesn't work (well) when the weather is warm. Do you have the relay part number? I wonder if the same relay is used in LHD model and why we didn't have this problem here. I know you said you tested all the door lock actuators to make sure they work fine. Did you test it when it is HOT out there? I would try one new actuator motor first.

I don't have the relay part number but I know from the EWDiagram it is a 5 pin micro-relay.

I am aware of the well known "actuator motors problem". However, I've read in this forum some people experiencing exactly the same problem I have. If you own a LHD model is not that tough to replace those relays though.

Yes, I did test those actuators. They are fine. ( I tested the 3 blue-white and 3 blue-black cables that connect actuators to the J-Box. This test also verifies cable continuity).

To rule out a possible problem with actuators I also used a 12V tester in cooler weather when the lock relay worked fine most of the time. I connected the tester to the cables (blue-white) at the J-Box. The tester gave me a strong light when the relay worked but no power from the relay to the actuators when it failed.

That's why I assume that the Lock Relay NO (normaly open) connection is faulty. (read above faulty ECU was also ruled out)
 
Eventually this weekend I had sometime for this fix.

I ordered a new relay that I received a while ago.
I fitted it as planned (although I changed a little detail from my drawing. Pin 30 to 2N connection is wrong in the drawing as it would give a short).

I connected all and ... it worked like a charm!

Perfect: locking, unlocking, remote lock/unlock, all lock switches, all doors activator work fine and sound strong and healthy. Great!!!

THANK YOU for all your tips, help and advice.
If someone has the very same symptoms I had, please make sure your relay connections are fine before you swap your lock activators or any other part.
On a LHD vehicle the test is very simple. Just remove the relay and test its connectors with a battery and e.g. a light tester. If it is a RHD then you can try this fix.

My new diode protected micro-relay:

20210530_225012.jpg
 
Last edited:
Eventually this weekend I had sometime for this fix.

I ordered a new relay that I received a while ago.
I fitted it as planned (although I changed a little detail from my drawing. Pin 30 to 2N connection is wrong in the drawing as it would give a short).

I connected all and ... it worked like a charm!

Perfect: locking, unlocking, remote lock/unlock, all lock switches, all doors activator work fine and sound strong and healthy. Great!!!

THANK YOU for all your tips, help and advice.
If someone has the very same symptoms I had, please make sure your relay connections are fine before you swap your lock activators or any other part.
On a LHD vehicle the test is very simple. Just remove the relay and test its connectors with a battery and e.g. a light tester. If it is a RHD then you can try this fix.

My new diode protected micro-relay:

Hi @gksinstance I have the exact same symptoms, thanks a bunch for the write up. I ordered a new relay previously to replace but soon realized the headache

Can I ask though what did you wire Pin 30 to if 2N gave you a short? Disconnect the wires and connect straight to 30? Assuming the old relay gives you a short?

Cheers
 
Hi SCottG7

Yes, this fix is fairly easy but keep in mind that my diagram is a simplified image of my connections.

First, get a Relay with enough amperage and a fly-back diode or a relay intended for PLC control to prevent any potential high voltage spikes reaching the Body ECU.

These are exactly the connections I needed on my car ( UZJ100 VX Aut. year 2000):
- Pin 85 to the wire at 2P-23 (Body ECU ground signal) and disconnect 2P-23 from the old faulty relay.
- Pin 86 to permanent +12V (40amp fused). In my case I got 12V from 2N-14 (Electric Seats)
- Pin 87 to permanent +12V (40amp fused). In my case I got 12V from 2N-14 (Electric Seats)
- Pin 87a goes to ground.
- Pin 30 to the 3 wires that go to all 5 door activators. These wires are all Blue-White and you should find them connected to 2N-1 (rear doors), 2L-1 (left door) and 2E-9. Disconnect these wires from the panel and connect them to Pin 30.

Get the right wires (I used 14 and 18 AWG) and I suggest you crimp or solder your connections nicely and protect them with a heat shrink tubing or similar.

This worked like a charm in my model but bear in mind that the wiring on each model may differ so always double check all your connections during installation.

Cheers
 
Last edited:
Le
Hi SCottG7

Yes, this fix is fairly easy but keep in mind that my diagram is a simplified image of my connections.

First, get a Relay with enough amperage and a fly-back diode or a relay intended for PLC control to prevent any potential high voltage spikes reaching the Body ECU.

These are exactly the connections I needed on my car ( UZJ100 VX Aut. year 2000):
- Pin 85 to the wire at 2P-23 (Body ECU ground signal) and disconnect 2P-23 from the old faulty relay.
- Pin 86 to permanent +12V (40amp fused). In my case I got 12V from 2N-14 (Electric Seats)
- Pin 87 to permanent +12V (40amp fused). In my case I got 12V from 2N-14 (Electric Seats)
- Pin 87a goes to ground.
- Pin 30 to the 3 wires that go to all 5 door activators. These wires are all Blue-White and you should find them connected to 2N-1 (rear doors), 2L-1 (left door) and 2E-9. Disconnect these wires from the panel and connect them to Pin 30.

Get the right wires (I used 14 and 18 AWG) and I suggest you crimp or solder your connections nicely and protect them with a heat shrink tubing or similar.

This worked like a charm in my model but bear in mind that the wiring on each model may differ so always double check all your connections during installation.

Cheers

Legend, thanks man big help. Managed to find a relay with the same part number as original so should be all OK. I'll check the wiring before I get too carried away. FZJ105 GXL year 2000
 
Le


Legend, thanks man big help. Managed to find a relay with the same part number as original so should be all OK. I'll check the wiring before I get too carried away. FZJ105 GXL year 2000

This is the relay if anybody's chasing one

 
Back
Top Bottom