Pilot Bushing vs Bearing

This site may earn a commission from merchant affiliate
links, including eBay, Amazon, Skimlinks, and others.

Joined
May 2, 2018
Threads
23
Messages
380
Location
Texas
Has anyone run a pilot bushing made out of brass or oilite bronze instead of a pilot bearing? I read on here of a guy that got one custom made years ago and fitted to, I think, an FJ55. They're hard to find for our F-engine models but seem quite popular among jeeps and many classic cars. Now before I get bashed for wanting something that fits in a jeep, let me point out some of the benefits.

A Pilot Bushing Is made from softer material, such as brass or bronze. In the case of a catastrophic failure, the bushing should not damage the input shaft of your transmission. Also, I've read that the bushings are less likely to break or crack as opposed to a common bearing.

A pilot bushing is often self-lubricated since it's impregnated with oil. If it heats up enough, the oil seeps out of the micro-sized pores and keeps things running smooth. Once it cools down, it is suppose to soak up the oil back.

A pilot bushing isn't suppose to make noise (from what i've read) or at least quieter than a bearing.

mcl-8-1380-1_w.jpg



As for a bearing, the material it is made out of is often stronger than the input shaft on the transmission. If the bearing were to give out, it will most likely damage it. I've read and seen pictures where the input shaft on land cruiser transmissions may need to be replaced since they were worn/damaged due to the use of a bearing. How often does this happens, who knows? I removed the bearing a few months ago from my 3 speed set-up and did not note any damage. But, if there could be a better product to use, then why not.

(pictured below was obtained from ih8mud)

img_0310-jpeg.3573912
 
Last edited:
I was able to find ONE pilot bushing that seems to fit our F-engines. According to the specs, It's the internal and outer diameter as the standard pilot bearings that come in clutch kits or that can still be ordered through toyota. This one will measure 3mm thicker as opposed to the OEM style bearings, so that's a plus since it grabs more material on the input shaft.

The part number is: McLeod 8-1380-1
PILOT BUSHING HERE

I know there is a double wide bearing that is recommended on ih8mud as the "Nachi 5202Z" bearing. It's twice as wide as the standard OEM size bearing. Unfortunately, there's isn't an exact pilot bushing of that size. There is one that is a bit more wide and one would have to grind it down several millimeters to have it fit properly into the back of the crankshaft. I think otherwise, it would stick out too far and cause issues. The part number for that is

McLeod 8-138-4.
Pilot bushing Wide HERE

It's a bit more difficult to find online and it's often "out of stock" on most retail websites.

Lastly, one can make a pilot bushing themselves. It would be best to order a Oillite bronze rod cut to length, then drill out the input shaft hole. The only downside I can see, for a pilot bushing, is the price. A regular sealed bearing can be bought for about $10. The more expensive, double-wide bearings go for about $20 if you get it off of ebay. The pilot bushing that I linked start out at $30.

56FT78_AS01
 
Last edited:
No. The pilot bearings used from Toyota are far superior to an oilite. Failures are so small that it can’t be quantified. Failures from oilite/needle bearings are high.

Don’t let the domestics fool you. My ram is an oillite and I considered ditching for an NSK or Nachi.
 
I don't how much difference it makes on a racing tractor. Little needles vs full contact with a bushing -fit, finish, material, heat treatment, lube....
How you drive likely makes a bigger difference - some folks are brake/clutch riders. I have a good friend that is hell on throw out bearings and clutch disks, for some reason brakes last him the normal amount.

It never hurts to crawl under your rig one a season or 2 and check for loose bolts. I like to do it in the fall before the snow and late spring after the snow. Winter here works a 4WD.

Oh and I can and have made many bushings. Once when helping dad back in 70's do some engine work on the Rambler, we made a roller for the tranny bearing out of a drill bit shank. No clue where the one went of if it was ever there. He hot rodded some pieces of brazing rod into the speedo phenolic worm gear (NLA) and needle filed the tooth profile. Speedo ran smooth as silk.
 
Last edited:
No. The pilot bearings used from Toyota are far superior to an oilite. Failures are so small that it can’t be quantified. Failures from oilite/needle bearings are high.

Don’t let the domestics fool you. My ram is an oillite and I considered ditching for an NSK or Nachi.

:oops::oops::oops:
Gotcha! The "domestics" have planted the seed in my brain to think the oilite bushings were the way to go. I was reading though some forums for old trucks and jeep willys and it got me thinking on switching over to bronze/brass. Have you experiencing anything on your end concerning your Ram-vehicle running an oillite bushing? Or do you prefer to just make the switch simply for Japanese steel superiority? And yeah, I was reading online that it was the opposite. "They" were saying that the bushings tend to outlast a bearing. but as you said, the failure of a bearing is so small anyway.

I don't how much difference it makes on a racing tractor. Little needles vs full contact with a bushing -fit, finish, material, heat treatment, lube....
How you drive likely makes a bigger difference - some folks are brake/clutch riders. I have a good friend that is hell on throw out bearings and clutch disks, for some reason brakes last him the normal amount.

It never hurts to crawl under your rig one a season or 2 and check for loose bolts. I like to do it in the fall before the snow and late spring after the snow. Winter here works a 4WD.

That was a reason I was hesitant in buying a bushing; so i opted out and decided to ask here instead just to hear people's thoughts. On the description for the pilot bushings, it said not intended for heavy load use. Then I started wondering if our racing tractors were heavy-load use vehicles. I doubt that they are, compared to today's standards, and a bushing might suffice for normal use.

And I agree on checking for loose bolts. It sucks to do, but it would be worse to loose or damage something that could have been avoided by simply checking once or twice a year.
 
Last edited:
Bushings work well. Do not use needle bearing type.
 
Every SBC swap I have done or worked on used a bronze bushing. Never seen any sort of failure or anything adverse. And I have dealt with some that have crazy miles on them.

Mark...
 
The thread starter explained that the oil soaks into the bushing. So, you need either engine heat or bushing friction to get some lube between the metals? The roller bearing is sealed and always has lube on the metal's surface, regardless of temperature? I'm sure it is fine when it is called out by the OEMs, but, for this situation, I can't say.

Some folks don't mind one-off, or hacked. As if a worn-out Oillet bushing is not going to also be a problem for the transmission and its components, but a bad roller bearing will? And with bronze bushing wear, you'll have less surface-to-surface contact between the hollowed-out bushing and input shaft. With the roller bearing, the transmission's input shaft was never a bearing surface / raceway, rather it slid into the bearing inner roller (these parts never had to slide against one another from Toyota, and the suggestion is to make the input shaft do the work of the replacable bearing inner raceway). You'll be driving in traffic thinking, wow, the only bronze bushing in this vehicle that isn't soaked in gear or engine oil is operating dry (to the naked eye) and it appears that I made it work, folowing the lead of a different OEM and some info and stuff from the internets. There are bronze bushings on the rocker arm shaft, but, that doesn't mean that the rocker arm shaft was saved from wear just because it is cast iron and the bushing is flaking bronze that appeas at the bottom of the oil catch pan when you bleed the crankcase, my rocker arm shafts are looking kinda rough. What happens when or if you start wearing thin the input shaft on the Toyota transmission? Non-catastrophic wear (it didn't grenade), just a loss of metal on both the bushing and input shaft. Did Toyota spec case hardening or an alloy inteneded for metal-to-metal friction at the tip of their input shafts? Yes, you can send the transmission input shaft into the machine shop for a regind? Sounds expensive, and seriously inconvenient, when there was a replaceable bearing that Toyota makes available that you simply change at the interval of clutch service?
 
Last edited:
Every SBC swap I have done or worked on used a bronze bushing. Never seen any sort of failure or anything adverse. And I have dealt with some that have crazy miles on them.

Mark...
^^^^ this
 
The thread starter explained that the oil soaks into the bushing. So, you need either engine heat or bushing friction to get some lube between the metals? The roller bearing is sealed and always has lube on the metal's surface, regardless of temperature? I'm sure it is fine when it is called out by the OEMs, but, for this situation, I can't say.

Some folks don't mind one-off, or hacked. As if a worn-out Oillet bushing is not going to also be a problem for the transmission and its components, but a bad roller bearing will? And with bronze bushing wear, you'll have less surface-to-surface contact between the hollowed-out bushing and input shaft. With the roller bearing, the transmission's input shaft was never a bearing surface / raceway, rather it slid into the bearing inner roller (these parts never had to slide against one another from Toyota, and the suggestion is to make the input shaft do the work of the replacable bearing inner raceway). You'll be driving in traffic thinking, wow, the only bronze bushing in this vehicle that isn't soaked in gear or engine oil is operating dry (to the naked eye) and it appears that I made it work, folowing the lead of a different OEM and some info and stuff from the internets. There are bronze bushings on the rocker arm shaft, but, that doesn't mean that the rocker arm shaft was saved from wear just because it is cast iron and the bushing is flaking bronze that appeas at the bottom of the oil catch pan when you bleed the crankcase, my rocker arm shafts are looking kinda rough. What happens when or if you start wearing thin the input shaft on the Toyota transmission? Non-catastrophic wear (it didn't grenade), just a loss of metal on both the bushing and input shaft. Did Toyota spec case hardening or an alloy inteneded for metal-to-metal friction at the tip of their input shafts? Yes, you can send the transmission input shaft into the machine shop for a regind? Sounds expensive, and seriously inconvenient, when there was a replaceable bearing that Toyota makes available that you simply change at the interval of clutch service?

A bushing in this application shouldnt be dry. A moderate amount of grease is required in the hole and grease on the tip of the input shaft. Too much grease in the hole can force the bushing out of the crank when the trans is installed. Pilot bushings are not a one off. Sbc's and other engines have been using bushings forever. Maybe it's a US thing. The majority of the time the crank is spinning the same rpm as the input shaft. Then part of the time both are spinning at two different speeds from shifting gears and in neutral with no load. Im thinking the operators driving habits may have something to do with the bearing failures. Sitting for long periods with the trans in gear and the clutch pushed in. In this case the crank is spinning and the input isn't. Ive seen normal bushing wear, and have seen one failure. The failure was a result of the installer. The installer used a scatter sheild bellhousing and he misaligned the trans to the engine cranks center when he drilled the b/h. It wallowed the bushings' hole. You couldn't put in gear with the engine running because the input was in a bind.
Fyi. I run sbc's in my 40's.
 
Maybe he is just agreeing with me? It is allowed ya know.

Mark...
Yes, but Ceylonfj40nut said to not use, 'roller bearing type.' So, from experience, he did this same as suggested by the thread starter with a bushing-swap, J30 and 3-speed bellhousing? Or, if it works with an OEM for a horsepower-Chevy, it is all gravy?

Yes, aggreement is over-rated; this is a forum.

There are roller bearings on both sides of the transmission input shaft. Are the ones in the gearbox insufficient as well? Are the alignment pins in the Toyota bellhousing the correct length to easily assemble the 3mm-longer bronze bushing that is available? The inner raceway of a bearing is hardened steel - it is very accepting to assembly. The bronze oil bushing has to physically guide the gearboxe(s) in, during assembly, and not get scratched in the process.
 
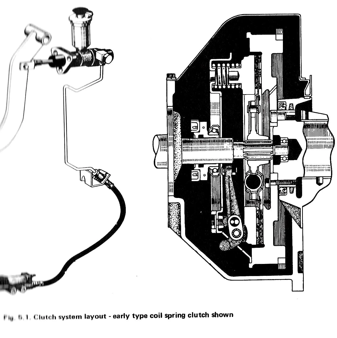
The sectional diagram suggests that they are actually ball bearings in the pilot bearing assembly. Not roller or needle bearings like we mentioned.

clutch.jpg


I was just wiggling the input shaft on a shelved 3-speed. The amount of off-axis movement is impressive. Maybe it was tighter when new? Something like 15mm on the OD of the J30 input shaft.

This oilite stock material seems interesting. It certainly could help when a part isn't available, like old cars and swapping old parts. However, I'm grateful that old FJ40s generally have the OEM and aftermarket part support, so we don't have to be the first person to blaze a trail with a tranny jack, or engine crane thru the passenger door.
 
The sectional diagram suggests that they are actually ball bearings in the pilot bearing assembly. Not roller or needle bearings like we mentioned.

View attachment 3818670

I was just wiggling the input shaft on a shelved 3-speed. The amount of off-axis movement is impressive. Maybe it was tighter when new? Something like 15mm on the OD of the J30 input shaft.

This oilite stock material seems interesting. It certainly could help when a part isn't available, like old cars and swapping old parts. However, I'm grateful that old FJ40s generally have the OEM and aftermarket part support, so we don't have to be the first person to blaze a trail with a tranny jack, or engine crane thru the passenger door.
This goes waaaaaay down the rabbit hole…. There is a fair amount of play in the 3 speed, as well as the 4 and 5 speed input shafts. Same with the SM425/465, Muncie, etc. They are made with a little wiggle room to accommodate machining and casting differences between the trans case, bellhousing, engine block, crank centerline, etc. Look into the process of installing a TKX 5 speed behind a SBC or BBC: multiple plane alignment required because there is no play in the input shaft.

This may just be repeating misinformation, but when I built the BBC in my Chevelle (with Muncie 4 speed), multiple sources recommended a bushing and said under no circumstances use a needle bearing; I believe it’s because of this “sloppiness” the input shaft has and it can stress a needle bearing where a bushing or ball bearing can tolerate it a little better. I did need to ream my pilot bushing to proper size once installed.
 
I’ve run the Oilite bearing in my 350 chevy for years the only one that failed was when my bellhousing was tweaked ,out of alignment a bit it would it would wear the bearing enlarging the hole and would cause the clutch disc hub to become loose in the clutch disc. Once I swapped out the damaged bellhousing I don’t think I’ve changed my oilite bearing it the past 20 years in my 350. . I always ran the roller bearing in my 2F. Oilite are fine.
 
I have a 2F head on the bench with a cracked valve guide. Apparently, SOR has in stock, bronze valve guides for the exhaust-side of F and 2F heads; I've never seen anything but steel valve guides. I wondered how well they hold up to the interference (pressed) fit in the head, and what kind damage will I do pressing them in? Does bronze shrink and swell on its OD without moving around in the cast iron head? I know of a gen 1 SBC that had an aftermarket valve guide loosen up after the rebuild. They (the internets) says the internal diameter is more consistent, so your exhaust valve will run just fine with a tighter clearance.
 
Good builds IMHO "ream" the valve guides to size after they are installed. +90% of wear occurs in the first like 10 seconds of starting the engine; a pre oiler installed and used correctly could substantially reduce wear along with proper oil and filter changes.
 
Wow! A lot of input and different experiences concerning the use of a bushing. Great info! It seems like a bushing is mostly used in our land cruisers when doing a V8 conversion. I'd imagine the v8-engines provide higher torque, especially on sudden acceleration, in comparison to our straight-6 engines. But as other's have mentioned, other factors could play a big role in causing a bearing or bushing to become damaged sooner than imagined. Either the bearing/bushing gets installed incorrectly and doesn't sit flush with the crankshaft, a tweaked bell-housing, or perhaps even bad driving habits.

I read up some more on the bushings. So there is a "dry" version which is considered heavy duty as opposed to the oil-infused bushings. The "dry" versions are made out of solid brass/bronze while the oil-infused (oilite) bushings are made from highly compressed brass/bronze flakes.

When the brass/bronze flakes are pressed into shape, the final product is left with a bunch of "air pockets" much like a pumice stone or volcanic rock, but at a much smaller scale. The bushing is then dropped in oil and allowed to soak it up. This is what makes it become "oil infused" and self lubricating. In theory, the bushing is suppose to sweat when warmed up. Im not sure if it solely gets hot from the radiant heat of the engine or if it's due to the friction caused by the input shaft of the transmission.

I'm still really tempted in trying a bushing out. lately, I have had a lot of issues with a transmission that i installed. One of the many things I noticed was the new pilot bushing was "squeaking" while at idle. Since I took everything out, I checked the pilot bearing that I installed and it looks brand new. If I choose to install another bearing, im thinking of dunking it in transmission oil so that the oil can seep in through the sides since it's not a "sealed" type bearing.

Here are the exact measurements for the current bearings available:

Regular sized toyota small Bearing:

Outer diameter: 35mm
Inside diamter: 15mm
Thickness: 11mm

"Double" Wide Bearing:

Outside diameter: 35mm
Inside diameter: 15mm
Thickness: 16mm


Sizes for Brass Bushings:

small Brass bushing:

Outside diameter: 35mm (on the website, size is listed as 1.38 inches. When convered to mm, its becomes 35.052mm)
Inisde diameter: 15mm (on the website, size is listed as 0.592 inches. When converted to mm, it becomes 15.0368mm)
Thickness: 13mm (on the webiste, size is listed as 0.51 inches. When converted to mm, it becomes 12.94mm)


Double Wide Brass Bushing:

Outside diameter: 35mm (on the website, size is listed as 1.38 inches. When convered to mm, its becomes 35.052mm)
Iniside diameter: 15mm (on the website, size is listed as 0.592 inches. When converted to mm, it becomes 15.0368mm)
Thickness: 22mm (on the website, size is listed as 0.9 inches. When converted to mm, it becomes 22.86mm)


The small variance in the exact size of the bushings in comparisson to a bearing varry by a small fraction. About 1/20th of a mm.

Here is a picture of the current aviable bearings for our straight 6 engines. Double wide on the left. Regular size on right. The small brass bushing would sit in the middle, as far as thickness, when compared to the bearings below.

IMG_20250120_010725.jpg
 
Last edited:
Back
Top Bottom